Matrix92 ha scritto:... ma io non riesco ancora a capire perché mi compare solo 2I1 ...
Non capisco cosa tu non riesca a capire.
BTW ... ohm, quando usato come unità di misura va scritto in minuscolo.
Moderatori:
g.schgor,
IsidoroKZ
Matrix92 ha scritto:... ma io non riesco ancora a capire perché mi compare solo 2I1 ...
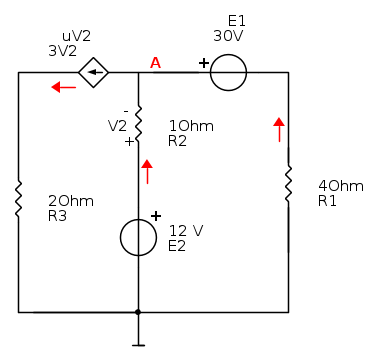
rusty ha scritto:Mancano:
1) Polarita' dei generatori di tensione (devi mettere un + da qualche parte)
2) Verso generatore di corrente dipendente
3) Il generatore dipende da V2, non vedo dove sia questa V2.
RenzoDF ha scritto:Matrix92 ha scritto:... ma io non riesco ancora a capire perché mi compare solo 2I1 ...
Non capisco cosa tu non riesca a capire.
BTW ... ohm, quando usato come unità di misura va scritto in minuscolo.
Matrix92 ha scritto:rusty ha scritto:Mancano:
1) Polarita' dei generatori di tensione (devi mettere un + da qualche parte)
2) Verso generatore di corrente dipendente
3) Il generatore dipende da V2, non vedo dove sia questa V2.

, ovvero 


è ovviamente indipendente dal valore di
.


è la somma di tutte le conduttanze.Matrix92 ha scritto:per come è messo il circuito non si poteva applicare Millmann?
Torna a Elettrotecnica generale
Visitano il forum: Nessuno e 51 ospiti