Salve a tutti,vorrei realizzare un circuito che mi porti l'alternata 220 V in continua 5v stabili.
In rete ho visto vari circuiti,ma ne vorrei uno piu' minimale possibile.
Una possibile realizzazione?
Grazie
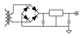
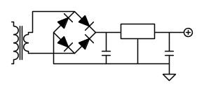
Circuito da 220 V a 5v
Moderatori:
carloc,
g.schgor,
BrunoValente,
IsidoroKZ
33 messaggi
• Pagina 1 di 4 • 1, 2, 3, 4
2
voti
http://www.electroyou.it/paolino/wiki/progetto-nel-cassetto-un-alimentatore-switching-5v-3a
MCSA Windows Server 2012 R2
Cisco CCNA R&S - Cisco CCNA Security - Cisco CCNA Cyber Ops
CompTia A+ - CompTia Linux+ - CompTIA Systems Support Specialist CSSS
CompTia Pentest+ LPIC-1 - VCP VMware - Cisco CCNP Enterprise
Cisco CCNA R&S - Cisco CCNA Security - Cisco CCNA Cyber Ops
CompTia A+ - CompTia Linux+ - CompTIA Systems Support Specialist CSSS
CompTia Pentest+ LPIC-1 - VCP VMware - Cisco CCNP Enterprise
0
voti
1A andrebbero bene ...un circuito che ho realizzato.....il problema e' minimizzare al massimo il circuito
-

albatros1993
13 2 6 - Frequentatore

- Messaggi: 218
- Iscritto il: 31 gen 2010, 12:09
1
voti
Quello illustrato e' il piu' "minimale" schema possibile ed usa un 7805, due condensatori, un ponte ed un trasformatore. Se pero' la richiesta di corrente e' di 1A (continuativi) quel regolatore non bastera', anche se dovutamente raffreddato, e sara' necessario trovare qualcosa di piu' performante o munirlo di un transistor di supporto.
marco
0
voti
Di nulla. Se vuoi realizzarlo, dimmelo e vediamo di dimensionare i componenti; non hai pero' risposto alla mia domanda sulla corrente massima da erogare.
marco
0
voti
si ho risposto prima 1A continuativi
Forse sono un po' tanti...
Forse sono un po' tanti...
-

albatros1993
13 2 6 - Frequentatore

- Messaggi: 218
- Iscritto il: 31 gen 2010, 12:09
33 messaggi
• Pagina 1 di 4 • 1, 2, 3, 4
Chi c’è in linea
Visitano il forum: Google Adsense [Bot] e 51 ospiti

Elettrotecnica e non solo (admin)
Un gatto tra gli elettroni (IsidoroKZ)
Esperienza e simulazioni (g.schgor)
Moleskine di un idraulico (RenzoDF)
Il Blog di ElectroYou (webmaster)
Idee microcontrollate (TardoFreak)
PICcoli grandi PICMicro (Paolino)
Il blog elettrico di carloc (carloc)
DirtEYblooog (dirtydeeds)
Di tutto... un po' (jordan20)
AK47 (lillo)
Esperienze elettroniche (marco438)
Telecomunicazioni musicali (clavicordo)
Automazione ed Elettronica (gustavo)
Direttive per la sicurezza (ErnestoCappelletti)
EYnfo dall'Alaska (mir)
Apriamo il quadro! (attilio)
H7-25 (asdf)
Passione Elettrica (massimob)
Elettroni a spasso (guidob)
Bloguerra (guerra)




