salve a tutti.
oggi vorrei esporvi un mio problema, devo far visualizzare su un display un testo, cosi ho realizzato un programma con un pic16f877a e mi funzionava tutto fino a poco tempo fa.
Circa una settimana fa il progetto che dovevo realizzare era finito e funzionante, ma all'improvviso non mi visualizzava + niente tranne che una serie di rettangoli nella riga superiore del display.
Display LCD 16x2 GDM1602K non funzionante?
Moderatori:
carloc,
g.schgor,
BrunoValente,
IsidoroKZ
28 messaggi
• Pagina 1 di 3 • 1, 2, 3
0
voti
Ciao
Hai ricontrollato i collegamenti o le saldature?
Ora è montato sulla stessa basetta di quando funzionava oppure avevi fatto delle prove su breadboard e poi hai realizzato un PCB e da quel momento non ha più funzionato?
Insomma per dirla breve: rispetto a quando funzionava, hai cambiato qualcosa?
perché, è difficile che sia bruciato..A meno che tu non gli abbia dato l'alimentazione al rovescio!
Hai ricontrollato i collegamenti o le saldature?
Ora è montato sulla stessa basetta di quando funzionava oppure avevi fatto delle prove su breadboard e poi hai realizzato un PCB e da quel momento non ha più funzionato?
Insomma per dirla breve: rispetto a quando funzionava, hai cambiato qualcosa?
perché, è difficile che sia bruciato..A meno che tu non gli abbia dato l'alimentazione al rovescio!
1
voti
Non penso sia bruciato, è la tipica "striscia" che appare quando l'LCD non è inizializzato.
Ricontrolla i collegamenti, e che il quarzo (se ha un quarzo esterno) sia al suo posto.
Dai uno sguardo anche al trimmer di contrasto, se dovessi vedere sempre strisce bianche prova a ruotare il trimmer.
Ricontrolla i collegamenti, e che il quarzo (se ha un quarzo esterno) sia al suo posto.
Dai uno sguardo anche al trimmer di contrasto, se dovessi vedere sempre strisce bianche prova a ruotare il trimmer.
-

rusty
4.075 2 9 11 - Utente disattivato per decisione dell'amministrazione proprietaria del sito
- Messaggi: 1578
- Iscritto il: 25 gen 2009, 13:10
0
voti
Hai perlomeno controllato cosa non va sulla board?
Hai letto i messaggi precedenti?
Ripetere che non va di sicuro non lo fara' funzionare
Ricontrolla i collegamenti con un tester, guarda che il quarzo sia il suo e sia al suo posto, controlla il trimer del contrasto, controlla che il microcontrollore sia acceso... ecc...
Se vuoi puoi postare delle foto cosi' possiamo aiutarti visivamente, e anche uno schema non sarebbe male, almeno sappiamo di cosa stiamo parlando.
Hai letto i messaggi precedenti?
Ripetere che non va di sicuro non lo fara' funzionare
Ricontrolla i collegamenti con un tester, guarda che il quarzo sia il suo e sia al suo posto, controlla il trimer del contrasto, controlla che il microcontrollore sia acceso... ecc...
Se vuoi puoi postare delle foto cosi' possiamo aiutarti visivamente, e anche uno schema non sarebbe male, almeno sappiamo di cosa stiamo parlando.
-

rusty
4.075 2 9 11 - Utente disattivato per decisione dell'amministrazione proprietaria del sito
- Messaggi: 1578
- Iscritto il: 25 gen 2009, 13:10
0
voti
ho controllato il programma, ho visto le tensioni sui pin del PIC e ho notato che mettendo anche un semplice programma sopra non esegue nessuna operazione.
Allora deve essere il PIC, cosi l'ho cambiato, idem per il sostituto >.<
Allora deve essere il PIC, cosi l'ho cambiato, idem per il sostituto >.<
0
voti
Risultato?
Se però i circuiti hanno funzionato per un po' e poi non più, direi che potrebbe esserci qualcosa di erroneo nello schema o nella realizzazione e cambiare semplicemente certi componenti potrebbe portare in avaria anche quelli.
Segui i consigli di
rusty anche sul postare schema (in fidocad) e foto delle realizzazioni 
Se però i circuiti hanno funzionato per un po' e poi non più, direi che potrebbe esserci qualcosa di erroneo nello schema o nella realizzazione e cambiare semplicemente certi componenti potrebbe portare in avaria anche quelli.
Segui i consigli di
-

FedericoSibona
5.022 3 5 8 - Master

- Messaggi: 3951
- Iscritto il: 19 mar 2013, 11:43
0
voti
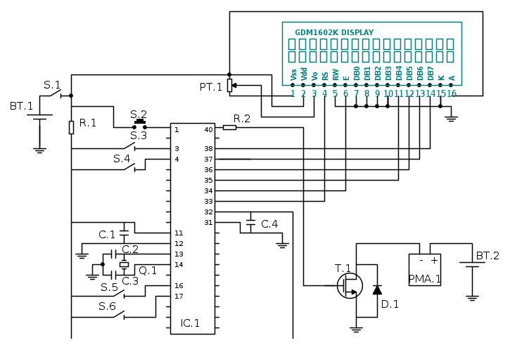
ecco lo schema
28 messaggi
• Pagina 1 di 3 • 1, 2, 3
Chi c’è in linea
Visitano il forum: Google Adsense [Bot] e 41 ospiti

Elettrotecnica e non solo (admin)
Un gatto tra gli elettroni (IsidoroKZ)
Esperienza e simulazioni (g.schgor)
Moleskine di un idraulico (RenzoDF)
Il Blog di ElectroYou (webmaster)
Idee microcontrollate (TardoFreak)
PICcoli grandi PICMicro (Paolino)
Il blog elettrico di carloc (carloc)
DirtEYblooog (dirtydeeds)
Di tutto... un po' (jordan20)
AK47 (lillo)
Esperienze elettroniche (marco438)
Telecomunicazioni musicali (clavicordo)
Automazione ed Elettronica (gustavo)
Direttive per la sicurezza (ErnestoCappelletti)
EYnfo dall'Alaska (mir)
Apriamo il quadro! (attilio)
H7-25 (asdf)
Passione Elettrica (massimob)
Elettroni a spasso (guidob)
Bloguerra (guerra)




