Cos'è ElectroYou | Login Iscriviti

ElectroYou - la comunità dei professionisti del mondo elettrico

Risoluzione esercizio rete trifase

Circuiti, campi elettromagnetici e teoria delle linee di trasmissione e distribuzione dell’energia elettrica

Moderatori: Foto Utenteg.schgor, Foto UtenteIsidoroKZ

0
voti

[1] Risoluzione esercizio rete trifase

Messaggioda Foto UtenteAndromedaXX » 3 lug 2013, 14:51



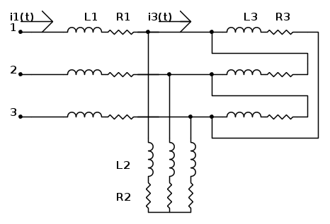
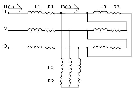
Buongiorno! Sono alle prese con questo esercizio che riguarda una rete trifase, alimentata da una terna simmetrica diretta di tensioni (valore efficace della tensione stellata E=300 V, pulsazione= 100 rad/s).
Devo determinare:
1) il valore efficace I1 della corrente
2) il valore efficace I3 della corrente
3) la capacità C del banco di condensatori a stella per rifasare completamente la rete.

Per la prima richiesta non ho problemi: mi riconduco alla rete monofase ed effettuando un po' di riduzioni, posso ricavarmi il valore efficace I1 solo usando il valore efficace E e il modulo dell'impedenza equivalente.
Per la seconda richiesta, avrei bisogno di una conferma.. In questo caso, non posso lavorare con i fasori, perché ho ricavato solo il valore efficace I1 della corrente e non posso ricavarmi il corrispondente argomento, perché non è noto il fasore della tensione. Giusto?
Ho notato tuttavia, che nella risoluzione di alcuni esercizi in Internet o nei libri c'è l'abitudine di scegliere una delle corrente come riferimento, attribuendole di conseguenza FASE NULLA. Ho anche letto che è un metodo americano.. poiché non ne ho mai sentito parlare, vorrei sapere se è lecito operare in questo modo oppure se, in questo esercizio, si poteva operare diversamente..
Sono solita risolvere le reti trifase con i fasori o con il diagramma fasoriale, ma sempre di fasori si tratta #-o #-o ... Grazie sin d'ora a chiunque vorrà suggerirmi qualcosa :ok: :ok:
Avatar utente
Foto UtenteAndromedaXX
20 4
 
Messaggi: 38
Iscritto il: 25 giu 2013, 17:27

0
voti

[2] Re: Rete trifase

Messaggioda Foto UtenteElectro » 3 lug 2013, 14:55

I3 potresti calcolarlo con un partitore di corrente ricavata I1.
"La progettazione, il primo presidio della sicurezza" [Michele Guetta]
Avatar utente
Foto UtenteElectro
2.127 2 2 8
Expert EY
Expert EY
 
Messaggi: 1327
Iscritto il: 12 nov 2008, 11:14
Località: Bari

0
voti

[3] Re: Risoluzione esercizio rete trifase

Messaggioda Foto UtenteAndromedaXX » 3 lug 2013, 15:01

Ok, intanto grazie per la risposta..

Ma per applicare il partitore di corrente dovrei usare i fasori giusto? Le LKT si possono applicare solo ai fasori o ai valori istantanei delle grandezze in gioco, non ai valori efficaci.. Almeno così ho studiato #-o
Avatar utente
Foto UtenteAndromedaXX
20 4
 
Messaggi: 38
Iscritto il: 25 giu 2013, 17:27

0
voti

[4] Re: Risoluzione esercizio rete trifase

Messaggioda Foto UtenteElectro » 3 lug 2013, 15:03

Si penso che dovresti usare i fasori.
"La progettazione, il primo presidio della sicurezza" [Michele Guetta]
Avatar utente
Foto UtenteElectro
2.127 2 2 8
Expert EY
Expert EY
 
Messaggi: 1327
Iscritto il: 12 nov 2008, 11:14
Località: Bari

0
voti

[5] Re: Risoluzione esercizio rete trifase

Messaggioda Foto UtenteAndromedaXX » 3 lug 2013, 15:08

Ok, ma non avendo le fasi iniziali non posso fare molto...non posso "costruirmi" i fasori :lol: .
Spero che l'ipotesi di fase nulla per una delle correnti ricavate non sia poi così irrealistica, altrimenti sono costretta a sventolare bandiera bianca per mancanza di idee O_/ O_/
Avatar utente
Foto UtenteAndromedaXX
20 4
 
Messaggi: 38
Iscritto il: 25 giu 2013, 17:27

1
voti

[6] Re: Risoluzione esercizio rete trifase

Messaggioda Foto UtenteElectro » 3 lug 2013, 15:12

Come stai risolvendo?
perché non inizi con:

\bar{E_{1}}=300\angle 0^{\circ}

e

\bar{I_{1}}=\frac{\bar{E_{1}}}{\dot{Z}_{T_{Y}}}
"La progettazione, il primo presidio della sicurezza" [Michele Guetta]
Avatar utente
Foto UtenteElectro
2.127 2 2 8
Expert EY
Expert EY
 
Messaggi: 1327
Iscritto il: 12 nov 2008, 11:14
Località: Bari

0
voti

[7] Re: Risoluzione esercizio rete trifase

Messaggioda Foto UtenteAndromedaXX » 3 lug 2013, 15:35

Dunque, effettivamente porre l'argomento del fasore tensione uguale a zero è la soluzione più indicata..
Ma che tu sappia, potevo farlo anche per la corrente di linea? Oppure avrei potuto farlo solo se precisato nel testo dell'esercizio?

Comunque, non ho a disposizione i risultati dell'esercizio, per questo ho chiesto conferma nel forum.
Ho ricavato il valore efficace I1 come ho già indicato e, sapendo che il carico è equilibrato, ricavo:
1)l'impedenza equivalente ai morsetti 1-2 Zeq=15+15j
2)il fasore tensione con l'ipotesi che mi hai indicato E=300

Ricavo quindi il FASORE I1:
I1=\frac{300}{15(1+j)}=10(1-j)

Uso le KLT e le LKC, ricavo per il FASORE I3:
I3=\frac{Z2*I1}{Z3\star+Z2}=\frac{(10+j10)*(10-j10)}{10+j10+10+j10}=5(1-j)
avendo tenuto conto che devo trasformare il triangolo di impedenze in stella di impedenze.
Avatar utente
Foto UtenteAndromedaXX
20 4
 
Messaggi: 38
Iscritto il: 25 giu 2013, 17:27

0
voti

[8] Re: Risoluzione esercizio rete trifase

Messaggioda Foto UtenteElectro » 3 lug 2013, 15:38

Attenzione all'impdenza equivalente per l'equivalente monofase.
Mostra tutti i passaggi perché non avendo i dati nessuno può verificare.
"La progettazione, il primo presidio della sicurezza" [Michele Guetta]
Avatar utente
Foto UtenteElectro
2.127 2 2 8
Expert EY
Expert EY
 
Messaggi: 1327
Iscritto il: 12 nov 2008, 11:14
Località: Bari

0
voti

[9] Re: Risoluzione esercizio rete trifase

Messaggioda Foto UtenteAndromedaXX » 3 lug 2013, 15:58

I dati del problema sono:
E=300V
\omega=100rad/s
R1=10 Ohm
R2=10 Ohm
R3=10 Ohm
L1=100 mH
L2=100 mH
L3=300 mH

Calcolo le impedenze:
Z1=Z2=10+j10
Z3=30+j30
Z3\star=10+j10
Calcolo l'impedenza parallelo tra Z3stella e Z2:
Zp=\frac{(10+j10)*(10+j10)}{20+j20}=5(1+j)
Calcolo l'impedenza equivalente indicata nel precedente post:
Zeq=Zp+Z1=10+j10+5+j5=15(1+j)
Avatar utente
Foto UtenteAndromedaXX
20 4
 
Messaggi: 38
Iscritto il: 25 giu 2013, 17:27

0
voti

[10] Re: Risoluzione esercizio rete trifase

Messaggioda Foto UtenteElectro » 3 lug 2013, 16:05

C'è qualcosa che non quadra.

R3=10 Ohm

L3=300 mH

Calcolo le impedenze:

Z3=30+j30
"La progettazione, il primo presidio della sicurezza" [Michele Guetta]
Avatar utente
Foto UtenteElectro
2.127 2 2 8
Expert EY
Expert EY
 
Messaggi: 1327
Iscritto il: 12 nov 2008, 11:14
Località: Bari

Prossimo

Torna a Elettrotecnica generale

Chi c’è in linea

Visitano il forum: Nessuno e 16 ospiti