Diodo 1N5408 per transistor MJ4502
Moderatori:
carloc,
g.schgor,
BrunoValente,
IsidoroKZ
0
voti
Ne approfitto,per chiedervi un consulto, in merito ad un alimentatore che mi trovo a dover riparare stasera.In pratica in questo alim è saltato il regolatore, precisamente un LM2576HVT e non riesco a trovare il ricambio;mi chiedevo se esiste un componente uguale per caratteristiche a quello prima citato...
0
voti
Anche quell'integeato si trova da RS Components o altri sul web, ma quello è un alimentatore swithcing e, non volermene, ma non credo che tu abbia le conoscenze per ripararlo. Cosa ti fa pensare che il problema sia solo nell'integrato?
-

FedericoSibona
5.022 3 5 8 - Master

- Messaggi: 3951
- Iscritto il: 19 mar 2013, 11:43
0
voti
No figurati,comunque è un classico alimentatore lineare in cui ho verificato tutti i componenti ,precisamente, è un alim per un sistema citofonico della Bticino.Avevo provato a mettere il classico e non L'HV e alla prima accensione è saltato ,perché in ingresso ho 52V circa tensione non supportata dal classico 2576T.
1
voti
Guarda qui.
Di solito si.
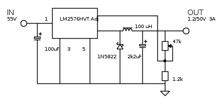
Anche se a prima vista sembra un lineare, noterai che, oltre ai consueti componenti, ci sono un'induttanza ed un diodo schottky che, unitamente all'integrato formano il sistema a commutazione.
Di seguito lo schema di massima di uno switching elementare (questo e' variabile ma il concetto non cambia a parte il potenziometro):
Ora guarda il tuo alimentatore e vedi se trovi i componenti indicati.

menu ha scritto:.....tu mi dici che quell'integrato si usa solo per applicazioni swithcing?
Di solito si.
Anche se a prima vista sembra un lineare, noterai che, oltre ai consueti componenti, ci sono un'induttanza ed un diodo schottky che, unitamente all'integrato formano il sistema a commutazione.
Di seguito lo schema di massima di uno switching elementare (questo e' variabile ma il concetto non cambia a parte il potenziometro):
Ora guarda il tuo alimentatore e vedi se trovi i componenti indicati.

marco
0
voti
Beh, non e' detto che tutti gli alimentatori siano uguali a quello postato per componenti e layout; quello era solo un esempio tra i piu' comuni e "facili".
Se posti delle foto (sopra e sotto) ne discutiamo meglio.

P.S. 2k2 uF sono 2200 uF
Se posti delle foto (sopra e sotto) ne discutiamo meglio.

P.S. 2k2 uF sono 2200 uF
marco
0
voti
Non credo che ci sia un condensatore da 2200mF (millifarad), sarà da 2200uF (microfarad).
Comunque, a parte questo, vedi una induttanza? Un avvolgimento di filo di rame smaltato su un nucleo di ferrite?
Comunque, a parte questo, vedi una induttanza? Un avvolgimento di filo di rame smaltato su un nucleo di ferrite?
-

FedericoSibona
5.022 3 5 8 - Master

- Messaggi: 3951
- Iscritto il: 19 mar 2013, 11:43
Chi c’è in linea
Visitano il forum: Nessuno e 396 ospiti

Elettrotecnica e non solo (admin)
Un gatto tra gli elettroni (IsidoroKZ)
Esperienza e simulazioni (g.schgor)
Moleskine di un idraulico (RenzoDF)
Il Blog di ElectroYou (webmaster)
Idee microcontrollate (TardoFreak)
PICcoli grandi PICMicro (Paolino)
Il blog elettrico di carloc (carloc)
DirtEYblooog (dirtydeeds)
Di tutto... un po' (jordan20)
AK47 (lillo)
Esperienze elettroniche (marco438)
Telecomunicazioni musicali (clavicordo)
Automazione ed Elettronica (gustavo)
Direttive per la sicurezza (ErnestoCappelletti)
EYnfo dall'Alaska (mir)
Apriamo il quadro! (attilio)
H7-25 (asdf)
Passione Elettrica (massimob)
Elettroni a spasso (guidob)
Bloguerra (guerra)



