tecfil ha scritto: ...Poi devo considerare la frequenza del filtro passa-basso...
Cosa intendi di preciso con questa tua affermazione
Moderatori:
carloc,
g.schgor,
BrunoValente,
IsidoroKZ
tecfil ha scritto: ...Poi devo considerare la frequenza del filtro passa-basso...
Cosa intendi di preciso con questa tua affermazione 




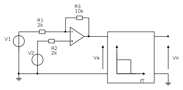
tecfil ha scritto:Io avrei detto che le righe sono in totale 3, proprio perché abbiamo la fondamentale e le altre due armoniche sotto i 4Hz.
;



è un segnale sinusoidale con frequenza
e
è un segnale ad onda quadra a valor medio nullo e frequenza
. Il segnale
è applicato in ingresso ad un filtro passa-basso ideale con frequenza di taglio
. Per campionare correttamente il segnale
in uscita dal filtro, il valore minimo della frequenza di campionamento
da adottare risulta:"
è un segnale sinusoidale, mentre
è un segnale ad onda quadra. Dal filtro come vedo dal disegno esce un'onda quadra
dove
è la frequenza del segnale originale.
oppure devo ricavare il segnale
.

P.s. Se serve vi autorizzo anche a punirlo fisicamente 

Visitano il forum: Nessuno e 45 ospiti