
Modiche frequenza e transistor inverter 12V
Moderatori:
carloc,
g.schgor,
BrunoValente,
IsidoroKZ
0
voti

"Non farei mai parte di un club che accettasse la mia iscrizione" (G. Marx)
-

claudiocedrone
21,3k 4 7 9 - Master EY

- Messaggi: 15302
- Iscritto il: 18 gen 2012, 13:36
0
voti
0
voti
Con fusibili ritardati, prima della fusione, i finali sono fottuti lo stesso.
Però penso che, con un alimentatore così semplice, sia più probabile che i fusibili intervengano perché i finali sono andati in corto piuttosto che il viceversa.
Ci sarebbe anche il discorso di proteggere gli altoparlanti, ma non vorrei andare troppo lontano
In sostanza metterei fusibili da 8-10A rapidi (F) o, meglio, ultrarapidi (FF).
C'è anche da dire che gli integrati finali sono iperprotetti e forse di fusibili metterei solo quello sul primario, magari scendendo ad 1,6A.
Però penso che, con un alimentatore così semplice, sia più probabile che i fusibili intervengano perché i finali sono andati in corto piuttosto che il viceversa.
Ci sarebbe anche il discorso di proteggere gli altoparlanti, ma non vorrei andare troppo lontano
In sostanza metterei fusibili da 8-10A rapidi (F) o, meglio, ultrarapidi (FF).
C'è anche da dire che gli integrati finali sono iperprotetti e forse di fusibili metterei solo quello sul primario, magari scendendo ad 1,6A.
-

FedericoSibona
5.022 3 5 8 - Master

- Messaggi: 3951
- Iscritto il: 19 mar 2013, 11:43
0
voti
Ricapitolando, sul primario, fusibili da 1,6 penso di averne di tipo standard. Sul secondario ne ho da 8 A ultrarapidi. Per la protezione delle casse ho comprato una piccola schedina che oltre all'antibump ha anche la rilevazione della cc, la soglia di intervento è di 3V.
Così dovrebbe andar bene?
Così dovrebbe andar bene?
0
voti
A mio parere non andrei a modificare il tipo di fusibili e lascierei quelli consigliati da Candy. Nel momento della carica dei condensatori elettrolitici all'accensione dell'alimentatore, la corrente che passa in essi e di conseguenza nei fusibili è molto alta, quindi è molto facile che fusibili rapidi o ultrarapidi intervengano.
Stefano
Stefano
-

stefanodelfiore
1.673 3 8 - Master

- Messaggi: 569
- Iscritto il: 28 mar 2009, 20:15
- Località: Bologna
0
voti
A questo punto aggiungo che elettrolitici da 10000 uF sono componenti comuni (ergo, un condensatore per ramo senza tanti parallelamenti

"Non farei mai parte di un club che accettasse la mia iscrizione" (G. Marx)
-

claudiocedrone
21,3k 4 7 9 - Master EY

- Messaggi: 15302
- Iscritto il: 18 gen 2012, 13:36
0
voti
Nell'interesse dell'OP sarebbe intelligente postare lo schema corretto, come si crede meglio, spiegando il perché delle modifiche. Inutile scrivere valanghe di parole se uno schema grafico rappresenta meglio la soluzione.
-

Candy
32,5k 7 10 13 - CRU - Account cancellato su Richiesta utente
- Messaggi: 10123
- Iscritto il: 14 giu 2010, 22:54
0
voti
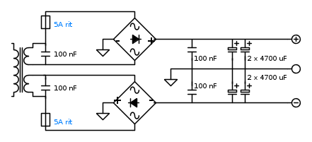
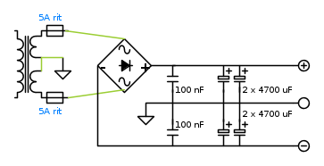
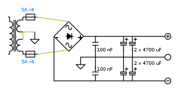
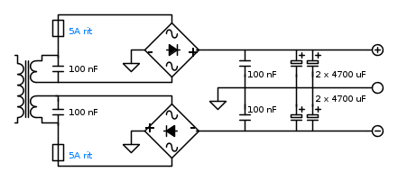
mmmm, che ne dici di una cosa così.
livello perversione= burocrate italiano. a parte gli scherzi, questo schema può essere migliore ripartendo il carico su due ponti ed aggiungendo un condensatore prima del ponte, o è comunque migliore questo sotto.
il secondo si lo si può definire utilizzabile e definitivo?
livello perversione= burocrate italiano. a parte gli scherzi, questo schema può essere migliore ripartendo il carico su due ponti ed aggiungendo un condensatore prima del ponte, o è comunque migliore questo sotto.
il secondo si lo si può definire utilizzabile e definitivo?
Chi c’è in linea
Visitano il forum: Nessuno e 198 ospiti

Elettrotecnica e non solo (admin)
Un gatto tra gli elettroni (IsidoroKZ)
Esperienza e simulazioni (g.schgor)
Moleskine di un idraulico (RenzoDF)
Il Blog di ElectroYou (webmaster)
Idee microcontrollate (TardoFreak)
PICcoli grandi PICMicro (Paolino)
Il blog elettrico di carloc (carloc)
DirtEYblooog (dirtydeeds)
Di tutto... un po' (jordan20)
AK47 (lillo)
Esperienze elettroniche (marco438)
Telecomunicazioni musicali (clavicordo)
Automazione ed Elettronica (gustavo)
Direttive per la sicurezza (ErnestoCappelletti)
EYnfo dall'Alaska (mir)
Apriamo il quadro! (attilio)
H7-25 (asdf)
Passione Elettrica (massimob)
Elettroni a spasso (guidob)
Bloguerra (guerra)


