Salve
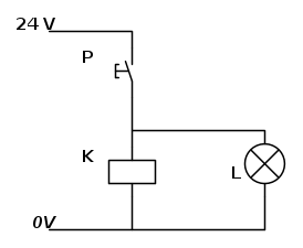
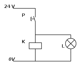
in figura un relè pilotato da un pulsante con una spia luminosa. E' lecito questo collegamento? In tutti gli schemi che ho visto fino ad ora si preferisce utilizzare un contatto separato per la spia luminosa.
Spia luminosa
Moderatori:
dimaios,
carlomariamanenti
7 messaggi
• Pagina 1 di 1
0
voti
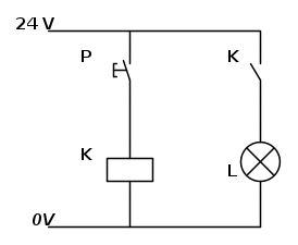
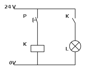
Io credo che dipenda dall'interpretazione del cablaggio che si voglia dare e dal tipo di lampada che si considera, se si tratta di una semplice spia di indicazione di stato del relè può essere alimentata in derivazione dalla bobina senza alcun problema, mentre se la lampada ha una funzione diversa e/o un assorbimento diverso o a maggior ragione è una lampada di illuminazione in tal caso direi che sia corretto utilizzare un contatto del relè, in linea di principio così..
PS. per i disegni e schemi si consiglia l'utilizzo di fidocadj, un software semplice ed utile oltrechè potente e che non richiede installazione, le info sono tutte alla voce Help del menu a tendina in alto.
PS. per i disegni e schemi si consiglia l'utilizzo di fidocadj, un software semplice ed utile oltrechè potente e che non richiede installazione, le info sono tutte alla voce Help del menu a tendina in alto.
0
voti
0
voti
magoxax ha scritto:Dipende dal "grado di certezza" ...
in questo senso si potrebbe anche considerare la condizione che si vuole monitorare con la lampda spia, ovvero con la prima soluzione (indicatore luminoso in derivazione sulla bobina) alla sua accensione so per certo che il comando e quindi il 24 V ai capi della bobina è presente, mentre con la seconda soluzione (indicatore luminoso alimentato da contatto ausiliario del relè) so per certo che il relè è in funzione ovvero è eccitato ...
Fermo restando che ai fini pratici, direi che la prima soluzione, sia quella più semplice:
-indicatore acceso=tensione ai capi della bobina presente.
1
voti
Mi sa che un motivo ragionato non c'è. Ammesso che la domanda si riferisca alla reale rappresentazione, senza ulteriori condizioni omesse, ma utili, la classica spia può tranquillamente essere posta in parallelo alla bobina.
A me piace però osservare che, se lo schema rappresenta una situazione "semplice", la pratica non è così. Quello schema non è reale rappresentazione della realtà, (quella che sto immaginnado io). Normalmente il relè è montato su una plancia di un quadro, la spia invece su un sinottico. I comuni usati sono diversi da quelli che rappresenta lo schema. Se i relè e le spie sono molte, come si faceva una volta, e il comune dello 0 V tra plancia e sinottico si interrompe, quella soluzione "semplicistica", innesca circolazioni di correnti e fenomeni tra i relè molto bizzarri.
Io NON LO SO, ma se volessi trovare una ragione, direi che i vecchi dopo aver sudato parecchio per riparare simili guasti, hanno preferito indirizzare i giovani sull'uso di un contatto pulito anche per le lampade del sinottico.
A me piace però osservare che, se lo schema rappresenta una situazione "semplice", la pratica non è così. Quello schema non è reale rappresentazione della realtà, (quella che sto immaginnado io). Normalmente il relè è montato su una plancia di un quadro, la spia invece su un sinottico. I comuni usati sono diversi da quelli che rappresenta lo schema. Se i relè e le spie sono molte, come si faceva una volta, e il comune dello 0 V tra plancia e sinottico si interrompe, quella soluzione "semplicistica", innesca circolazioni di correnti e fenomeni tra i relè molto bizzarri.
Io NON LO SO, ma se volessi trovare una ragione, direi che i vecchi dopo aver sudato parecchio per riparare simili guasti, hanno preferito indirizzare i giovani sull'uso di un contatto pulito anche per le lampade del sinottico.
-

Candy
32,5k 7 10 13 - CRU - Account cancellato su Richiesta utente
- Messaggi: 10123
- Iscritto il: 14 giu 2010, 22:54
0
voti
Avallo in pieno!
Esistono i contatti ausiliari, e` bene usarli e poi come gia` detto, in questo modi si ha anche il reale riscontro dello stato del rele`.
Esistono i contatti ausiliari, e` bene usarli e poi come gia` detto, in questo modi si ha anche il reale riscontro dello stato del rele`.
Ognuno sta solo sul cuor della terra
trafitto da un raggio di sole:
ed è subito sera
Salvatore Quasimodo
trafitto da un raggio di sole:
ed è subito sera
Salvatore Quasimodo
0
voti
Candy ha scritto:Quello schema non è reale rappresentazione della realtà,...
l'intento era quello di considerare uno schema di principio, vien da se che poi nella realizzazione pratica si dovranno porre le giuste considerazioni,sia per il tipo di collegamento più consono al cablaggio che alla realizzazione nonchè al tipo di indicatore luminoso che si vorrà utilizzare.
7 messaggi
• Pagina 1 di 1
Torna a Automazione industriale ed azionamenti
Chi c’è in linea
Visitano il forum: Nessuno e 18 ospiti

Elettrotecnica e non solo (admin)
Un gatto tra gli elettroni (IsidoroKZ)
Esperienza e simulazioni (g.schgor)
Moleskine di un idraulico (RenzoDF)
Il Blog di ElectroYou (webmaster)
Idee microcontrollate (TardoFreak)
PICcoli grandi PICMicro (Paolino)
Il blog elettrico di carloc (carloc)
DirtEYblooog (dirtydeeds)
Di tutto... un po' (jordan20)
AK47 (lillo)
Esperienze elettroniche (marco438)
Telecomunicazioni musicali (clavicordo)
Automazione ed Elettronica (gustavo)
Direttive per la sicurezza (ErnestoCappelletti)
EYnfo dall'Alaska (mir)
Apriamo il quadro! (attilio)
H7-25 (asdf)
Passione Elettrica (massimob)
Elettroni a spasso (guidob)
Bloguerra (guerra)







