Cos'è ElectroYou | Login Iscriviti

ElectroYou - la comunità dei professionisti del mondo elettrico

Transistor e LED

Elettronica lineare e digitale: didattica ed applicazioni

Moderatori: Foto Utentecarloc, Foto Utenteg.schgor, Foto UtenteBrunoValente, Foto UtenteIsidoroKZ

1
voti

[11] Re: Transistor e LED

Messaggioda Foto Utenteclaudiocedrone » 7 set 2013, 2:15

:-) La tua domanda non si ripete affatto, prima hai chiesto come far saturare un transistor e ora come far lampeggiare un led... comunque con un transistor, un led e un condensatore dubito si possa fare un circuito lampeggiatore, direi che manca qualche altro componente :roll: :mrgreen: O_/
P.s. La legge del povero Ohm vale sempre e comunque tranne nei casi in cui non è applicabile...
studia !
"Non farei mai parte di un club che accettasse la mia iscrizione" (G. Marx)
Avatar utente
Foto Utenteclaudiocedrone
21,3k 4 7 9
Master EY
Master EY
 
Messaggi: 15303
Iscritto il: 18 gen 2012, 13:36

1
voti

[12] Re: Transistor e LED

Messaggioda Foto Utentemrc » 7 set 2013, 10:16

cech12 ha scritto:...usando un condensatore un transistor come faccio lampeggiare un led?

Come ti ha risposto, giustamente, Foto Utenteclaudiocedrone, con un solo transistor e un solo condensatore non riesci a far lampeggiare nessun led.
Per ottenere il lampeggio devi avere un circuito che oscilla ad onda quadra e per ottenere ciò occorre aggiungere altri componenti.

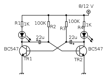
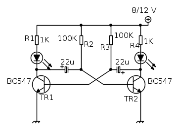
Ad esempio, con due transistor, due condensatori elettrolitici e qualche resistenza puoi costruire il seguente circuito:



Si tratta di un "multivibratore astabile a transistor ( BJT )", con il quale si può far lampeggiare uno o due led.

TR1, TR2 possono essere sostituiti da transistor equivalenti.
Con il circuito di cui sopra si ottiene circa un lampeggio al secondo.
Variando il valore delle due capacità si può variare il tempo del lampeggio.
Avatar utente
Foto Utentemrc
10,5k 6 11 13
Expert EY
Expert EY
 
Messaggi: 4023
Iscritto il: 16 apr 2009, 9:32

0
voti

[13] Re: Transistor e LED

Messaggioda Foto Utentecech12 » 8 set 2013, 15:32

su un altro sito ho trovato un circuito con un condensatore una batteria e un npn a cui avevano tagliato la base
Ultima modifica di Foto Utentemarco438 il 8 set 2013, 15:33, modificato 1 volta in totale.
Motivazione: Eliminato quoting inutile; usa il tasto rispondi
Avatar utente
Foto Utentecech12
0 3
 
Messaggi: 9
Iscritto il: 4 set 2013, 12:19

0
voti

[14] Re: Transistor e LED

Messaggioda Foto Utentemarco438 » 8 set 2013, 15:34

Posta lo schema disegnato con FidoCadJ, cosi' lo vediamo tutti.
marco
Avatar utente
Foto Utentemarco438
37,1k 7 11 13
-EY Legend-
-EY Legend-
 
Messaggi: 16323
Iscritto il: 24 mar 2010, 15:09
Località: Versilia

0
voti

[15] Re: Transistor e LED

Messaggioda Foto Utentecech12 » 8 set 2013, 16:25

marco438 ha scritto:Posta lo schema disegnato con FidoCadJ, cosi' lo vediamo tutti.

Immagine
la resistenza e il npn li devo vedere sul sito,a parte questo il disegno è quello.(l'ho postato com'è sul sito stesso)
Avatar utente
Foto Utentecech12
0 3
 
Messaggi: 9
Iscritto il: 4 set 2013, 12:19

0
voti

[16] Re: Transistor e LED

Messaggioda Foto Utentemarco438 » 8 set 2013, 16:27

marco438 ha scritto:Posta lo schema disegnato con FidoCadJ, cosi' lo vediamo tutti.
marco
Avatar utente
Foto Utentemarco438
37,1k 7 11 13
-EY Legend-
-EY Legend-
 
Messaggi: 16323
Iscritto il: 24 mar 2010, 15:09
Località: Versilia

0
voti

[17] Re: Transistor e LED

Messaggioda Foto Utentemrc » 8 set 2013, 16:33

Al seguente link trovi una guida per l' uso di FIDOCADJ:

http://www.electroyou.it/elettrodomus/w ... -per-tonni


Inoltre ti ricordo che le immagini da server esterni non sono ammesse.
Le immagini vanno allegate direttamente ai post, con una dimensione massima di 640X480 ( 500KB ).
Avatar utente
Foto Utentemrc
10,5k 6 11 13
Expert EY
Expert EY
 
Messaggi: 4023
Iscritto il: 16 apr 2009, 9:32

0
voti

[18] Re: Transistor e LED

Messaggioda Foto Utentestefanob70 » 8 set 2013, 18:58

Scusa cech12 a parte dove li trovi questi schemi?,io non ho mai visto una cosa del genere :shock: .
Poi eliminare la base da un BJT e' una cosa da fantascienza.
ƎlectroYou
Avatar utente
Foto Utentestefanob70
14,1k 5 11 13
Master EY
Master EY
 
Messaggi: 3190
Iscritto il: 14 lug 2012, 13:14
Località: Roma

1
voti

[19] Re: Transistor e LED

Messaggioda Foto UtenteIsidoroKZ » 9 set 2013, 7:45

Si fa, si fa. Il circuito sfrutta il fenomeno che si ha quando si supera la massima tensione inversa collettore emettitore con la base aperta e la polarizzazione a rovescio. Tipicamente verso i 10V il transistore va in conduzione e presenta un fenomeno di resistenza negativa. Molti transistori si comportano in questo modo, ma non tutti.

La stessa cosa capita in polarizzazione diretta: qui pero` il numero di transistori che va in valanga con resistenza negativa e` piu` basso, ma ce ne sono.

Se n'era gia` parlato qui viewtopic.php?f=1&t=22168 e mi pare anche da altre parti.
Per usare proficuamente un simulatore, bisogna sapere molta più elettronica di lui
Plug it in - it works better!
Il 555 sta all'elettronica come Arduino all'informatica! (entrambi loro malgrado)
Se volete risposte rispondete a tutte le mie domande
Avatar utente
Foto UtenteIsidoroKZ
121,2k 1 3 8
G.Master EY
G.Master EY
 
Messaggi: 21059
Iscritto il: 17 ott 2009, 0:00

0
voti

[20] Re: Transistor e LED

Messaggioda Foto Utentestefanob70 » 9 set 2013, 9:00

Non ho mai visto una configurazione del genere.
Mi chiedo anche se da un punto di vista funzionale sia altrettanto affidabile nel tempo.
ƎlectroYou
Avatar utente
Foto Utentestefanob70
14,1k 5 11 13
Master EY
Master EY
 
Messaggi: 3190
Iscritto il: 14 lug 2012, 13:14
Località: Roma

PrecedenteProssimo

Torna a Elettronica generale

Chi c’è in linea

Visitano il forum: Google [Bot] e 247 ospiti