Si, direi 2 batterie da 12V (non capisco la variante con 555...)
Scusa, a scanso di equivoci devo rettificare quanto detto al post[24]:
Il 555 serve in ogni caso per dare la necessaria temporizzazione
della sequenza (quindi fa parte dello schema complessivo).
Sensore battimani
40 messaggi
• Pagina 4 di 4 • 1, 2, 3, 4
0
voti
Va benissimo 
La soluzione che dicevo io con l'NE555 è questa:
http://www.grix.it/viewer.php?page=1764&bakto=%2Fshowpages.php%3Fnavipage%3D271

La soluzione che dicevo io con l'NE555 è questa:
http://www.grix.it/viewer.php?page=1764&bakto=%2Fshowpages.php%3Fnavipage%3D271
0
voti
Ho realizzato il circuito del post [20] su breadboard, ma credo ci sia un problema.
Per simulare l'impulso, ho posto il pin7 a positivo e per testare lo stato dell'uscita ho posto un led con il polo negativo verso il collettore del transistor e il polo positivo al polo positivo generale (interponendo una resistenza ovviamente).
Il led rimane perennemente acceso, anche quando periodicamente collego il pin7 al positivo per simulare gli impulsi.
Per simulare l'impulso, ho posto il pin7 a positivo e per testare lo stato dell'uscita ho posto un led con il polo negativo verso il collettore del transistor e il polo positivo al polo positivo generale (interponendo una resistenza ovviamente).
Il led rimane perennemente acceso, anche quando periodicamente collego il pin7 al positivo per simulare gli impulsi.
0
voti
Rispolvero questo thread fermo ormai da tempo perché sono interessato all'argomento in questione.
Chiedo perciò al sig. Schgor una supervisione del circuito disegnato con fidocad in base alle indicazioni che ha dato nei post precedenti:
e che tipo di microfono può essere impiegato al posto di J1.
Grazie per l'attenzione.
Saluti
Chiedo perciò al sig. Schgor una supervisione del circuito disegnato con fidocad in base alle indicazioni che ha dato nei post precedenti:
e che tipo di microfono può essere impiegato al posto di J1.
Grazie per l'attenzione.
Saluti
-

machopicho
16 7 - Frequentatore

- Messaggi: 114
- Iscritto il: 11 feb 2013, 19:29
0
voti
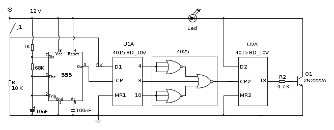
Per evitare equivoci, due osservazioni:
-Il LED indicato nello schema si intende una lampada
alimentabile direttamente a 12V
-J1 è un pulsante di prova per verificare se il circuito
riconosce la sequenza stabilita (suono-pausa-suono)
per l'accensione e lo spegnimento della lampada suddetta.
Il circuito complessivo richiede di mettere al posto di J1
un rilevatore di suoni (non basta il solo microfono)
-Il LED indicato nello schema si intende una lampada
alimentabile direttamente a 12V
-J1 è un pulsante di prova per verificare se il circuito
riconosce la sequenza stabilita (suono-pausa-suono)
per l'accensione e lo spegnimento della lampada suddetta.
Il circuito complessivo richiede di mettere al posto di J1
un rilevatore di suoni (non basta il solo microfono)
0
voti
Quindi, se ho capito bene, dovrei aggiungere questo circuito

utilizzando al posto di J1 il contatto aperto del relè?
E se invece di una lampada a 12V vorrei utilizzare una da 220 V?
Grazie per l'attenzione.


utilizzando al posto di J1 il contatto aperto del relè?
E se invece di una lampada a 12V vorrei utilizzare una da 220 V?
Grazie per l'attenzione.

-

machopicho
16 7 - Frequentatore

- Messaggi: 114
- Iscritto il: 11 feb 2013, 19:29
0
voti
Ok, la ringrazio.
E' stato esauriente.... come sempre del resto!
Se avrò dubbi o problemi non esiterò a ricontattarla.

E' stato esauriente.... come sempre del resto!
Se avrò dubbi o problemi non esiterò a ricontattarla.

-

machopicho
16 7 - Frequentatore

- Messaggi: 114
- Iscritto il: 11 feb 2013, 19:29
0
voti
Buongiorno,
sono una nuova utente del forum e sono interessata all'argomento trattato in questo thread.
Ho letto con attenzione i messaggi precedenti per la realizzazione del sensore battimani e mi sembra che il circuito finale sia "pieno" di componenti.
Ho trovato in internet questo articolo:
http://otacon22.com/2009/05/01/sistema-di-rilevamento-battito-mani-altri-rumori/
dove vi è anche un video che illustra il funzionamento del circuito.
Vorrei sapere dagli esperti, se è possibile ottenere lo stesso risultato descritto sostituendo il controllo del PC che monitorizza il programma, con il controllo di un PIC adeguatamente programmato.
Grazie, spero di ricevere qualche risposta.
Saluti
sono una nuova utente del forum e sono interessata all'argomento trattato in questo thread.
Ho letto con attenzione i messaggi precedenti per la realizzazione del sensore battimani e mi sembra che il circuito finale sia "pieno" di componenti.
Ho trovato in internet questo articolo:
http://otacon22.com/2009/05/01/sistema-di-rilevamento-battito-mani-altri-rumori/
dove vi è anche un video che illustra il funzionamento del circuito.
Vorrei sapere dagli esperti, se è possibile ottenere lo stesso risultato descritto sostituendo il controllo del PC che monitorizza il programma, con il controllo di un PIC adeguatamente programmato.
Grazie, spero di ricevere qualche risposta.
Saluti
0
voti
Direi che è evidente che con un PIC si può fare un "sensore battimani"
più sofisticato di quello con componenti logici ma, ovviamente, occorre
saper programmare opportunamente un PIC
La complicazione di un sensore di questo tipo sta infatti nell'interpretare
una data sequenza di suoni, affinché un singolo "rumore" non
interferisca con comandi indesiderati.
più sofisticato di quello con componenti logici ma, ovviamente, occorre
saper programmare opportunamente un PIC
La complicazione di un sensore di questo tipo sta infatti nell'interpretare
una data sequenza di suoni, affinché un singolo "rumore" non
interferisca con comandi indesiderati.
40 messaggi
• Pagina 4 di 4 • 1, 2, 3, 4
Chi c’è in linea
Visitano il forum: Nessuno e 2 ospiti

Elettrotecnica e non solo (admin)
Un gatto tra gli elettroni (IsidoroKZ)
Esperienza e simulazioni (g.schgor)
Moleskine di un idraulico (RenzoDF)
Il Blog di ElectroYou (webmaster)
Idee microcontrollate (TardoFreak)
PICcoli grandi PICMicro (Paolino)
Il blog elettrico di carloc (carloc)
DirtEYblooog (dirtydeeds)
Di tutto... un po' (jordan20)
AK47 (lillo)
Esperienze elettroniche (marco438)
Telecomunicazioni musicali (clavicordo)
Automazione ed Elettronica (gustavo)
Direttive per la sicurezza (ErnestoCappelletti)
EYnfo dall'Alaska (mir)
Apriamo il quadro! (attilio)
H7-25 (asdf)
Passione Elettrica (massimob)
Elettroni a spasso (guidob)
Bloguerra (guerra)



