Cos'è ElectroYou | Login Iscriviti

ElectroYou - la comunità dei professionisti del mondo elettrico

Resistenza per LED in serie

Circuiti, campi elettromagnetici e teoria delle linee di trasmissione e distribuzione dell’energia elettrica

Moderatori: Foto Utenteg.schgor, Foto UtenteIsidoroKZ

0
voti

[11] Re: Resistenza per led in serie

Messaggioda Foto Utentemir » 22 set 2013, 12:53

calida82 ha scritto:L'alimentazione di chi dispongo è quella di un automobile quindi 12 V (variabili)...

poiché l'alimentazione deve avere un valore di tensione definito credo che un primo aspetto da valutare è la necessità di "stabilizzare" la tensione necessaria ad alimentare i diodi led (ed anche il circuito NE555) considerando si il valor edi tensione che si vuole utilizzare, ma anche l'assorbimento complessivo di tutto il sistema.
Avatar utente
Foto Utentemir
66,0k 9 12 13
G.Master EY
G.Master EY
 
Messaggi: 21870
Iscritto il: 19 ago 2004, 21:10

0
voti

[12] Re: Resistenza per led in serie

Messaggioda Foto UtenteFedericoSibona » 22 set 2013, 13:43

Beh, sarebbe stato meglio spiegare subito cosa si intendeva fare, da quel che hai detto avevo capito che volessi alimentare i LED ad impulsi di frequenza tale da vedere da essi una luce continua (persistenza dell'immagine sulla retina), non un impianto strobo.
Se è così mi ritiro, per queste cose (impianto strobo in auto) mi considero vecchio, non anziano, lascio la parola ai giovani :mrgreen:
Avatar utente
Foto UtenteFedericoSibona
5.022 3 5 8
Master
Master
 
Messaggi: 3951
Iscritto il: 19 mar 2013, 11:43

0
voti

[13] Re: Resistenza per led in serie

Messaggioda Foto Utentecalida82 » 22 set 2013, 15:50

non ho ancora realizzato nessuna schema perche prima ho bisogno di qualche consiglio,
visto che la tensione in auto è molto variabile giustamente mi avete sconsigliato l'uso di resistenze per alimentare i led, ora per procedere come devo comportami?
devo stabilizzare a 12v la tensione che arriva dall'auto e poi usare i 12v stabilizzati per l'intero circuito ed alimentare i led con la resistenza? però se faccio il calcolo 10 serie da 3 led con 500mA fanno 5A... per utilizzare il 7812 mi pare di capire che devo avere tensioni ben superiori ai 12v che in auto non sono sempre disponibili...
stavo pensado di procedere in questo modo:
utilizzerei un ne555 per genarare gli impulsi per comandare un transistor,
all'uscita del transistor per ogni serie di led utilizzerei un lm317 per stabilizzare a 500mA la corrente di ogni serie
quindi per 10 serie 10 lm317.
ora domando gli lm317 possono lavorare in questo modo? nel senso stando all'uscita del transistor anch'essi come i led lavorebbero ad impulsi e non so se questo sia possibile

potrei procedere in questo modo o c'è un'altra soluzione che mi permetta di usare meno componenti?
se predessi questa via che transtor dovrei utilizzare?
Avatar utente
Foto Utentecalida82
35 1 7
Frequentatore
Frequentatore
 
Messaggi: 138
Iscritto il: 11 set 2013, 14:52

0
voti

[14] Re: Resistenza per led in serie

Messaggioda Foto Utentemarco438 » 22 set 2013, 16:50

Premesso che siamo ancora in attesa del datasheet dei led, chiariamo un po' le cose:
1. Se si deve stabilizzare la tensione dell'auto, visto il carico, e' impossibile usare dei comuni regolatori (sarebbe un'inutile spreco di energia) quindi opterei per qualcosa di questo genere.
2. Se vuoi che i led lampeggino, a parte i dati gia richiesti quattro volte, occorre conoscere le frequenze di oscillazione ed il duty cicke che intendi usare.
3. Per l'alimentazione dei led sarebbe meglio servirsi di driver ma, se vuoi adoperare gli lm317, dovrai usarli in configurazione generatore di corrente costante e munirli di adeguati dissipatori.
Restiamo in attesa di tue notizie, ma sopratutto dei dati richiesti :mrgreen:
marco
Avatar utente
Foto Utentemarco438
37,1k 7 11 13
-EY Legend-
-EY Legend-
 
Messaggi: 16323
Iscritto il: 24 mar 2010, 15:09
Località: Versilia

0
voti

[15] Re: Resistenza per LED in serie

Messaggioda Foto UtenteFedericoSibona » 22 set 2013, 18:46

Ma usare LED strip tipo queste: http://www.ebay.it/sch/i.html?_odkw=led ... r&_sacat=0
Quei LED (5630) sono solo 0,3W, ma ti assicuro che sono molto luminosi, ce ne sono 60 in 1m e sono già previsti per funzionare con i 12V dell'auto. Hai solo da collegarli alla batteria od all'accendisigari ;-)
Avatar utente
Foto UtenteFedericoSibona
5.022 3 5 8
Master
Master
 
Messaggi: 3951
Iscritto il: 19 mar 2013, 11:43

0
voti

[16] Re: Resistenza per LED in serie

Messaggioda Foto Utentecalida82 » 23 set 2013, 8:24

Il datasheet dei led non ce l'ho ancora perché dove li ho comprati non c'è quindi sto aspettando che mi arrivino per vedere bene il modello, io per adesso ho visto il datasheet di un led che a vederlo sembra uguale ma ne avrò la certezza solo dopo che me li avranno consegnati. Per la fraquenza di lampeggio e dutycycle intendo usare 2 potenziometri al posto delle 2 resistenze in modo da poterlo variare e meglio regolare alle mie esigenze...
Avatar utente
Foto Utentecalida82
35 1 7
Frequentatore
Frequentatore
 
Messaggi: 138
Iscritto il: 11 set 2013, 14:52

0
voti

[17] Re: Resistenza per LED in serie

Messaggioda Foto Utentecalida82 » 25 set 2013, 1:20

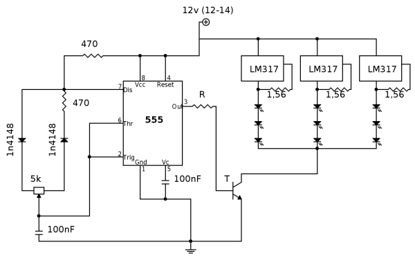
Eccomi di nuovo, mi ci è voluto un po ma ho dovuto cambiare un po di cose perche ho dovuto prendere altri led in quanto il negozio aveva terminato gli altri. Ho ordinato 20 led 1w Winger wepw1-s1 6500k. Ho preparato anche uno schema che spero sia corretto, ho preso spunto da uno schema trovato in rete e ci ho aggiunto la parte per alimentare i led. Allego lo schema.
schema.png
schema.png (26.23 KiB) Osservato 6000 volte

Non sono molto pratico di elettronica quindi avrei bisogno prima di tutto di sapere se lo shema è corretto, nel senso se è possibile utilizzare l'LM317 come regolatore di corrente e poi fornire la massa ad impulsi con il transistor per creare i lampi. LM317 puo lavorare cosi oppure tramite transistor devo fornire i12v a monte del LM317 e tenere fissa la massa (in modo da lavorare come se spegnessi e riaccendessi LM317)?
Altra domanda, se lo schema così com'è va bene che transistor devo usare considerando che alimentando ad impulsi di 800mA per serie ho un assorbimento totale di 2,4A?(indicatemi un modello preciso che possa girare al negoziante quando vado a comprare i componenti) e che resistenza devo usare tra il piedino 3 del 555 e il transistor?
I 2 condensatori da 100nF da quanti volt devono essere?
Ultima cosa con il trim presente nello schema vado a variare il duty cicle ossia il tempo in cui i led sono accesi e di conseguenza il tempo in cui sono spenti, se volessi poter regolare anche la frequenza dovrei mettere un potenziometro in serie alla resistenza prima resistenza da 470ohm giusto?
Ultima modifica di Foto Utentemarco438 il 25 set 2013, 8:22, modificato 1 volta in totale.
Motivazione: Ridimensionata immagine. Usa FidocadJ
Avatar utente
Foto Utentecalida82
35 1 7
Frequentatore
Frequentatore
 
Messaggi: 138
Iscritto il: 11 set 2013, 14:52

0
voti

[18] Re: Resistenza per LED in serie

Messaggioda Foto Utenteclaudiocedrone » 25 set 2013, 2:56

?% Che è quel lenzuolo :?: Le immagini devono essere di dimensioni ragionevoli e inoltre gli schemi elettrici vanno disegnati con FidoCADJ... leggi le "regole del forum" per favore.
"Non farei mai parte di un club che accettasse la mia iscrizione" (G. Marx)
Avatar utente
Foto Utenteclaudiocedrone
21,3k 4 7 9
Master EY
Master EY
 
Messaggi: 15300
Iscritto il: 18 gen 2012, 13:36

0
voti

[19] Re: Resistenza per LED in serie

Messaggioda Foto Utentecalida82 » 25 set 2013, 8:31

ecco lo schema ieri ero su un tablet e non potevo aprire fidocadj avevo solo l'immagine esportata.


Ora lo schema l'ho postato, i led ho specificato quali sono ossia winger wepw1-s1 6500k 1w
Spero adesso che qualcuno sappia darmi delle risposte a queste domande.
Non sono molto pratico di elettronica quindi avrei bisogno prima di tutto di sapere se lo shema è corretto, nel senso se è possibile utilizzare l'LM317 come regolatore di corrente e poi fornire la massa ad impulsi con il transistor per creare i lampi. LM317 puo lavorare cosi oppure tramite transistor devo fornire i12v a monte del LM317 e tenere fissa la massa (in modo da lavorare come se spegnessi e riaccendessi LM317)?
Altra domanda, se lo schema così com'è va bene che transistor devo usare considerando che alimentando ad impulsi di 800mA per serie ho un assorbimento totale di 2,4A?(indicatemi un modello preciso che possa girare al negoziante quando vado a comprare i componenti) e che resistenza devo usare tra il piedino 3 del 555 e il transistor?
I 2 condensatori da 100nF da quanti volt devono essere?
Ultima cosa con il trim presente nello schema vado a variare il duty cicle ossia il tempo in cui i led sono accesi e di conseguenza il tempo in cui sono spenti, se volessi poter regolare anche la frequenza dovrei mettere un potenziometro in serie alla resistenza prima resistenza da 470ohm giusto?
Avatar utente
Foto Utentecalida82
35 1 7
Frequentatore
Frequentatore
 
Messaggi: 138
Iscritto il: 11 set 2013, 14:52

0
voti

[20] Re: Resistenza per LED in serie

Messaggioda Foto Utentemarco438 » 25 set 2013, 8:33

calida82 ha scritto:Ho preparato anche uno schema che spero sia corretto, ho preso spunto da uno schema trovato in rete e ci ho aggiunto la parte per alimentare i led. Allego lo schema.

Prima di tutto chiariamo che e' inutile disegnare lo schema in fidocadj e poi postarlo come immagine; in tal modo chi interviene non puo' modificarlo e correggerlo. Quindi leggi bene le istruzioni e postalo come si deve.
Per quanto riguarda il 555, hai disegnato lo schema di un PWM, circuito che serve a regolare la luminosita' dei led ma non a farli lampeggiare; il collegamento tra gli LM317 ed i led e' sbagliato e si dovra' rivedere anche la tensione se si vogliono ottenere 800mA.
E' inutile perdere tempo a cercare in rete se non si sa cosa cercare :D
Ora pensa a quanto ho scritto e vedi di " migliorare" quello che hai fatto fino ad ora sulla base dei suggerimenti avuti.

P.S. I messaggi si sono accavallati, comunque la risposta e' valida.
marco
Avatar utente
Foto Utentemarco438
37,1k 7 11 13
-EY Legend-
-EY Legend-
 
Messaggi: 16323
Iscritto il: 24 mar 2010, 15:09
Località: Versilia

PrecedenteProssimo

Torna a Elettrotecnica generale

Chi c’è in linea

Visitano il forum: Nessuno e 70 ospiti