Cos'è ElectroYou | Login Iscriviti

ElectroYou - la comunità dei professionisti del mondo elettrico

Esercizio di elettrotecnica - leggi di Kirchhoff

Circuiti, campi elettromagnetici e teoria delle linee di trasmissione e distribuzione dell’energia elettrica

Moderatori: Foto Utenteg.schgor, Foto UtenteIsidoroKZ

2
voti

[1] Esercizio di elettrotecnica - leggi di Kirchhoff

Messaggioda Foto Utenteghoulsnghosts » 14 ott 2013, 11:03

Buongiorno, ho da poco iniziato a studiare elettrotecnica e ho trovato difficoltà già negli esercizi iniziali. Ho solo qualche base di matematica e fisica, ma niente di speciale.Inizio a postare qualcosa, ringraziando in anticipo gli utenti per qualsiasi aiuto.

L'argomento che sto affrontando è la risoluzione di circuiti lineari tramite le leggi di Kirchhoff, il teorema di Millman, la sovrapposizione degli effetti, i generatori equivalenti di Thevenin e Norton.

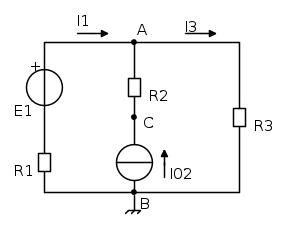
Ad esempio, della rete in figura:


si chiede di calcolare le correnti I_1 e I_3 e le tensioni V_{AB} e V_{CB}.

Per applicare le leggi di Kirchhoff,credo di dover scrivere 4 equazioni , di cui 2 per le correnti e 2 per le tensioni, e risolvere il sistema di 4 equazioni con 4 incognite. Però ho un dubbio che mi blocca subito:
Il punto C viene indicato come un nodo della rete, ma per quello che so io, un nodo è tale se collega più di due bipoli, mentre nel punto C arrivano solo due bipoli : un resistore R_2 e un generatore di corrente I_{02}.
Ma il punto C è un nodo della rete?

Grazie.
Avatar utente
Foto Utenteghoulsnghosts
85 4
 
Messaggi: 31
Iscritto il: 7 giu 2013, 19:46

0
voti

[2] Re: Esercizio di elettrotecnica - leggi di Kirchhoff

Messaggioda Foto Utenteangus » 14 ott 2013, 11:10

Se puoi scegliere, sembra fatto apposta per Millman ;-)

edit: Perché 4 incognite?
in /dev/null no one can hear you scream
Avatar utente
Foto Utenteangus
8.475 4 6 9
G.Master EY
G.Master EY
 
Messaggi: 4168
Iscritto il: 20 giu 2008, 17:25

2
voti

[3] Re: Esercizio di elettrotecnica - leggi di Kirchhoff

Messaggioda Foto Utenteghoulsnghosts » 14 ott 2013, 11:57

Grazie per la risposta angus :-P
Ma il teorema di Millman non si applica solo alle reti con due nodi?
Avatar utente
Foto Utenteghoulsnghosts
85 4
 
Messaggi: 31
Iscritto il: 7 giu 2013, 19:46

1
voti

[4] Re: Esercizio di elettrotecnica - leggi di Kirchhoff

Messaggioda Foto Utenteangus » 14 ott 2013, 12:15

ghoulsnghosts ha scritto:Ma il teorema di Millman non si applica solo alle reti con due nodi?

Perché tu quanti ne vedi?
in /dev/null no one can hear you scream
Avatar utente
Foto Utenteangus
8.475 4 6 9
G.Master EY
G.Master EY
 
Messaggi: 4168
Iscritto il: 20 giu 2008, 17:25

3
voti

[5] Re: Esercizio di elettrotecnica - leggi di Kirchhoff

Messaggioda Foto UtenteRenzoDF » 14 ott 2013, 16:07

ghoulsnghosts ha scritto: ... Per applicare le leggi di Kirchhoff,credo di dover scrivere 4 equazioni , di cui 2 per le correnti e 2 per le tensioni, e risolvere il sistema di 4 equazioni con 4 incognite.

Certo, puoi anche scriverne 4; aspettiamo il sistema.

ghoulsnghosts ha scritto: Però ho un dubbio che mi blocca subito: Il punto C viene indicato come un nodo della rete, ma per quello che so io, un nodo è tale se collega più di due bipoli, mentre nel punto C arrivano solo due bipoli

In via generale, nulla vieta di considere C un nodo, così come potrebbero essere considerati nodi altri punti della rete (per es. quello intermedio fra E1 e R1, ma anche il morsetto superiore o inferiore di R3) anche se normalmente nello studio delle reti elettriche è consuetudine considerare il grafo associato alla rete nella forma "semi-ridotta", ovvero privato sia dei cappi sia dei nodi nei quali vengano ad incidere meno di tre rami.

Non viene invece generalmente applicata la terza condizione imposta dalla "riduzione" completa, ovvero quella che impone che ogni coppia di nodi distinti sia unita al più da un solo ramo.

Con una tale semplificazione, nella tua rete C viene a perdere la denominazione di nodo, riducendo di una incognita, la I2, e di una KCL il sistema; una ulteriore riduzione può essere convenientemente ottenuta eliminando l'incognita tensione V ai morsetti del GIC e di conseguenza una KVL nel sistema.

In questo modo le incognite rimaste saranno solo due, ovvero le correnti I1 e I3 dei due rami laterali e il sistema sarà ridotto ad una sola KCL associata ad una KVL.

ghoulsnghosts ha scritto:...Ma il teorema di Millman non si applica solo alle reti con due nodi?

Si, ma sottintendendo che la rete sia "semi-ridotta".
Dopo detta riduzione parziale la tua rete passerà da trinodale a binodale (nel senso normale del termine) e sarà quindi applicabile Millman.
"Il circuito ha sempre ragione" (Luigi Malesani)
Avatar utente
Foto UtenteRenzoDF
55,9k 8 12 13
G.Master EY
G.Master EY
 
Messaggi: 13189
Iscritto il: 4 ott 2008, 9:55

4
voti

[6] Re: Esercizio di elettrotecnica - leggi di Kirchhoff

Messaggioda Foto Utenteghoulsnghosts » 16 ott 2013, 12:29

Ho dimenticato di inserire i dati dell'esercizio:
E_1=20V , R_1=50\Omega , I_{02}=0,12A , R_2=15\Omega , R_3=120\Omega.

Con un sistema di due equazioni, una KLC e una KLV posso determinare I_1 e I_3 :

\begin{equation}
   \begin{cases}
   I_1 + I_{02} = I_3\\E_1 = I_1R_1 + I_3R_3
   \end{cases}

\begin{equation}
   \begin{cases}
   I_1 + 0,12 = I_3\\20 = 50I_1 + 120I_3
   \end{cases}

Ricavo: I_3 = 153mA e I_1 = 33mA.

Ora, per determinare la tensione V_{AB}, dovrei applicare Millman, ma ho qualche problema:
Il teorema di Millman, l'ho trovato nel testo, in questa forma:
In una rete binodale, di nodi A e B, la tensione V_{AB} è data da:

V_{AB} = {\sum_{i=1}^n G_iE_i + \sum_{j=1}^m I_{0j}\over{\sum_{q=1}^l G_q}

il cui denominatore è la somma aritmetica delle conduttanze G_q di tutti i lati.
Al numeratore la somma algebrica delle correnti di cortocircuito G_iE_i dei bipoli attivi di tensione più la somma algebrica delle correnti impresse I_{0j} dei bipoli attivi di corrente.

Ora nel caso dell'esercizio, dovrebbe essere (ma non è :cry: ):

V_{AB} = {{{E_1\over R_1} + I_{02}}\over {{1\over R_1} + {1\over R_2} + {1\over R_3}}}

ossia:

V_{AB} = {{{20\over 50} + 0,12}\over {{1\over 50} + {1\over 15} + {1\over 120}}} = 5,47V

mentre il risultato del testo è V_{AB} = 18.36V... #-o

Grazie per l'aiuto.
Avatar utente
Foto Utenteghoulsnghosts
85 4
 
Messaggi: 31
Iscritto il: 7 giu 2013, 19:46

2
voti

[7] Re: Esercizio di elettrotecnica - leggi di Kirchhoff

Messaggioda Foto UtenteRenzoDF » 16 ott 2013, 12:39

ghoulsnghosts ha scritto:... il cui denominatore è la somma aritmetica delle conduttanze G_q di tutti i lati.

Se è scritto in questo modo è sbagliato, a denominatore c'è la somma di tutte le conduttanze equivalenti di lato. ;-) ... e per quanto riguarda il numeratore, bastava dire che è pari alla somma algebrica delle correnti di cortocircuito di lato. (di che libro si tratta?)

Ne segue che per il ramo con il GIC la conduttanza equivalente è nulla e non pari a 1/R2.

Non serve poi usare Kirchhoff se usi Millman (o viceversa), basta successivamente applicare la legge di Ohm generalizzata per calcolare le correnti.

Per esempio

{{I}_{1}}=\frac{{{E}_{1}}-{{V}_{AB}}}{{{R}_{1}}}
"Il circuito ha sempre ragione" (Luigi Malesani)
Avatar utente
Foto UtenteRenzoDF
55,9k 8 12 13
G.Master EY
G.Master EY
 
Messaggi: 13189
Iscritto il: 4 ott 2008, 9:55

1
voti

[8] Re: Esercizio di elettrotecnica - leggi di Kirchhoff

Messaggioda Foto Utenteghoulsnghosts » 16 ott 2013, 13:21

Il Libro è "corso di elettrotecnica ed elettronica" dell'Hoepli, ma credo che il problema sia principalmente il mio nell'interpretare quello che contiene.

Grazie mille, proverò a risolvere con le tue indicazioni.
Avatar utente
Foto Utenteghoulsnghosts
85 4
 
Messaggi: 31
Iscritto il: 7 giu 2013, 19:46

0
voti

[9] Re: Esercizio di elettrotecnica - leggi di Kirchhoff

Messaggioda Foto Utenteghoulsnghosts » 20 ott 2013, 19:56

Non so se è corretto, ma mi pare di aver capito che la conduttanza equivalente nel ramo del GIC è nulla perché la corrente del GIC è costante e non dipende da R_2.

Provo a terminare l'esercizio:

V_{AB} = {{{E_1\over R_1} + I_{02}}\over {{1\over R_1} + {1\over R_3}}}

V_{AB} = {{{20\over 50} + 0,12}\over {{1\over 50} + {1\over 120}}} = 18,36V

Per determinare la tensione V_{CB} ai capi del GIC, posso utilizzare la formula che mi da la tensione fra due punti A e B come la somma algebrica delle tensioni (f.e.m. e cadute di tensioni) presenti nel percoso, secondo il verso, tra A e B:

V_{AB} = V_2 + V_{CB}

Ora ho qualche dubbio sui segni delle tensioni: credo che la caduta di tensione su R_2 sia di segno negativo e la V_{CB} di segno positivo:

V_{AB} = -I_{02}R_2 + V_{CB}

V_{CB} = I_{02}R_2 + V_{AB}

V_{CB} = 0.12A \times 15\Omega + 18,36V = 20,16V
Avatar utente
Foto Utenteghoulsnghosts
85 4
 
Messaggi: 31
Iscritto il: 7 giu 2013, 19:46

1
voti

[10] Re: Esercizio di elettrotecnica - leggi di Kirchhoff

Messaggioda Foto UtenteRenzoDF » 21 ott 2013, 20:24

ghoulsnghosts ha scritto:Non so se è corretto, ma mi pare di aver capito che la conduttanza equivalente nel ramo del GIC è nulla perché la corrente del GIC è costante e non dipende da R_2.

Più che corretto, se consideri il ramo con GIC e R2, la resistenza equivalente la ricavi spegnendo il GIC, ovvero sostituendolo con un circuito aperto, di conseguenza R2 verrà a trovarsi in serie con una resistenza infinita e di conseguenza avremo una conduttanza di ramo nulla, qualsiasi sia R2 che non può certo influire sulla somma.

ghoulsnghosts ha scritto:...Ora ho qualche dubbio sui segni delle tensioni: credo che la caduta di tensione su R_2 sia di segno negativo e la V_{CB} di segno positivo:

Non avrai più nessun dubbio, se ricorderai che

{{V}_{AB}}={{V}_{AC}}+{{V}_{CB}}

e visto che per Ohm

{{V}_{AC}}=-{{V}_{CA}}=-(R_2{{I}_{02}})

la tua relazione

ghoulsnghosts ha scritto: V_{AB} = -I_{02}R_2 + V_{CB}

è corretta. :ok:
"Il circuito ha sempre ragione" (Luigi Malesani)
Avatar utente
Foto UtenteRenzoDF
55,9k 8 12 13
G.Master EY
G.Master EY
 
Messaggi: 13189
Iscritto il: 4 ott 2008, 9:55


Torna a Elettrotecnica generale

Chi c’è in linea

Visitano il forum: Nessuno e 14 ospiti