Ciao, potete cortesemente elencarmi i passaggi da seguire per svolgere quest'esercizio? Grazie in anticipo.
suggerimento esercizio elettrotecnica
Moderatori:
g.schgor,
IsidoroKZ
4 messaggi
• Pagina 1 di 1
0
voti
0
voti
salve
ilmastro,mi permetto di suggerirti che se aspetti la soluzione del problema credo che la tua attesa sarà vana,difficilmente in questo forum forniscono le soluzioni pronte chiavi in mano; mentre se provi a postare lo svolgimento fin dove hai difficoltà immagino che qualche utente e/o illustre firma del forum potrà suggerirti ulteriori passaggi.
OT
le immagini vannopostate in jpg max 480 x 680, e gli schemi e/o disegni si realizzano con fidocadj, in merito puoi avere le ino necessarie alla voce Help del menu a tendina in alto.
OT
le immagini vannopostate in jpg max 480 x 680, e gli schemi e/o disegni si realizzano con fidocadj, in merito puoi avere le ino necessarie alla voce Help del menu a tendina in alto.
0
voti
0
voti
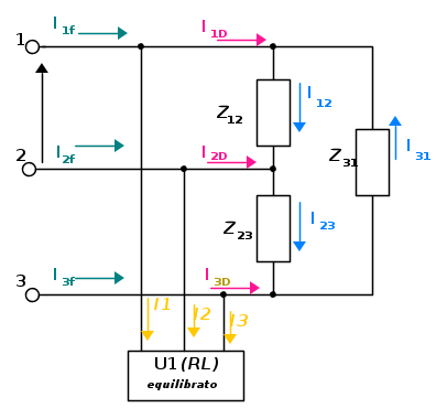
1)scrivi i numeri complessi che rappresentano le tre tensioni concatenate. Rappresentale vettorialmente insieme alle tre tensioni stellate.
2)calcola le correnti in ogni lato del triangolo applicando la legge di Ohm in corrente alternata. Rappresentale vettorialmente sul diagramma che hai tracciato per le tensioni.
3)applica la LKC ad ogni vertice del triangolo per trovare i numeri complessi che rappresentano le tre correnti
. Rappresentale sul diagramma vettoriale.
4)Calcola il modulo di ognuna delle sei correnti trovate.
5)calcola il modulo delle tre correnti del carico equilibrato applicando la formula della potenza attiva trifase.
6)scrivi i numeri complessi rappresentativi delle tre correnti equilibrate e rappresentale sul diagramma vettoriale che stai costruendo.
7)applica la LKC ad ognuno dei nodi da cui è derivato il carico equilibrato per determinare i numeri complessi che rappresentano le correnti
e calcolane il modulo.
8)calcola la potenza attiva e la potenza reattiva di ogni lato del triangolo squilibrato
9)Somma aritmeticamente le tre potenze attive trovate in 8) con la potenza attiva del carico equilibrato
10)calcola la potenza reattiva del carico equilibrato ed esegui la somaa algebrica tra essa e le potenze reattive di ogni lato del triangolo.
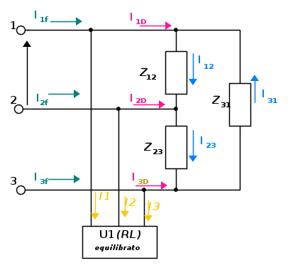
2)calcola le correnti in ogni lato del triangolo applicando la legge di Ohm in corrente alternata. Rappresentale vettorialmente sul diagramma che hai tracciato per le tensioni.
3)applica la LKC ad ogni vertice del triangolo per trovare i numeri complessi che rappresentano le tre correnti
. Rappresentale sul diagramma vettoriale.4)Calcola il modulo di ognuna delle sei correnti trovate.
5)calcola il modulo delle tre correnti del carico equilibrato applicando la formula della potenza attiva trifase.
6)scrivi i numeri complessi rappresentativi delle tre correnti equilibrate e rappresentale sul diagramma vettoriale che stai costruendo.
7)applica la LKC ad ognuno dei nodi da cui è derivato il carico equilibrato per determinare i numeri complessi che rappresentano le correnti
e calcolane il modulo.8)calcola la potenza attiva e la potenza reattiva di ogni lato del triangolo squilibrato
9)Somma aritmeticamente le tre potenze attive trovate in 8) con la potenza attiva del carico equilibrato
10)calcola la potenza reattiva del carico equilibrato ed esegui la somaa algebrica tra essa e le potenze reattive di ogni lato del triangolo.
4 messaggi
• Pagina 1 di 1
Torna a Elettrotecnica generale
Chi c’è in linea
Visitano il forum: Nessuno e 15 ospiti

Elettrotecnica e non solo (admin)
Un gatto tra gli elettroni (IsidoroKZ)
Esperienza e simulazioni (g.schgor)
Moleskine di un idraulico (RenzoDF)
Il Blog di ElectroYou (webmaster)
Idee microcontrollate (TardoFreak)
PICcoli grandi PICMicro (Paolino)
Il blog elettrico di carloc (carloc)
DirtEYblooog (dirtydeeds)
Di tutto... un po' (jordan20)
AK47 (lillo)
Esperienze elettroniche (marco438)
Telecomunicazioni musicali (clavicordo)
Automazione ed Elettronica (gustavo)
Direttive per la sicurezza (ErnestoCappelletti)
EYnfo dall'Alaska (mir)
Apriamo il quadro! (attilio)
H7-25 (asdf)
Passione Elettrica (massimob)
Elettroni a spasso (guidob)
Bloguerra (guerra)




