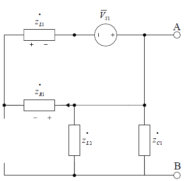
e devo trovare la potenza attiva dissipata su R1. Seguendo lo svolgimento proposto, si applica il principio di sovrapposizione e nel caso in cui lascio attivo solo Vs1(t), lo schema è questo:
Il dubbio che ho è: perché
e
non sono in parallelo?
Moderatori:
g.schgor,
IsidoroKZ
e
non sono in parallelo?
può attraversare Z2, essendo questo connesso al resto del circuito attraverso solo uno dei suoi morsetti?
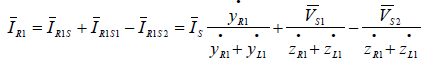
scrivendo:![\[\bar{I_{s}} = \bar{I_{1}} + \bar{I_{L1}}\] \[\bar{I_{s}} = \bar{I_{1}} + \bar{I_{L1}}\]](/forum/latexrender/pictures/5954e3a22aac913fc1879295f3426a35.png)

Torna a Elettrotecnica generale
Visitano il forum: Nessuno e 14 ospiti