1) mostra il circuito al quale ti riferisci;
2) I1 la trovi direttamente con un partitore di corrente, verifica così il tuo risultato (le sue equazioni che hai scritto sembrano comunque giuste).
dubbio su impedenze
Moderatori:
g.schgor,
IsidoroKZ
20 messaggi
• Pagina 2 di 2 • 1, 2
0
voti
1) mi riferisco sempre al circuito nel post [1], e nei 3 casi che provengono dal principio di sovrapposizione ho notato che in uno di questi le polarità ai capi dell'impedenza sono opposte rispetto alle stesse negli altri due casi;
2) è vero, nello svolgimento del prof c'è la formula del partitore di corrente ma ho voluto provare a verificare nel modo in cui ho svolto io eppure ho un risultato diverso. Mi chiedo: la formula del partitore la posso comunque adottare in questo caso, nonostante non abbia tutte le impedenze in parallelo col generatore di corrente (
è in serie al generatore)?
2) è vero, nello svolgimento del prof c'è la formula del partitore di corrente ma ho voluto provare a verificare nel modo in cui ho svolto io eppure ho un risultato diverso. Mi chiedo: la formula del partitore la posso comunque adottare in questo caso, nonostante non abbia tutte le impedenze in parallelo col generatore di corrente (
è in serie al generatore)?0
voti
1) c'è il segno meno in quanto quando agisce solo VS2, la corrente che attraversa R1 è opposta rispetto agli altri due contributi;
2) indipendente dal metodo i risultati devono coincidere.
ai fini del calcolo, del parallelo ZL2 e ZC1, nun ce ne può fregà de meno...
la corrente che devi partire è impressa da IS.
2) indipendente dal metodo i risultati devono coincidere.
andres90 ha scritto:la formula del partitore la posso comunque adottare in questo caso, nonostante non abbia tutte le impedenze in parallelo col generatore di corrente
ai fini del calcolo, del parallelo ZL2 e ZC1, nun ce ne può fregà de meno...
la corrente che devi partire è impressa da IS.
0
voti
lillo ha scritto:1) c'è il segno meno in quanto quando agisce solo VS2, la corrente che attraversa R1 è opposta rispetto agli altri due contributi;
ok, era come immaginavo
ai fini del calcolo, del parallelo ZL2 e ZC1, nun ce ne può fregà de meno...
la corrente che devi partire è impressa da IS.
finora avevo visto solo i casi standard in cui avevo il generatore di corrente in parallelo con resistenze/impedenze già belle sistemate
grazie mille, riguarderò i calcoli per il punto 2.
0
voti
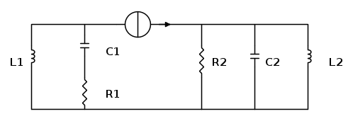
altro dubbio: ho questo circuito
e devo calcolare la corrente per C1 e C2. immaginando di aver sostituito le rispettive impedenze, perché nella formula del partitore di corrente nel primo caso si considera, oltre all'ammettenza della serie C1-R1, quella di L1? cioè, non c'è solo L1 in parallelo con la serie C1-R1.
Analogamente, nella formula del partitore per trovare la corrente per C2, oltre all'ammettenza per C2 a denominatore si sommano le ammettenze di R2 ed L2.
e devo calcolare la corrente per C1 e C2. immaginando di aver sostituito le rispettive impedenze, perché nella formula del partitore di corrente nel primo caso si considera, oltre all'ammettenza della serie C1-R1, quella di L1? cioè, non c'è solo L1 in parallelo con la serie C1-R1.
Analogamente, nella formula del partitore per trovare la corrente per C2, oltre all'ammettenza per C2 a denominatore si sommano le ammettenze di R2 ed L2.
2
voti
innanzitutto prova a leggere questo, magari chiarisci i tuoi dubbi.
devi perdonarmi ma non capisco le tue perplessità:
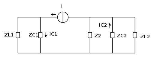
ipotizzando che tu abbia il seguente circuito:
dove mi sono inventato il verso del GIC, ma poco cambia.
se devo trovare la corrente che scorre in ZC1, e quindi in C1, basta applicare la classica formula:

mentre dall'altra parte, dobbiamo far la partizione tra tre impedenze, e quindi affidarci, ad esempio alla formula generale:

devi perdonarmi ma non capisco le tue perplessità:
ipotizzando che tu abbia il seguente circuito:
dove mi sono inventato il verso del GIC, ma poco cambia.
se devo trovare la corrente che scorre in ZC1, e quindi in C1, basta applicare la classica formula:

mentre dall'altra parte, dobbiamo far la partizione tra tre impedenze, e quindi affidarci, ad esempio alla formula generale:

0
voti
e oltre a ZL1, quali sarebbero le altre impedenze in parallelo a ZC1 
1
voti

ma noooo
una ripassatina ai vari collegamenti tra bipoli non fa mai male

20 messaggi
• Pagina 2 di 2 • 1, 2
Torna a Elettrotecnica generale
Chi c’è in linea
Visitano il forum: Nessuno e 94 ospiti

Elettrotecnica e non solo (admin)
Un gatto tra gli elettroni (IsidoroKZ)
Esperienza e simulazioni (g.schgor)
Moleskine di un idraulico (RenzoDF)
Il Blog di ElectroYou (webmaster)
Idee microcontrollate (TardoFreak)
PICcoli grandi PICMicro (Paolino)
Il blog elettrico di carloc (carloc)
DirtEYblooog (dirtydeeds)
Di tutto... un po' (jordan20)
AK47 (lillo)
Esperienze elettroniche (marco438)
Telecomunicazioni musicali (clavicordo)
Automazione ed Elettronica (gustavo)
Direttive per la sicurezza (ErnestoCappelletti)
EYnfo dall'Alaska (mir)
Apriamo il quadro! (attilio)
H7-25 (asdf)
Passione Elettrica (massimob)
Elettroni a spasso (guidob)
Bloguerra (guerra)





nel tuo esempio, non devo tener conto
è in parallelo, oltre a
?