Esercizio di elettrotecnica
Moderatori:
g.schgor,
IsidoroKZ
23 messaggi
• Pagina 2 di 3 • 1, 2, 3
0
voti
spero di aver capito xD
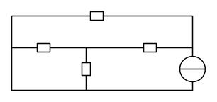
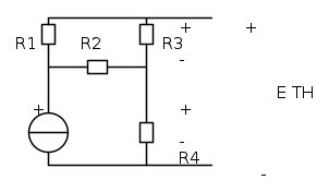
Ora ho questo circuito e devo determinare la corrente i 5 usando Thevenin ma nn riesco a capire le connessioni.
penso che R4 sia in parallelo con R2 e che R1 sia in parallelo con R3..giusto? e mi calcolo poi la R eq
a questo punto calcolo la tensione a vuoto
ORa il prof ci dice "la tensione a vuoto è la tensione su uno dei bipoli?" e lo è quando sta in parallelo con un altro componente...ma nn riesco proprio a vedere le connessioni..nemmeno i nodi...mi potete aiutare?
Ora ho questo circuito e devo determinare la corrente i 5 usando Thevenin ma nn riesco a capire le connessioni.
penso che R4 sia in parallelo con R2 e che R1 sia in parallelo con R3..giusto? e mi calcolo poi la R eq
a questo punto calcolo la tensione a vuoto
ORa il prof ci dice "la tensione a vuoto è la tensione su uno dei bipoli?" e lo è quando sta in parallelo con un altro componente...ma nn riesco proprio a vedere le connessioni..nemmeno i nodi...mi potete aiutare?
0
voti
nilla92 ha scritto: ..ma non riesco proprio a vedere le connessioni..nemmeno i nodi...
Direi che non "vedi" nemmeno i generatori che stai usando, ... e vedendo che nessuno te lo fa notare, lo faccio io.
"Il circuito ha sempre ragione" (Luigi Malesani)
4
voti
e l'altro esercizio lo lasci a metà? 
quando disegni gli schemi, come ti hanno fatto notare, devi usare i simboli giusti per i generatori giusti:
e non è un caso
quando disegni gli schemi, come ti hanno fatto notare, devi usare i simboli giusti per i generatori giusti:
e non è un caso

0
voti
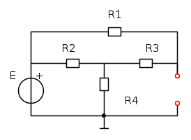
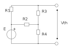
rusty ha scritto:Ti do' un aiuto con la Rth:
mentre la Vth è semplicemente la tensione ai morsetti rossi, riesci a calcolarla?
Ma la tensione a vuoto è la tensione ai capi di quale resistenza? Cioè il nostro prof ce la fa spostare su un altro componente in parallelo con la tensione...il punto è che nn so vedere se qualche componente è in parallelo cn la resistenza
0
voti
lillo ha scritto:e l'altro esercizio lo lasci a metà?
quando disegni gli schemi, come ti hanno fatto notare, devi usare i simboli giusti per i generatori giusti:
e non è un caso
l'altro l'ho risolto
0
voti
nilla92 ha scritto:Ma la tensione a vuoto è la tensione ai capi di quale resistenza?
Nel tuo caso ai capi della R5 quando questa resistenza è disconnessa. Del resto ti è stato disegnato il circuito, devi solo ricavare la tensione fra i morsetti rossi come ti è stato suggerito.
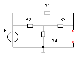
forse ridisegare così il circuito ti può aiutare
nilla92 ha scritto:ma come si fa a mettere il + sul generatore?
Inserendo un testo, scrivendo "+" e spostandolo vicino al polo positivo del generatore
-

nunziato
4.291 3 9 12 - Master EY

- Messaggi: 531
- Iscritto il: 14 dic 2012, 23:14
- Località: Acri (CS) - Polistena (RC)
0
voti
Sono stupida io ma nn ci arrivo a calcolare quella tensione...ho capito che è la tensione ai capi di R 5 ma il prof ce la fa spostare ai capi di un altro componente che è in parallelo con suddetta tensione...dal circuito ridisegnato ho trovato che R 4 è in parallelo con la tensione.. quindi 
ma comunque non mi trovo

ma comunque non mi trovo

0
voti
nilla92 ha scritto:il prof ce la fa spostare ai capi di un altro componente che è in parallelo con suddetta tensione
va bene, ho capito quello che intendi.
il prof non vi fa spostare nulla, ma usa solo la testa.
nilla92 ha scritto:dal circuito ridisegnato ho trovato che R 4 è in parallelo con la tensione..
affermazione azzardata
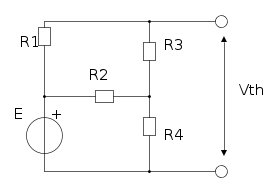
nel tuo caso, se vuoi usare la testa, non ti resta che trovare le tensioni sui resistori R3 e R4.
non lo metto in dubbio... ma sarebbe carino da parte tua mostrare anche a noi la tua soluzione.
0
voti
Allora, procediamo con ordine, applico Kirchhoff e ho che 
ora calcolo v4 applicando il partitore di tensione tra Ra (che è dato dalla serie R1 ed R3 in parallelo con R2 (giusto??))
e poi v3 come lo calcolo...madonna mia che caos
ho fatto come mi era stato suggerito...ho usato due volte il partitore di corrente =)

ora calcolo v4 applicando il partitore di tensione tra Ra (che è dato dalla serie R1 ed R3 in parallelo con R2 (giusto??))
e poi v3 come lo calcolo...madonna mia che caos
nilla92 ha scritto:l'altro l'ho risolto
![]()
non lo metto in dubbio... ma sarebbe carino da parte tua mostrare anche a noi la tua soluzione.
ho fatto come mi era stato suggerito...ho usato due volte il partitore di corrente =)
23 messaggi
• Pagina 2 di 3 • 1, 2, 3
Torna a Elettrotecnica generale
Chi c’è in linea
Visitano il forum: Nessuno e 12 ospiti

Elettrotecnica e non solo (admin)
Un gatto tra gli elettroni (IsidoroKZ)
Esperienza e simulazioni (g.schgor)
Moleskine di un idraulico (RenzoDF)
Il Blog di ElectroYou (webmaster)
Idee microcontrollate (TardoFreak)
PICcoli grandi PICMicro (Paolino)
Il blog elettrico di carloc (carloc)
DirtEYblooog (dirtydeeds)
Di tutto... un po' (jordan20)
AK47 (lillo)
Esperienze elettroniche (marco438)
Telecomunicazioni musicali (clavicordo)
Automazione ed Elettronica (gustavo)
Direttive per la sicurezza (ErnestoCappelletti)
EYnfo dall'Alaska (mir)
Apriamo il quadro! (attilio)
H7-25 (asdf)
Passione Elettrica (massimob)
Elettroni a spasso (guidob)
Bloguerra (guerra)











