obiuan ha scritto:posta schema e tutti i conti per bene, perché così come la metti sembra sbagliato e non credo sia possibile.
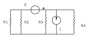
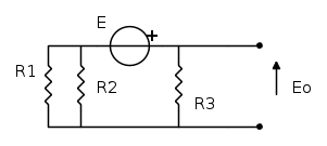
Allora ho il seguente circuito
Dove R2 è in diagonale, ma non la so fare e la faccio in verticale come mi è stato suggerito!
dati:
![\[E=10V;&J=5A;\] \[E=10V;&J=5A;\]](/forum/latexrender/pictures/8049f5044e74fc36b7d81bae6d957bf7.png)
![\[R_{1}=R_{2}=10\Omega\] \[R_{1}=R_{2}=10\Omega\]](/forum/latexrender/pictures/a95b3e558a396cd27ad699df4720b3de.png)
![\[R_{3}=5\Omega; &R_{4}=2,5\Omega\] \[R_{3}=5\Omega; &R_{4}=2,5\Omega\]](/forum/latexrender/pictures/942c59160e66a43b8377ed424c1a4663.png)
calcolare la potena assorbita dal resistore
applicando Thevenin:Svolgimento:
1)mi calcolo la resistenza equivalente di ThevenIN
![\[R_{th}=R_{1}//R_{2}//R_{3}= 2,5\Omega\] \[R_{th}=R_{1}//R_{2}//R_{3}= 2,5\Omega\]](/forum/latexrender/pictures/559cf1be4e63ffe282f6576b32453e42.png)
Ora come calcolo
??
Elettrotecnica e non solo (admin)
Un gatto tra gli elettroni (IsidoroKZ)
Esperienza e simulazioni (g.schgor)
Moleskine di un idraulico (RenzoDF)
Il Blog di ElectroYou (webmaster)
Idee microcontrollate (TardoFreak)
PICcoli grandi PICMicro (Paolino)
Il blog elettrico di carloc (carloc)
DirtEYblooog (dirtydeeds)
Di tutto... un po' (jordan20)
AK47 (lillo)
Esperienze elettroniche (marco438)
Telecomunicazioni musicali (clavicordo)
Automazione ed Elettronica (gustavo)
Direttive per la sicurezza (ErnestoCappelletti)
EYnfo dall'Alaska (mir)
Apriamo il quadro! (attilio)
H7-25 (asdf)
Passione Elettrica (massimob)
Elettroni a spasso (guidob)
Bloguerra (guerra)






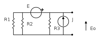
![\[E_{0}=V_{3}^{'}+V_{3}^{''}\] \[E_{0}=V_{3}^{'}+V_{3}^{''}\]](/forum/latexrender/pictures/b00eff859b948f062ef16b225536da5e.png)

![\[V_{J}=V_{3}^{'}\] \[V_{J}=V_{3}^{'}\]](/forum/latexrender/pictures/04bfae98031ae227b81e0ae3f00c1f17.png)
![\[V_{3}^{'}=J\left ( R_{1}//R_{2} //R_{3}\right )= 12.5\Omega\] \[V_{3}^{'}=J\left ( R_{1}//R_{2} //R_{3}\right )= 12.5\Omega\]](/forum/latexrender/pictures/895fe20fa05f9b29831321c7dcf57d16.png)

![\[V_{3}^{''}=E\frac{R_{3}}{R_{3}+\left ( R_{1}//R_{2} \right )}=5\Omega\] \[V_{3}^{''}=E\frac{R_{3}}{R_{3}+\left ( R_{1}//R_{2} \right )}=5\Omega\]](/forum/latexrender/pictures/17ca2246dbcb9617fccef5bd5ff91b76.png)
![\[E_{0}= V_{3}^{'}+V_{3}^{''}= 17.5 V\] \[E_{0}= V_{3}^{'}+V_{3}^{''}= 17.5 V\]](/forum/latexrender/pictures/61415d367d83218b9fb98ff3e9172522.png)

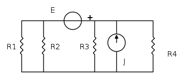
![\[i_{4}=\frac{E_{O}}{R_{th}+R_{4}}= 3.5A\] \[i_{4}=\frac{E_{O}}{R_{th}+R_{4}}= 3.5A\]](/forum/latexrender/pictures/dcb148f9b98b3cf1e8f7b8a4d3b424d7.png)
![\[P_{4}=V_{4}i_{4}=R_{4}i_{4}^{2}= 30.625 W\] \[P_{4}=V_{4}i_{4}=R_{4}i_{4}^{2}= 30.625 W\]](/forum/latexrender/pictures/a7a9cfd85a5087624749c2799b231dcd.png)


