Cos'è ElectroYou | Login Iscriviti

ElectroYou - la comunità dei professionisti del mondo elettrico

Esercizio n. 8. Avete suggerimenti?

Circuiti, campi elettromagnetici e teoria delle linee di trasmissione e distribuzione dell’energia elettrica

Moderatori: Foto Utenteg.schgor, Foto UtenteIsidoroKZ

0
voti

[21] Re: Esercizio n. 8. Avete suggerimenti?

Messaggioda Foto Utentedimaios » 4 gen 2014, 18:43

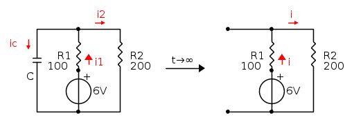
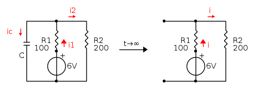
Guarda il seguente circuito.
Dopo l'istante t=0 il generatore erogherà 6V.
Indipendentemente dall'andamento della tensione nel transitorio che ne deriverà, visto che hai cambiato la tensione al generatore, quando sarai a regime il condensatore si sarà caricato ad un nuovo valore. E' questo quello che ti è stato chiesto di calcolare.
Per ricavarlo non serve esprimere tutta la dinamica del sistema tramite l'equazione differenziale ma basta occuparsi della situazione a regime.
Dopo un tempo sufficientemente lungo per garantire la carica del condensatore potrai dire che la corrente i_c sarà nulla e quindi circola solo la corrente i.
A questo punto ti dovrebbe essere evidente come calcolare la nuova tensione ai capi del condensatore.


Ingegneria : alternativa intelligente alla droga.
Avatar utente
Foto Utentedimaios
30,2k 7 10 12
G.Master EY
G.Master EY
 
Messaggi: 3381
Iscritto il: 24 ago 2010, 14:12
Località: Behind the scenes

0
voti

[22] Re: Esercizio n. 8. Avete suggerimenti?

Messaggioda Foto Utentedimaios » 4 gen 2014, 18:48

Volevo aggiungere una cosa.
Prima che a "qualcuno" venga l'orticaria sarà meglio che correggi le unità di misura della capacità.
Da quando si misura in mH ? :?

Ingegneria : alternativa intelligente alla droga.
Avatar utente
Foto Utentedimaios
30,2k 7 10 12
G.Master EY
G.Master EY
 
Messaggi: 3381
Iscritto il: 24 ago 2010, 14:12
Località: Behind the scenes

0
voti

[23] Re: Esercizio n. 8. Avete suggerimenti?

Messaggioda Foto Utenteluciano87 » 4 gen 2014, 18:55

dimaios ha scritto:Volevo aggiungere una cosa.
Prima che a "qualcuno" venga l'orticaria sarà meglio che correggi le unità di misura della capacità.
Da quando si misura in mH ? :?



mi scuso, è inguardabile, ma quando me ne sono accorto della battitura non ho potuto modificare! C 0.1mF

Ritornando all'esercizio (non vorrei sparare cavolate spaziali) se la corrente ic è nulla, di conseguenza anche la tensione dovrebbe esserlo?
Ognuno è un genio. Ma se si giudica un pesce dalla sua abilità di arrampicarsi sugli alberi lui passerà tutta la sua vita a credersi stupido.
Avatar utente
Foto Utenteluciano87
174 3 7
Frequentatore
Frequentatore
 
Messaggi: 145
Iscritto il: 28 nov 2013, 20:50
Località: Roma

0
voti

[24] Re: Esercizio n. 8. Avete suggerimenti?

Messaggioda Foto Utentedimaios » 4 gen 2014, 18:59

luciano87 ha scritto:non vorrei sparare cavolate spaziali


Purtroppo l'hai fatto. :cry:
Nel circuito di destra ti sembra che la tensione ai capi del condensatore sia nulla ?
Anche nel circuito per t<0 la corrente del condensatore era nulla ma la tensione no ?
Come mai le leggi dell'elettrotecnica per te sono tempo-varianti ? :?
Ingegneria : alternativa intelligente alla droga.
Avatar utente
Foto Utentedimaios
30,2k 7 10 12
G.Master EY
G.Master EY
 
Messaggi: 3381
Iscritto il: 24 ago 2010, 14:12
Località: Behind the scenes

1
voti

[25] Re: Esercizio n. 8. Avete suggerimenti?

Messaggioda Foto Utenteluciano87 » 4 gen 2014, 19:07

Foto Utentedimaios mi sono incasinato con il fatto che
per t<0 ho ripreso l'errore che mi avete segnalato ieri:
V2=Vc una volta corretto ho proseguito fino ad ottenere il valore
Vc= 8V

fin qui tutto ok..

poi per t=0
Vc= 8V
ma a quanto pare non è esatto,

procedendo per t>0
avevo ripetuto il calcolo con il partitore per stabilire la tensione proprio come la prima parte, ossia per t<0 (avevo pensato in pratica che: il circuito essendo lo stesso, ma variando solo il valore da 12V a 6V potevo applicare lo stesso procedimento) ma sono stato ripreso su altri errori, allora "sono andato in panne" :(

questo e' tutto lo svolgimento: viewtopic.php?f=2&t=49388&start=10#p466427
Foto UtenteIsidoroKZ ha cercato di riprendermi ma non ho afferrato dove ho sbagliato #-o
Ognuno è un genio. Ma se si giudica un pesce dalla sua abilità di arrampicarsi sugli alberi lui passerà tutta la sua vita a credersi stupido.
Avatar utente
Foto Utenteluciano87
174 3 7
Frequentatore
Frequentatore
 
Messaggi: 145
Iscritto il: 28 nov 2013, 20:50
Località: Roma

0
voti

[26] Re: Esercizio n. 8. Avete suggerimenti?

Messaggioda Foto Utenteluciano87 » 4 gen 2014, 20:26

Scusate la mia incompetenza, vi posto l'esercizio completo senza fronzoli. Le parti errate correggetele citando così che possa capire, per cortesia aspetto vostre risposte:



Immagine

\[V_{2}=V_{C}\]

\[V_{2}=e\frac{R_{2}}{R_{1}+R_{2}}= 8V\]

Immagine



\[R_{eq}=R_1//R_2=66.66\Omega\]

\[\tau =CR_{eq}=0.006\]

\[V_C(0)=8V\]

Immagine


\[V_{2}=V_{C}\]

\[V_{2}=e\frac{R_{2}}{R_{1}+R_{2}}= 4V\]

applico la relazione {{V}_{C}}(t)=[{{V}_{C}}(0)-{{V}_{C}}(\infty )]{{e}^{-\frac{t}{\tau }}}+{{V}_{C}}(\infty )

\[V_{C}(t)= 4e^{-150t}+4V\]

In base alle nozioni raccolte:
Dopo l'istante t=0 il generatore erogherà 6V.
Indipendentemente dall'andamento della tensione nel transitorio che ne deriverà, visto che hai cambiato la tensione al generatore, quando sarai a regime il condensatore si sarà caricato ad un nuovo valore. E' questo quello che ti è stato chiesto di calcolare.
Per ricavarlo non serve esprimere tutta la dinamica del sistema tramite l'equazione differenziale ma basta occuparsi della situazione a regime.
Dopo un tempo sufficientemente lungo per garantire la carica del condensatore potrai dire che la corrente i_c sarà nulla e quindi circola solo la corrente i.
A questo punto ti dovrebbe essere evidente come calcolare la nuova tensione ai capi del condensatore.


Poi calcola la tensione sul condensatore per t->oo, anche qui il circuito e` a regime e quindi il condensatore e` aperto. Bastano 2 partitori


la parte per t>0 così come scritta non va per calcolare la tensione lungo C in ogni istante di tempo.
So di esser petulante e fastidioso, ma vorrei chiudere questo esercizio senza dubbi..grazie in anticipo iOi
Ognuno è un genio. Ma se si giudica un pesce dalla sua abilità di arrampicarsi sugli alberi lui passerà tutta la sua vita a credersi stupido.
Avatar utente
Foto Utenteluciano87
174 3 7
Frequentatore
Frequentatore
 
Messaggi: 145
Iscritto il: 28 nov 2013, 20:50
Località: Roma

0
voti

[27] Re: Esercizio n. 8. Avete suggerimenti?

Messaggioda Foto Utenteluciano87 » 6 gen 2014, 18:06

Foto Utentedimaios scusa la mia pesante insistenza, ma non ho ricevuto più risposte riguardo il tutto. :(
Ho postato in ultimo lo svolgimento completo che doveva esser il definitivo..per cortesia mi dici in che punto ho errato? Grazie
Ognuno è un genio. Ma se si giudica un pesce dalla sua abilità di arrampicarsi sugli alberi lui passerà tutta la sua vita a credersi stupido.
Avatar utente
Foto Utenteluciano87
174 3 7
Frequentatore
Frequentatore
 
Messaggi: 145
Iscritto il: 28 nov 2013, 20:50
Località: Roma

Precedente

Torna a Elettrotecnica generale

Chi c’è in linea

Visitano il forum: Nessuno e 27 ospiti