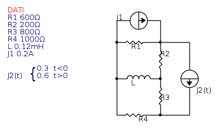
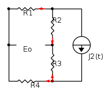
Il circuito in figura e in regime stazionario per t < 0. Il generatore j2(t) cambia valore all'istante t = 0. Determinare la corrente nell'induttore in ogni istante di tempo.
t<0
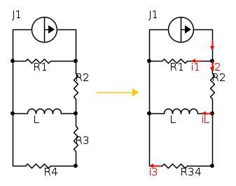
impiego un partitore, R34 è cortocircuitata:
![\[i_{2}=J_{1}\frac{R_{1}}{R_{1}+R_{2}}=0.15A\] \[i_{2}=J_{1}\frac{R_{1}}{R_{1}+R_{2}}=0.15A\]](/forum/latexrender/pictures/724541eec38d3ba62f25f5dcdf6a24cb.png)
verifico con equazioni:
Visto che il generatore è costante rimane tale anche per t>0
Il contributo sarà pari a:
t<0
R12 è cortocircuitata, calcolo con partitore
![\[i_L=J_2\frac{R_4}{R_4+R_3}=0.167A\] \[i_L=J_2\frac{R_4}{R_4+R_3}=0.167A\]](/forum/latexrender/pictures/fda8cd39a9bd969adf5e398d075f34be.png)
verifico con equazioni:
t=0
![\[\tau =\frac{L}{R_e_q}\] \[\tau =\frac{L}{R_e_q}\]](/forum/latexrender/pictures/f041dd5c73be5f8b101ca26f26d52cc0.png)
![\[i_L(0)= 0.15+0.167\simeq 0.32\] \[i_L(0)= 0.15+0.167\simeq 0.32\]](/forum/latexrender/pictures/af73c750759655bb515a47c4b6295a46.png)
t>0
I passaggi sono identici a quelli per t<0, ossia con partitore e verifico con le equazioni suddette.
![\[i_L= 0.33A\] \[i_L= 0.33A\]](/forum/latexrender/pictures/a01162f5f01b256175ba58e4838b01bd.png)
![\[i_L(\infty )= 0.15+0.33=0.48A\] \[i_L(\infty )= 0.15+0.33=0.48A\]](/forum/latexrender/pictures/d46aa41ef9c9b6c2d680f4d537ce3d79.png)
applico la relazione
![\[i_L(t)=[0.32-0.48]e^{-4615384.615}+0.48\rightarrow 0.48-0.16e^{-4615384.615}\] \[i_L(t)=[0.32-0.48]e^{-4615384.615}+0.48\rightarrow 0.48-0.16e^{-4615384.615}\]](/forum/latexrender/pictures/71d571243d31818c5ff60cd9f27884cf.png)
con equazioni:
impongo

Elettrotecnica e non solo (admin)
Un gatto tra gli elettroni (IsidoroKZ)
Esperienza e simulazioni (g.schgor)
Moleskine di un idraulico (RenzoDF)
Il Blog di ElectroYou (webmaster)
Idee microcontrollate (TardoFreak)
PICcoli grandi PICMicro (Paolino)
Il blog elettrico di carloc (carloc)
DirtEYblooog (dirtydeeds)
Di tutto... un po' (jordan20)
AK47 (lillo)
Esperienze elettroniche (marco438)
Telecomunicazioni musicali (clavicordo)
Automazione ed Elettronica (gustavo)
Direttive per la sicurezza (ErnestoCappelletti)
EYnfo dall'Alaska (mir)
Apriamo il quadro! (attilio)
H7-25 (asdf)
Passione Elettrica (massimob)
Elettroni a spasso (guidob)
Bloguerra (guerra)

![\[\begin{cases} & \ J_{1}=i_{1}+i_{2} \\ & \ i_{2}=i_{L}+i_{3} \\ & \ V_{L}+V_{3}\\ & \ V_{1}=V_{2}+V_{L} \end{cases}\] \[\begin{cases} & \ J_{1}=i_{1}+i_{2} \\ & \ i_{2}=i_{L}+i_{3} \\ & \ V_{L}+V_{3}\\ & \ V_{1}=V_{2}+V_{L} \end{cases}\]](/forum/latexrender/pictures/e1618d8f8230aaff648b552b174d78e4.png)
![\[y_oi_L= Ae^{-4615384.6t}\] \[y_oi_L= Ae^{-4615384.6t}\]](/forum/latexrender/pictures/6f6d7491dfe545de21e3aa79f875a3c4.png)
![\[y_pi_L= Ae^{-4615384.6t}+0.15\] \[y_pi_L= Ae^{-4615384.6t}+0.15\]](/forum/latexrender/pictures/21ee9b030d5e0742a6c42d650e6ed573.png)

![\[\begin{cases} & \ J_{2}=i_{3}+i_{4} \\ & \ i_{3}=i_{L}+i_{1} \\ & \ V_{L}+V_{12}\\ & \ V_{4}=V_{3}+V_{L} \end{cases}\] \[\begin{cases} & \ J_{2}=i_{3}+i_{4} \\ & \ i_{3}=i_{L}+i_{1} \\ & \ V_{L}+V_{12}\\ & \ V_{4}=V_{3}+V_{L} \end{cases}\]](/forum/latexrender/pictures/2469a69144b77525a5274def86ff923d.png)
![\[y_oi_L= Ae^{-4615384.615t}\] \[y_oi_L= Ae^{-4615384.615t}\]](/forum/latexrender/pictures/7da23cdf7aed543617e889ec9b4f5936.png)
![\[y_pi_L= Ae^{-4615384.615t}+0.167\] \[y_pi_L= Ae^{-4615384.615t}+0.167\]](/forum/latexrender/pictures/f5f39758d4349e03e0bb500572027e07.png)

![\[y_pi_L= Ae^{-4615384.615t}+0.33\] \[y_pi_L= Ae^{-4615384.615t}+0.33\]](/forum/latexrender/pictures/14867b7e12ea7d21bb5dbc757825da5c.png)
![\[i_L(0-)=i_L(0+)\rightarrow 0.167=A+0.333\rightarrow A=-0.16\] \[i_L(0-)=i_L(0+)\rightarrow 0.167=A+0.333\rightarrow A=-0.16\]](/forum/latexrender/pictures/d9931b2d93cde6e826a58b2f95f95d16.png)
![\[y_pi_L= -0.16e^{-4615384.615t}+0.33\] \[y_pi_L= -0.16e^{-4615384.615t}+0.33\]](/forum/latexrender/pictures/2020e033fab12db9877b85acb13b04cd.png)
![\[i_L(t)=0.15-0.16e^{-4615384.615t}+0.33\rightarrow 0.48-0.16e^{-4615384.615t}\] \[i_L(t)=0.15-0.16e^{-4615384.615t}+0.33\rightarrow 0.48-0.16e^{-4615384.615t}\]](/forum/latexrender/pictures/e8d341e1e67c7ba197721e6dc9678f39.png)





![\[\begin{array}{l}
i_{{L_{J2}}} = {i_3} + {i_2}\\
{i_3} = {J_2}\left( t \right)\frac{{{R_4}}}{{{R_4} + {R_3}}} = 0{,}3\frac{{1000}}{{1800}} = \frac{1}{6}{\rm{A}}\\
{i_2} = - {J_2}\left( t \right)\frac{{{R_1}}}{{{R_1} + {R_2}}} = - 0,3\frac{{600}}{{800}} = - \frac{9}{{40}}{\rm{A}}\\
{i_{{L_{J2}}}} = \frac{1}{6} - \frac{9}{{40}} = - \frac{7}{{120}} = 0{,}0583{\rm{A}}\\
\\
{i_L} = {i_{{L_{J1}}}} + {i_{{L_{J2}}}} = 0{,}15 - 0,0583 = 0{,}0916{\rm{A}}
\end{array}\] \[\begin{array}{l}
i_{{L_{J2}}} = {i_3} + {i_2}\\
{i_3} = {J_2}\left( t \right)\frac{{{R_4}}}{{{R_4} + {R_3}}} = 0{,}3\frac{{1000}}{{1800}} = \frac{1}{6}{\rm{A}}\\
{i_2} = - {J_2}\left( t \right)\frac{{{R_1}}}{{{R_1} + {R_2}}} = - 0,3\frac{{600}}{{800}} = - \frac{9}{{40}}{\rm{A}}\\
{i_{{L_{J2}}}} = \frac{1}{6} - \frac{9}{{40}} = - \frac{7}{{120}} = 0{,}0583{\rm{A}}\\
\\
{i_L} = {i_{{L_{J1}}}} + {i_{{L_{J2}}}} = 0{,}15 - 0,0583 = 0{,}0916{\rm{A}}
\end{array}\]](/forum/latexrender/pictures/a1031e5a66b3dc3e26b3a1e55c6366f1.png)


![\[\begin{array}{l}
i_{{L_{J2}}} = {i_3} + {i_2}\\
{i_3} = {J_2}\left( t \right)\frac{{{R_4}}}{{{R_4} + {R_3}}} = 0{,}6\frac{{1000}}{{1800}} = \frac{1}{3}{\rm{A}}\\
{i_2} = - {J_2}\left( t \right)\frac{{{R_1}}}{{{R_1} + {R_2}}} = - 0,6\frac{{600}}{{800}} = - 0.45{A}}\\
{i_{{L_{J2}}}} = \frac{1}{3} - 0.45 = 0{,}1166{\rm{A}}\\
\\
{i_L} = {i_{{L_{J1}}}} + {i_{{L_{J2}}}} = 0{,}15 - 0,1166 = 0{,}033{\rm{A}}
\end{array}\] \[\begin{array}{l}
i_{{L_{J2}}} = {i_3} + {i_2}\\
{i_3} = {J_2}\left( t \right)\frac{{{R_4}}}{{{R_4} + {R_3}}} = 0{,}6\frac{{1000}}{{1800}} = \frac{1}{3}{\rm{A}}\\
{i_2} = - {J_2}\left( t \right)\frac{{{R_1}}}{{{R_1} + {R_2}}} = - 0,6\frac{{600}}{{800}} = - 0.45{A}}\\
{i_{{L_{J2}}}} = \frac{1}{3} - 0.45 = 0{,}1166{\rm{A}}\\
\\
{i_L} = {i_{{L_{J1}}}} + {i_{{L_{J2}}}} = 0{,}15 - 0,1166 = 0{,}033{\rm{A}}
\end{array}\]](/forum/latexrender/pictures/4d908f751182cbc250a4f3ed0d4f88e8.png)
![\[i_L(t)=\begin{cases} & \ 0.0916A\; \; \; \; \; \; \; \; t<0 \\ & \ 0.033A\; \; \; \; \; \; \; \; t>0 \end{cases}\] \[i_L(t)=\begin{cases} & \ 0.0916A\; \; \; \; \; \; \; \; t<0 \\ & \ 0.033A\; \; \; \; \; \; \; \; t>0 \end{cases}\]](/forum/latexrender/pictures/401d01d1fc29189ccb6d222c8bf945f7.png)
![\[i_L(t)= 0.0916A+ 0.033A=0.1249A\] \[i_L(t)= 0.0916A+ 0.033A=0.1249A\]](/forum/latexrender/pictures/4127c52e354c2826fc5e4bec4f8c00a1.png)
ancora
![\[i_L=0.0916A\] \[i_L=0.0916A\]](/forum/latexrender/pictures/feab49dd3c039861b56c4ba1e83dff34.png)
![\[i_L=0.033A\] \[i_L=0.033A\]](/forum/latexrender/pictures/8d0c9320ec063c5041298de21adcd8cb.png)
![\[i_L(0)=0.0916A\] \[i_L(0)=0.0916A\]](/forum/latexrender/pictures/30648de60e3eda0c65688b95cd89965a.png)
è il valore della soluzione calcolato per t>0 ![\[i_L(\infty )=0.033A\] \[i_L(\infty )=0.033A\]](/forum/latexrender/pictures/41e09affc33da12879da404887a0c18e.png)

![\[\begin{cases} & \ J_2=i_3+i_4 \\ & \ i_L=i_3+i_2 \\ & \ V_4=V_3+V_L \\ & \ V_1=V_2+V_L \end{cases}\] \[\begin{cases} & \ J_2=i_3+i_4 \\ & \ i_L=i_3+i_2 \\ & \ V_4=V_3+V_L \\ & \ V_1=V_2+V_L \end{cases}\]](/forum/latexrender/pictures/629f17fed8c479e8f1e48587598eba52.png)

![\[R_{eq}=(R_1+R_4)//(R_2+R_3)=615.32\Omega\] \[R_{eq}=(R_1+R_4)//(R_2+R_3)=615.32\Omega\]](/forum/latexrender/pictures/ae446baaf63ba08764d7e2eb0905809f.png)
![\[\begin{align*} &i_3=-i_2 \\ &i_1=i_4 \end{align*}\] \[\begin{align*} &i_3=-i_2 \\ &i_1=i_4 \end{align*}\]](/forum/latexrender/pictures/fa031b634645970cf7bb2298c3ca4307.png)
![\[i_3=J\frac{R_{14}}{R_{14}+R_23}=0.1846A\] \[i_3=J\frac{R_{14}}{R_{14}+R_23}=0.1846A\]](/forum/latexrender/pictures/ac71fa98ee33214e9a21f6fe325ea9cc.png)
![\[i_4= 0.1154A\] \[i_4= 0.1154A\]](/forum/latexrender/pictures/048dd1592309f1498378b1e2ff43eb4f.png)
![\[i_L=\frac{E_o}{R_{Th}}=0.0583A\] \[i_L=\frac{E_o}{R_{Th}}=0.0583A\]](/forum/latexrender/pictures/c5dd5c492722c8f142532b7b19949a0f.png)
![\[i_L=i_L(J_1)+i_L(J_2)=0.0916A\] \[i_L=i_L(J_1)+i_L(J_2)=0.0916A\]](/forum/latexrender/pictures/07120b67e6f85f8bde82745368907e36.png)
![\[i_L(t)=0.0916e^{-4615384.6t}+0.033\; \; \; A\] \[i_L(t)=0.0916e^{-4615384.6t}+0.033\; \; \; A\]](/forum/latexrender/pictures/a3bb59fb930868c06717f5a2cd107e06.png)