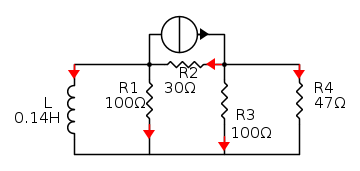
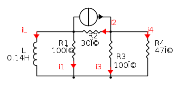
Devo calcolare la corrente in L
R1 è cortocircuitata quindi calcolo direttamente la corrente in L
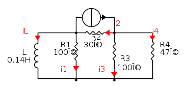
![\[i2= J\frac{R_{34}}{R_{34}+R_2}\] \[i2= J\frac{R_{34}}{R_{34}+R_2}\]](/forum/latexrender/pictures/4ea717318e0e1572199065afc991be50.png)
dove
sono in paralleloE' corretto il modo di impostare l'esercizio? Se non lo è, per cortesia correggete, grazie
Moderatori:
g.schgor,
IsidoroKZ
![\[i2= J\frac{R_{34}}{R_{34}+R_2}\] \[i2= J\frac{R_{34}}{R_{34}+R_2}\]](/forum/latexrender/pictures/4ea717318e0e1572199065afc991be50.png)
sono in parallelo


![\[\begin{cases} & \ J=i_4+i_3+i_2 \\ & \ i_2=i_1+i_L \\ & \ V_L=V_1 \\ & \ V_3=V_4 \\ & \ V_3=V_1+V_2 \end{cases}\] \[\begin{cases} & \ J=i_4+i_3+i_2 \\ & \ i_2=i_1+i_L \\ & \ V_L=V_1 \\ & \ V_3=V_4 \\ & \ V_3=V_1+V_2 \end{cases}\]](/forum/latexrender/pictures/b139c6a2fac99b8fe712da1ba83bdff0.png)


Torna a Elettrotecnica generale
Visitano il forum: Nessuno e 71 ospiti