ho un dubbio in questo esercizio,volevo capire se avevo scritto qualche baggianata io oppure se avevo sbagliato i calcoli.
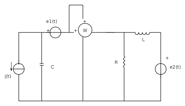
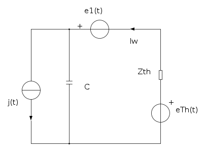
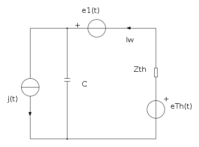
Il circuito
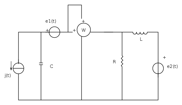
La domanda è trovarela potenza del wattmetro ideale
Allora,so
,so che la tensione del wattmetro coincide con la
.Uso il partitore di tensione per trovare
.Successivamente ho semplificato la rete usando Thevenin ,la tensione a vuoto coincide proprio
e quindi mi basta calcolarmi l'impedenza equivalente cioè
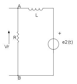
.Quindi la rete si semplifica inOra ,devo calcolarmi
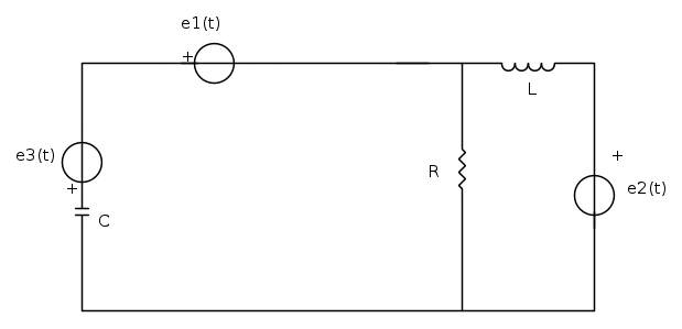
per fare ciò sostituisco il Generatore Normale di Corrente con un Generatore Normale di Tensione , con
quindi la rete mi diventae quindi posso calcolarmi la
usando le correnti ad anello oppure la LKTVolevo sapere se era giusto quello che ho scritto.grazie in anticipo

Elettrotecnica e non solo (admin)
Un gatto tra gli elettroni (IsidoroKZ)
Esperienza e simulazioni (g.schgor)
Moleskine di un idraulico (RenzoDF)
Il Blog di ElectroYou (webmaster)
Idee microcontrollate (TardoFreak)
PICcoli grandi PICMicro (Paolino)
Il blog elettrico di carloc (carloc)
DirtEYblooog (dirtydeeds)
Di tutto... un po' (jordan20)
AK47 (lillo)
Esperienze elettroniche (marco438)
Telecomunicazioni musicali (clavicordo)
Automazione ed Elettronica (gustavo)
Direttive per la sicurezza (ErnestoCappelletti)
EYnfo dall'Alaska (mir)
Apriamo il quadro! (attilio)
H7-25 (asdf)
Passione Elettrica (massimob)
Elettroni a spasso (guidob)
Bloguerra (guerra)






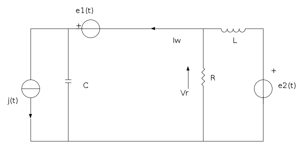
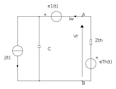
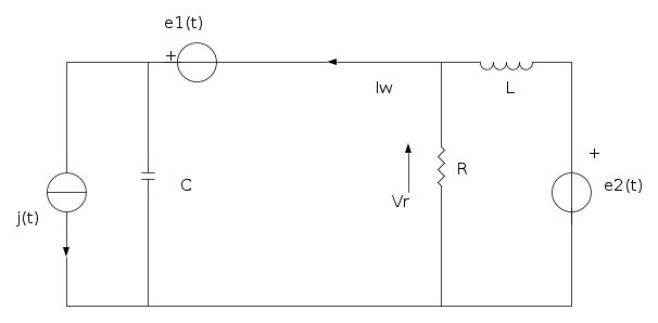
) e poi userei il metodo delle correnti ad anello






è ricavabile con il partitore di tensione,
è il parallelo che tu hai indicato ma
va ricavato opportunamente.
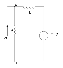
?
, perché la resistenza R è collegata tra i nodi A e B.
