Salve,
eccomi nuovamente con un altro quesito.
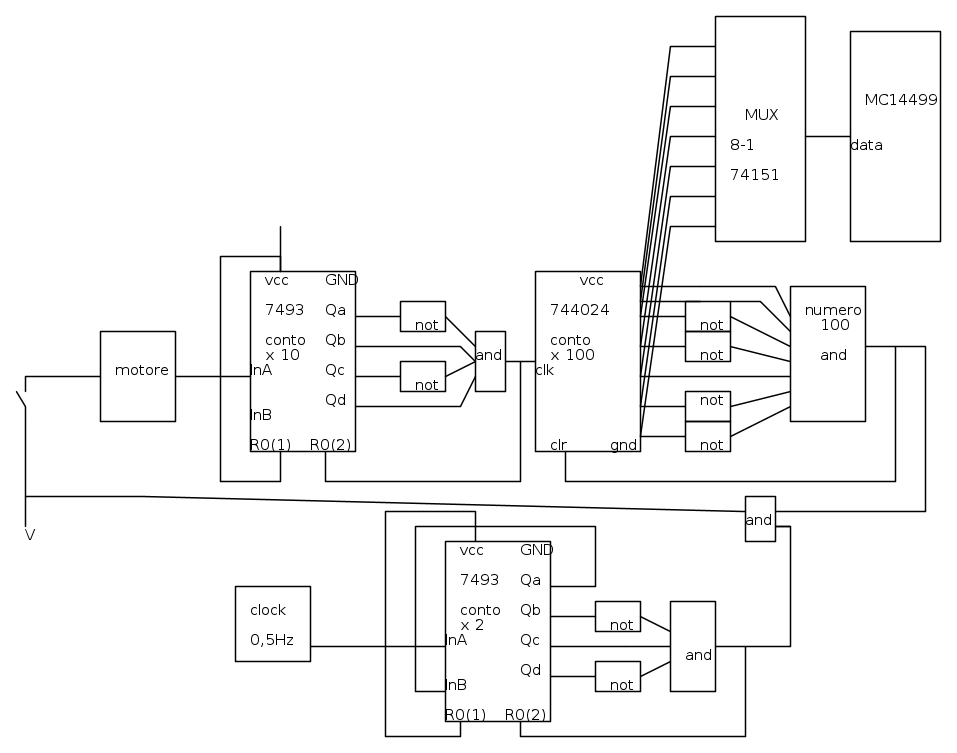
Sull’asse di un motore elettrico è montato un dispositivo (encoder) che genera 10 impulsi elettrici al giro.
Si desidera realizzare un sistema che permetta di visualizzare su un display digitale il valore della velocità del motore in giri/secondo.
Inoltre, se la velocità dell'asse supera i 100 giri/secondo deve essere generato un segnale TTLcompatibile che ferma il motore facendo scattare un interruttore sul suo circuito di alimentazione.
Si dispone di un clock di tipo TTL a frequenza pari a 0,5 Hz.
Il motore genera 10 impulsi che conteggio e a fine di questo conteggio ottengo un giro che collego a un altro contatore, che questa volta conta a 100 per spegnere il motore solo quando il clock ha mandato 2 impulsi per un totale di 1 secondo (0.5 secondi a impulso).
Volevo sapere se posso collegare le uscite del contatore 4024 al mux e collegare l'uscita del mux al decoder display mc14499 e ottenere quello che si trova a pagina 6 del datasheet
ftp://trf.education.gouv.fr/pub/edutel/ ... 99REV1.pdf
Giri al secondo di un motore con uso di un display
Moderatori:
carloc,
g.schgor,
BrunoValente,
IsidoroKZ
0
voti
Ci sono talmente tante cose che non vanno nel tuo schema che non so da che parte incominciare...
Usi contatori binari per contare 10 o 100?
Pensi di comandare un display decimale con un codice binario?
Il conteggio degli impulsi non deve essere azzerato ogni secondo?
Se il conteggio è >100 non arresti il motore?
(continua......)
Usi contatori binari per contare 10 o 100?
Pensi di comandare un display decimale con un codice binario?
Il conteggio degli impulsi non deve essere azzerato ogni secondo?
Se il conteggio è >100 non arresti il motore?
(continua......)
0
voti
g.schgor ha scritto:Ci sono talmente tante cose che non vanno nel tuo schema che non so da che parte incominciare...
Ho inserito il post proprio per questo, per essere correto da chi ne ha voglia.
g.schgor ha scritto:Usi contatori binari per contare 10 o 100?
In effetti potevo usare il DEC...
g.schgor ha scritto:Pensi di comandare un display decimale con un codice binario?
Un mio problema era capire anche questo...
g.schgor ha scritto:Il conteggio degli impulsi non deve essere azzerato ogni secondo?
Si dopo 2 impulsi il contatore viene resettato a R0(2)
g.schgor ha scritto:Se il conteggio è >100 non arresti il motore?
Si infatti ho collegato l'uscita del contatore 100 a quella del contatore 2 per spegnere il motore
1
voti
Linrush ha scritto:Ho inserito il post proprio per questo, per essere correto da chi ne ha voglia.
Benissimo, allora cominciamo dal principio.
Leggiti questo e fai uno schema elettrico leggibile.
Dopo ne riparliamo.
Pietro.
-

PietroBaima
90,7k 7 12 13 - G.Master EY

- Messaggi: 12206
- Iscritto il: 12 ago 2012, 1:20
- Località: Londra
1
voti
Chiedo scusa per il grafico poco chiaro, ma non riuscivo a trovare i giusti componenti su fidocad, non per strafottenza, anzi penso di aver impiegato più tempo ad ottenere questo risultato poco chiaro.
Trovo anche corretto riprendere ed educare l'utente verso l'uso corretto del forum al fine di avere più ordine e chiarezza possibile, non condivido molto l'approccio con cui lo state facendo.
Premetto che non mi interesso molto sui punti reputazione, ma che senso ha dare un voto negativo a una risposta che ho dato (Ho inserito il post proprio per questo, per essere correto da chi ne ha voglia.)
Posso accettare quella sul primo post vista la poca chiarezza, ma che senso ha sul secondo?
Ad ogni modo modificherò il grafico, per come giusto che sia.
Trovo anche corretto riprendere ed educare l'utente verso l'uso corretto del forum al fine di avere più ordine e chiarezza possibile, non condivido molto l'approccio con cui lo state facendo.
Premetto che non mi interesso molto sui punti reputazione, ma che senso ha dare un voto negativo a una risposta che ho dato (Ho inserito il post proprio per questo, per essere correto da chi ne ha voglia.)
Posso accettare quella sul primo post vista la poca chiarezza, ma che senso ha sul secondo?
Ad ogni modo modificherò il grafico, per come giusto che sia.
0
voti
Linrush ha scritto:Chiedo scusa per il grafico poco chiaro, ma non riuscivo a trovare i giusti componenti su fidocad, non per strafottenza, anzi penso di aver impiegato più tempo ad ottenere questo risultato poco chiaro.
OK, allora ricomincia il disegno, poi, se non trovi qualche componente puoi sempre chiedere.
Non è solo una questione di estetica, ma anche di comprensibilità.
Linrush ha scritto:Premetto che non mi interesso molto sui punti reputazione [...]
Non sono ammesse polemiche sui voti negativi. E' il regolamento.
Ricominciamo da capo, allora.
-

PietroBaima
90,7k 7 12 13 - G.Master EY

- Messaggi: 12206
- Iscritto il: 12 ago 2012, 1:20
- Località: Londra
0
voti
Beh, spero che i tuoi insegnanti ed i libri che hai letto sino ad ora in questo tema, n on abbiano usato segni grafici di fantasia, solo perché, per brevità facevano prima diversamente.
Diversamente, anche io farei prima a scrivere la mia lingua personale o ad agire a mio modo.
Nel caso specifico, questo thread, lo schema del post [1], (ammesso che schema sia), NON ha proprio nessun significato, come non lo avrebbe per molti di noi il geroglifico.
Diversamente, anche io farei prima a scrivere la mia lingua personale o ad agire a mio modo.
Nel caso specifico, questo thread, lo schema del post [1], (ammesso che schema sia), NON ha proprio nessun significato, come non lo avrebbe per molti di noi il geroglifico.
-

Candy
32,5k 7 10 13 - CRU - Account cancellato su Richiesta utente
- Messaggi: 10123
- Iscritto il: 14 giu 2010, 22:54
1
voti
Linrush ha scritto:Chiedo scusa per il grafico poco chiaro...
Scuse accettate.
Ma tu non idea di quanto mi costi non riempirti di punti negativi per quella porcata. Mi costa molto trattenermi, uno sforzo che è al limite dell' umana sopportazione.
Però
Vai figliolo, rimedia, pentiti e non peccare più.
"La follia sta nel fare sempre la stessa cosa aspettandosi risultati diversi".
"Parla soltanto quando sei sicuro che quello che dirai è più bello del silenzio".
Rispondere è cortesia, ma lasciare l'ultima parola ai cretini è arte.
"Parla soltanto quando sei sicuro che quello che dirai è più bello del silenzio".
Rispondere è cortesia, ma lasciare l'ultima parola ai cretini è arte.
-

TardoFreak
73,9k 8 12 13 - -EY Legend-

- Messaggi: 15754
- Iscritto il: 16 dic 2009, 11:10
- Località: Torino - 3° pianeta del Sistema Solare
2
voti
-

PietroBaima
90,7k 7 12 13 - G.Master EY

- Messaggi: 12206
- Iscritto il: 12 ago 2012, 1:20
- Località: Londra
Chi c’è in linea
Visitano il forum: Nessuno e 122 ospiti

Elettrotecnica e non solo (admin)
Un gatto tra gli elettroni (IsidoroKZ)
Esperienza e simulazioni (g.schgor)
Moleskine di un idraulico (RenzoDF)
Il Blog di ElectroYou (webmaster)
Idee microcontrollate (TardoFreak)
PICcoli grandi PICMicro (Paolino)
Il blog elettrico di carloc (carloc)
DirtEYblooog (dirtydeeds)
Di tutto... un po' (jordan20)
AK47 (lillo)
Esperienze elettroniche (marco438)
Telecomunicazioni musicali (clavicordo)
Automazione ed Elettronica (gustavo)
Direttive per la sicurezza (ErnestoCappelletti)
EYnfo dall'Alaska (mir)
Apriamo il quadro! (attilio)
H7-25 (asdf)
Passione Elettrica (massimob)
Elettroni a spasso (guidob)
Bloguerra (guerra)



pigreco]=π