Ciao a tutti,
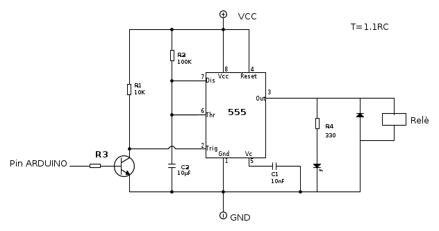
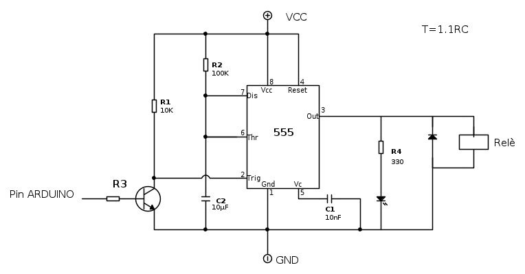
sono nuovo del forum e da poco mi sono avvicinato al mondo dell'elettronica. Adesso vorrei progettare e costruire un circuito che ricevendo in input 5v attivi un relay (che gestisca 220 V) per un secondo e poi lo disattivi. L'idea prevede in seguito di utilizzare questo circuito tramite Arduino. Qualche consiglio su come iniziare? Potrei usare un NE555?
Grazie a tutti
Circuito relay con timer 1 secondo
Moderatori:
carloc,
g.schgor,
BrunoValente,
IsidoroKZ
24 messaggi
• Pagina 1 di 3 • 1, 2, 3
0
voti
0
voti

Carlo.
"E' inutile cercarsi i guai visto che ci sono già loro che cercano noi" cit. TardoFreak
"E' inutile cercarsi i guai visto che ci sono già loro che cercano noi" cit. TardoFreak
0
voti
Grazie mille per le risposte, appena trovo un po' di tempo provo a vedere i datasheet e provo a fare un schema.
X Candy: ho la necessità che il relè funzioni per massimo un secondo in ogni condizione , gestendo tramite il software di arduino non potrei essere sicuro al 100% perché spesso arduino , in particolare se ha l'ethernet shield, si blocca e non posso permettere che il relè rimanga attivo troppo tempo.
X Candy: ho la necessità che il relè funzioni per massimo un secondo in ogni condizione , gestendo tramite il software di arduino non potrei essere sicuro al 100% perché spesso arduino , in particolare se ha l'ethernet shield, si blocca e non posso permettere che il relè rimanga attivo troppo tempo.
0
voti
Ho fatto uno schema con fidocad potrebbe andare bene? Ho qualche dubbio sul transistor collegato ad arduino.
0
voti
Dovrebbe andare bene a prima vista..... Cosa non ti convince del transistor?
Carlo.
"E' inutile cercarsi i guai visto che ci sono già loro che cercano noi" cit. TardoFreak
"E' inutile cercarsi i guai visto che ci sono già loro che cercano noi" cit. TardoFreak
0
voti
Posta lo schema come si deve e non come immagine, altrimenti non e' possibile modificarlo; inoltre mancano i valori dei componenti.
Leggi le regole del forum.
Leggi le regole del forum.
marco
1
voti
Scusate ho sistemato il circuito. Più che altro il mio problema è scegliere il tipo di transistor e dimensionare R3.
24 messaggi
• Pagina 1 di 3 • 1, 2, 3
Chi c’è in linea
Visitano il forum: Nessuno e 47 ospiti

Elettrotecnica e non solo (admin)
Un gatto tra gli elettroni (IsidoroKZ)
Esperienza e simulazioni (g.schgor)
Moleskine di un idraulico (RenzoDF)
Il Blog di ElectroYou (webmaster)
Idee microcontrollate (TardoFreak)
PICcoli grandi PICMicro (Paolino)
Il blog elettrico di carloc (carloc)
DirtEYblooog (dirtydeeds)
Di tutto... un po' (jordan20)
AK47 (lillo)
Esperienze elettroniche (marco438)
Telecomunicazioni musicali (clavicordo)
Automazione ed Elettronica (gustavo)
Direttive per la sicurezza (ErnestoCappelletti)
EYnfo dall'Alaska (mir)
Apriamo il quadro! (attilio)
H7-25 (asdf)
Passione Elettrica (massimob)
Elettroni a spasso (guidob)
Bloguerra (guerra)







