Un saluto a tutti.
Ho la necessità di realizzare uno stadio con OpAmp ed ho a disposizione solamente una tensione positiva (15V).
Vorrei impiegare dei generatori di tensione di alimentazione negativa per poter fornire almeno qualche volt negativo all'OpAmp, senza dover avere pretese sulla corrente erogata. Lo stadio dovrà poi interfacciarsi con un ingresso analogico di un PICMicro (corrente assorbita davvero bassa).
Chiedo quindi qualche suggerimento per questo integrato.
Grazie.
Paolo.
Integrato per Vref per OpAmp
Moderatori:
carloc,
g.schgor,
BrunoValente,
IsidoroKZ
15 messaggi
• Pagina 1 di 2 • 1, 2
1
voti
"Houston, Tranquillity Base here. The Eagle has landed." - Neil A.Armstrong
-------------------------------------------------------------
PIC Experience - http://www.picexperience.it
-------------------------------------------------------------
PIC Experience - http://www.picexperience.it
-

Paolino
32,6k 8 12 13 - G.Master EY

- Messaggi: 4226
- Iscritto il: 20 gen 2006, 11:42
- Località: Vigevano (PV)
0
voti
mmm...sicuro non ci sia una soluzione migliore? tipo un op amp real-to-rail? se va ad un adc, suppongo che la dinamica di ingresso che ti serve sia 0-5V (o 0-Vcc del PIC)...che dinamica ha il segnale di ingresso?
_______________________________________________________
Gli oscillatori non oscillano mai, gli amplificatori invece sempre
Io HO i poteri della supermucca, e ne vado fiero!
Gli oscillatori non oscillano mai, gli amplificatori invece sempre
Io HO i poteri della supermucca, e ne vado fiero!
1
voti
Ciao Paolino,
Ti segnalo questo grazioso ICL7660: datasheet
In alternativa, puoi sfruttare maliziosamente un MAX232, oppure ricorrere a un invertitore basato su 555.
In ogni caso concordo con
obiuan, in linea generale non mi sono mai piaciuti i bias negativi...
Poi chiaro, se serve, serve! 
Come si vede dai miei video, sono in fan sfegatato del vetusto LM358: altro che rail-to-rail input, se parliamo di tensioni d'ingresso vicine a GND, questo è un autentico buongustaio!
Ti segnalo questo grazioso ICL7660: datasheet
In alternativa, puoi sfruttare maliziosamente un MAX232, oppure ricorrere a un invertitore basato su 555.

In ogni caso concordo con
Come si vede dai miei video, sono in fan sfegatato del vetusto LM358: altro che rail-to-rail input, se parliamo di tensioni d'ingresso vicine a GND, questo è un autentico buongustaio!

Alberto.
1
voti
Grazie a tutti per le risposte!
Per
obiuan: il segnale in ingresso ha dinamica 0-10V, mi serve portalo 0-5V.
Vero che potrei usare un partitore, ma se posso optare per un opto lo preferirei.
Ciao.
Paolo.
Per
Vero che potrei usare un partitore, ma se posso optare per un opto lo preferirei.
Ciao.
Paolo.
"Houston, Tranquillity Base here. The Eagle has landed." - Neil A.Armstrong
-------------------------------------------------------------
PIC Experience - http://www.picexperience.it
-------------------------------------------------------------
PIC Experience - http://www.picexperience.it
-

Paolino
32,6k 8 12 13 - G.Master EY

- Messaggi: 4226
- Iscritto il: 20 gen 2006, 11:42
- Località: Vigevano (PV)
0
voti
Ehi Alberto !
Mi hai bruciato di 4 minuti !
Mentre io scrivevo tu postavi....
Ciao
Giorgio
Mi hai bruciato di 4 minuti !
Mentre io scrivevo tu postavi....
Ciao
Giorgio
-

giorgio25760
2.310 1 3 5 - G.Master EY

- Messaggi: 1700
- Iscritto il: 6 dic 2009, 17:02
- Località: Brescia
0
voti
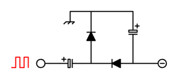
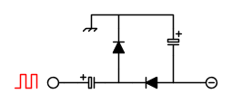
Ciao, se ti interessa una soluzione alternativa "spartana", puoi fare anche una pompa di carica di questo tipo:
Anche se un integrato che fa' gia' tutto il lavoro è sicuramente piu' efficiente e controllabile.
Anche se un integrato che fa' gia' tutto il lavoro è sicuramente piu' efficiente e controllabile.
1
voti
Ho anche trovato un vecchio post di Isidoro che aiuta a dimensionare una pompa di carica di quel tipo (ecco il link)
L'integrato mi piaceva per una questione di miglior controllo, ma valuto anche l'opzione a discreti.
Grazie anche a te!
Semmai nel pomeriggio provo a buttar giù due conti e vediamo se tutto torna (tanto
Ciao.
Paolo.
"Houston, Tranquillity Base here. The Eagle has landed." - Neil A.Armstrong
-------------------------------------------------------------
PIC Experience - http://www.picexperience.it
-------------------------------------------------------------
PIC Experience - http://www.picexperience.it
-

Paolino
32,6k 8 12 13 - G.Master EY

- Messaggi: 4226
- Iscritto il: 20 gen 2006, 11:42
- Località: Vigevano (PV)
0
voti
Non mi ricordo chi li facesse (forse TI), ma dovresti riuscire a trovare degli op amp con la pompa di carica integrata per la tensione negativa.
It's a sin to write
instead of
(Anonimo).
...'cos you know that
ain't
, right?
You won't get a sexy tan if you write
in lieu of
.
Take a log for a fireplace, but don't take
for
arithm.
instead of
(Anonimo)....'cos you know that
ain't
, right?You won't get a sexy tan if you write
in lieu of
.Take a log for a fireplace, but don't take
for
arithm.-

DirtyDeeds
55,9k 7 11 13 - G.Master EY

- Messaggi: 7012
- Iscritto il: 13 apr 2010, 16:13
- Località: Somewhere in nowhere
0
voti
Paolino ha scritto:Perobiuan: il segnale in ingresso ha dinamica 0-10V, mi serve portalo 0-5V.
Vero che potrei usare un partitore, ma se posso optare per un opto lo preferirei.
Non ne vedo il motivo, l'unico vantaggio che avresti sarebbe l'impedenza d'uscita, che risolvi con un condensatore sul partitore se non hai grossi problemi di velocità (non conosco la capacità di ingresso del S&H dei PIC). Mi sembra comunque sia un'inutile complicazione, soprattutto visto che devi generarti un bias negativo. Che opa hai?
_______________________________________________________
Gli oscillatori non oscillano mai, gli amplificatori invece sempre
Io HO i poteri della supermucca, e ne vado fiero!
Gli oscillatori non oscillano mai, gli amplificatori invece sempre
Io HO i poteri della supermucca, e ne vado fiero!
15 messaggi
• Pagina 1 di 2 • 1, 2
Chi c’è in linea
Visitano il forum: Nessuno e 145 ospiti

Elettrotecnica e non solo (admin)
Un gatto tra gli elettroni (IsidoroKZ)
Esperienza e simulazioni (g.schgor)
Moleskine di un idraulico (RenzoDF)
Il Blog di ElectroYou (webmaster)
Idee microcontrollate (TardoFreak)
PICcoli grandi PICMicro (Paolino)
Il blog elettrico di carloc (carloc)
DirtEYblooog (dirtydeeds)
Di tutto... un po' (jordan20)
AK47 (lillo)
Esperienze elettroniche (marco438)
Telecomunicazioni musicali (clavicordo)
Automazione ed Elettronica (gustavo)
Direttive per la sicurezza (ErnestoCappelletti)
EYnfo dall'Alaska (mir)
Apriamo il quadro! (attilio)
H7-25 (asdf)
Passione Elettrica (massimob)
Elettroni a spasso (guidob)
Bloguerra (guerra)




