lineetta sovrapposta a puntini indica tensione continua non stabilizzata
(una volta la chiamavamo pulsata, ma non so se fosse corretto)
K
Voltauova automatico per incubatrice
Moderatori:
carloc,
g.schgor,
BrunoValente,
IsidoroKZ
2
voti
FedericoSibona ha scritto:Si potrebbe anche utilizzare l'uscita 16V dello switching della stampante HP aggiungendo in uscita un regolatore/stabilizzatore 7812 sull'uscita
Hai ragione. Ma visto che uno stabilizzatore va comunque inserito, preferisco permettere l'utilizzo di alimentatori più comuni come quelli da 12 V.
Finalmente ho modificato il circuito e ho il kit pronto. Alessandro hai avuto fortuna, rovistando ho trovato anche un commutatore a 4 posizioni, due calamite e un micro relè da 12 V, quindi c'è tutto il necessario. Visto come è progredito il circuito sarebbe più adatto un relè da 5 V, ma non ce l'ho e mi sono arrangiato con quello che c'è. Eventualmente il relè da 5 V si potrà inserire in futuro con una piccola modifica al circuito.
Ti invio anche una millefori da 5,4 x 10 cm (dovrebbe bastare e avanzare), un contatto reed per finecorsa, e se non li hai già, anche stagno e fili di rame.
Inserirò anche qualche componente per eventuali modifiche tardive.
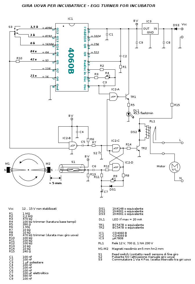
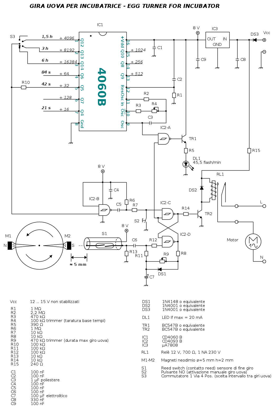
Ed ecco il circuito definitivo (si spera). È basato sulla versione 1, quella che permette una regolazione senza scatti del tempo massimo di giro uova, che mi sembra d'aver capito che è quella che ti interessa di più.
Attendo osservazioni, correzioni ecc. Se non ci sono proposte di modifica, venerdì in tarda mattinata spedisco.

Big fan of ⋮ƎlectroYou! Ausili per disabili e anziani su ⋮ƎlectroYou
Caratteri utili: À È É Ì Ò Ó Ù α β γ δ ε η θ λ μ π ρ σ τ φ ω Ω º ª ² ³ √ ∛ ∜ ₀ ₁ ₂ ₃ ₄ ₅ ₆ ∃ ∄ ∆ ∈ ∉ ± ∓ ∾ ≃ ≈ ≠ ≤ ≥
Caratteri utili: À È É Ì Ò Ó Ù α β γ δ ε η θ λ μ π ρ σ τ φ ω Ω º ª ² ³ √ ∛ ∜ ₀ ₁ ₂ ₃ ₄ ₅ ₆ ∃ ∄ ∆ ∈ ∉ ± ∓ ∾ ≃ ≈ ≠ ≤ ≥
4
voti
Ecco il kit. C'è anche stagno, un po' di filo e un tubetto di plastica per contenere e proteggere il contatto reed nel circuito finito. Ora vado a spedirlo...
Big fan of ⋮ƎlectroYou! Ausili per disabili e anziani su ⋮ƎlectroYou
Caratteri utili: À È É Ì Ò Ó Ù α β γ δ ε η θ λ μ π ρ σ τ φ ω Ω º ª ² ³ √ ∛ ∜ ₀ ₁ ₂ ₃ ₄ ₅ ₆ ∃ ∄ ∆ ∈ ∉ ± ∓ ∾ ≃ ≈ ≠ ≤ ≥
Caratteri utili: À È É Ì Ò Ó Ù α β γ δ ε η θ λ μ π ρ σ τ φ ω Ω º ª ² ³ √ ∛ ∜ ₀ ₁ ₂ ₃ ₄ ₅ ₆ ∃ ∄ ∆ ∈ ∉ ± ∓ ∾ ≃ ≈ ≠ ≤ ≥
0
voti
Grazie Guido
A vedere tutti quei cosi mi viene il mal di testa
Scherzi a parte, ti ringrazio immensamente per la disponibilità, sperando un giorno di avere la possibilità di ricambiare.
Perdonami ma non ho capito quale è l'alimentatore che devo usare dei 4 proposti.
Ci sentiamo appena ricevo il pacco.
Grazie ancora infinite!
Alessandro
A vedere tutti quei cosi mi viene il mal di testa
Scherzi a parte, ti ringrazio immensamente per la disponibilità, sperando un giorno di avere la possibilità di ricambiare.
Perdonami ma non ho capito quale è l'alimentatore che devo usare dei 4 proposti.
Ci sentiamo appena ricevo il pacco.
Grazie ancora infinite!
Alessandro
0
voti
Kagliostro ha scritto:lineetta sovrapposta a puntini indica tensione continua non stabilizzata
(una volta la chiamavamo pulsata, ma non so se fosse corretto)
K
1
voti
Ale80 ha scritto:Perdonami ma non ho capito quale è l'alimentatore che devo usare dei 4 proposti.
Il circuito assorbe al massimo 40 mA. Ha bisogno di una tensione di 12 V non stabilizzata (valore di picco circa 17 V) oppure una tensione di circa 16 V stabilizzata, oppure una tensione di 12 V stabilizzata previa piccola modifica al circuito.
Quindi degli alimentatori che hai proposto si può usare il N. 1 (12 V non stabilizzati, 400 mA) oppure il N. 3 (16 V stabilizzati) avendo cura di usare l'uscita a 16 V e non quella a 32.
Il N. 4 (12 V stabilizzati, 50 mA) va controllato quando riceverai il tester. Se in uscita misuri effettivamente 12 V vuol dire che è stabilizzato e va bene, ma bisogna eliminare una resistenza dal circuito. Se invece misuri circa 17 V significa che non è stabilizzato, quindi si può collegare al circuito così com'è.
Ci sarebbe anche la possibilità, se hai un alimentatore che fornisce 12 V alternati (quindi solo un trasformatore + fusibile) di inserire un ponte raddrizzatore + un condensatore di filtro nel tuo circuito (ho inserito i componenti necessari nel kit) e usare anche quello.
Oppure potresti smontare un trasformatorino da 12 V e montarlo sul circuito, ma lo sconsiglio fortemente visto che a quel punto avresti i 230 V sul circuito durante le prove e sarebbe troppo pericoloso.
Inoltre i 230 V del motore vanno collegati ai morsetti del circuito solo alla fine, col circuito montato nella sua scatola, quando non lo devi più manipolare.
Il LED verde, nell'ultima versione del circuito, lampeggia durante il tempo di attesa e resta acceso fisso mentre il motore gira. Così puoi provare il funzionamento senza dover collegare il motore (ti aiuti anche col "click" del relè).
I fori della millefori sono troppo piccoli per i terminali dei due trimmer e dei morsetti a vite. Avrai bisogno di una punta da trapano da 1 mm per allargare una decina di fori, oppure (opzione sconsigliata) armarti di una piccola lima e tanta pazienza per assottigliare i terminali troppo grossi, facendo attenzione a non romperli.
Conferma che il saldatore ha una punta sottile, in caso contrario sarà difficile (se non impossibile) fare delle buone sadature. Una potenza di 40 W va ancora bene ma mi fa pensare che è un saldatore un po' grosso. Io consumavo le punte di rame a forza di limarle, quando ancora non le nichelavano...
Ricordati che le punte di rame, nichelate e non, vanno stagnate abbondantemente sulla punta prima di usarle per la prima volta. Solo così eviti che la punta si ricopra di ossido.
Una punta di rame fine e nichelata è il meglio. Se il saldatore è troppo grosso ti consiglio di comprarne uno più piccolo, quelli senza pretese costano pochi euro.
Big fan of ⋮ƎlectroYou! Ausili per disabili e anziani su ⋮ƎlectroYou
Caratteri utili: À È É Ì Ò Ó Ù α β γ δ ε η θ λ μ π ρ σ τ φ ω Ω º ª ² ³ √ ∛ ∜ ₀ ₁ ₂ ₃ ₄ ₅ ₆ ∃ ∄ ∆ ∈ ∉ ± ∓ ∾ ≃ ≈ ≠ ≤ ≥
Caratteri utili: À È É Ì Ò Ó Ù α β γ δ ε η θ λ μ π ρ σ τ φ ω Ω º ª ² ³ √ ∛ ∜ ₀ ₁ ₂ ₃ ₄ ₅ ₆ ∃ ∄ ∆ ∈ ∉ ± ∓ ∾ ≃ ≈ ≠ ≤ ≥
1
voti
Ale80 ha scritto:A vedere tutti quei cosi mi viene il mal di testa![]()
E non hai ancora cominciato!
Io aspetto ancora un momento per vedere cosa deciderete per l'alimentazione (se si devono fare altre modifiche), poi butto giu' il piano di costruzione su millefori.
Intanto, pero', ti consiglierei la lettura di questo articolo; tanto prima che arrivino i componenti, qualche giorno passa
marco
0
voti
marco438 ha scritto:Ale80 ha scritto:A vedere tutti quei cosi mi viene il mal di testa![]()
E non hai ancora cominciato!![]()
Io aspetto ancora un momento per vedere cosa deciderete per l'alimentazione (se si devono fare altre modifiche), poi butto gli il piano di costruzione su millefori.
Intanto, pero', ti consiglierei la lettura di questo articolo; tanto prima che arrivino i componenti, qualche giorno passa
Ciao Marco, sto scaldando i motori...tieniti pronto anche tu! Appena mi arriverà il pacco ci metteremo a sviluppare lo schema.

0
voti
GuidoB ha scritto:Il N. 4 (12 V stabilizzati, 50 mA) va controllato quando riceverai il tester. Se in uscita misuri effettivamente 12 V vuol dire che è stabilizzato e va bene, ma bisogna eliminare una resistenza dal circuito. Se invece misuri circa 17 V significa che non è stabilizzato, quindi si può collegare al circuito così com'è.
Appena mi arriva il multimetro faccio qualche prova e poi magari valutiamo insieme quello più adatto.
GuidoB ha scritto:I fori della millefori sono troppo piccoli per i terminali dei due trimmer e dei morsetti a vite. Avrai bisogno di una punta da trapano da 1 mm per allargare una decina di fori, oppure (opzione sconsigliata) armarti di una piccola lima e tanta pazienza per assottigliare i terminali troppo grossi, facendo attenzione a non romperli.
Preferisco bucare con il trapano, e dovrei anche avere la punta così piccola.
GuidoB ha scritto:Conferma che il saldatore ha una punta sottile, in caso contrario sarà difficile (se non impossibile) fare delle buone sadature. Una potenza di 40 W va ancora bene ma mi fa pensare che è un saldatore un po' grosso. Io consumavo le punte di rame a forza di limarle, quando ancora non le nichelavano...
Onestamente non ho mai verificato di che tipo di punta si tratta, comunque mi assicurero che sia ben pulita da eventuale ossido. Eventualmente posso provare a limarla un po'?
Non vedo l'ora di mettermi alla prova. Mi gioco tutto...se va bene ci faccio qualche altro pensierino altrimenti...
Buon sabato sera...
Chi c’è in linea
Visitano il forum: Nessuno e 105 ospiti

Elettrotecnica e non solo (admin)
Un gatto tra gli elettroni (IsidoroKZ)
Esperienza e simulazioni (g.schgor)
Moleskine di un idraulico (RenzoDF)
Il Blog di ElectroYou (webmaster)
Idee microcontrollate (TardoFreak)
PICcoli grandi PICMicro (Paolino)
Il blog elettrico di carloc (carloc)
DirtEYblooog (dirtydeeds)
Di tutto... un po' (jordan20)
AK47 (lillo)
Esperienze elettroniche (marco438)
Telecomunicazioni musicali (clavicordo)
Automazione ed Elettronica (gustavo)
Direttive per la sicurezza (ErnestoCappelletti)
EYnfo dall'Alaska (mir)
Apriamo il quadro! (attilio)
H7-25 (asdf)
Passione Elettrica (massimob)
Elettroni a spasso (guidob)
Bloguerra (guerra)





