Avevo postato mooolto tempo fa riguardo ad un progetto relativo ad un preamp. Poi la carenza cronica di tempo mi ha fatto abbandonare tutto...
A tal proposito ho voluto reiniziare a capire come funziona quel progetto. Nello specifico ho iniziato valutando il circuito utilizzato per evitare di avere lo switch di accensione direttamente connesso ai 230V, come spiegato qui:
http://bazylewicz.pl/pga2310_preamp/power_supply/
nella sezione 12V Mains Switch
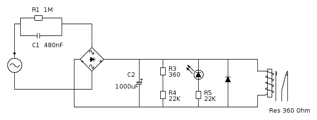
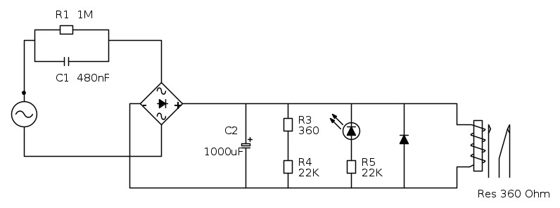
Ho quindi provato a riprodurre il circuito schema con LTSpice per simularlo. Questo il risultato:

Riscontro due anomalie:
1) La tensione su R6 (che simula il relè) non dovrebbe essere 12V??
2) C2 dovrebbe essere da 1000uF, ma se aumento il valore oltre 16uF LTSpice mi da un Singular Matrix Error
Grazie in anticipo!

Elettrotecnica e non solo (admin)
Un gatto tra gli elettroni (IsidoroKZ)
Esperienza e simulazioni (g.schgor)
Moleskine di un idraulico (RenzoDF)
Il Blog di ElectroYou (webmaster)
Idee microcontrollate (TardoFreak)
PICcoli grandi PICMicro (Paolino)
Il blog elettrico di carloc (carloc)
DirtEYblooog (dirtydeeds)
Di tutto... un po' (jordan20)
AK47 (lillo)
Esperienze elettroniche (marco438)
Telecomunicazioni musicali (clavicordo)
Automazione ed Elettronica (gustavo)
Direttive per la sicurezza (ErnestoCappelletti)
EYnfo dall'Alaska (mir)
Apriamo il quadro! (attilio)
H7-25 (asdf)
Passione Elettrica (massimob)
Elettroni a spasso (guidob)
Bloguerra (guerra)







pigreco]=π