Ho pensato una semplificazione.
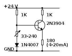
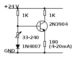
Al posto dell'operazionale un semplice transistor:
Sonda di livello serbatoio
Moderatori:
dimaios,
carlomariamanenti
13 messaggi
• Pagina 2 di 2 • 1, 2
1
voti
Innanzitutto scusate il ritardo con cui rispondo, ma tra giorni festivi e lavoro non ho avuto il tempo di rispondere.
Ringrazio anche
g.schgor e
badilant per il tempo che avete dedicato alla mia richiesta.
Allora ho trovato un ritaglio di tempo e vorrei spiegare il mio problema a 360° in modo che possa servire anche ad altri.
Inizierei con il descrivere il macchinario di cui vorrei eseguire la modifica.
Il macchinario in questione è uno sgrigliatore, ossia è un macchinario automatico che si trova nel campo dell'idroelettrico la cui funzione è quella di togliere dall'acqua dei canali di derivazione e dighe, materiale organico come foglie, rame ecc.... prima che l'acqua venga turbinata.
Allego un immagine per far capire il macchinario nel suo insieme.
Potete figurarvi questo macchinario come un enorme rastrello che scorre su di una griglia, l'acqua attraversando la griglia lascia il materiale attaccato su di essa, il macchinario in modo automatico si aziona e fa scorrere il pettine sulla griglia che poi scarica il tutto su un nastro trasportatore.
In linea di principio il macchinario è fatto nel seguente modo:
All'interno del canale generalmente infilate in dei tubi (per evitare oscillamenti continui) ci sono 2 sonde totalmente sommerse, che sono situate a monte e valle della griglia, il verso dell'acqua stabilisce monte e valle.
Nel mio caso sono sonde di pressione che misurano la colonna d'acqua che hanno al di sopra, fornendo un segnale proporzionale 4/20 milliampere.
Il principio di funzionamento è molto semplice, vi posto uno schema:
Quando il materiale organico tipo foglie, rami ecc... va ad intasare la griglia si crea un dislivello tra monte e valle (livello monte > livello valle), le due sonde collegate al PLC (S7-200) fornendo un segnale proporzionale alla colonna d'acqua sopra di esse fanno si che il software riesca a capire l'intasamento e fa partire il pettine che pulisce tutta la griglia; fino al ripristino dei 2 livelli monte valle (non è detto che un ciclo basti).
Tramite pannellino del PLC si può impostare il differenziale ossia la differenza fra * livello monte - livello valle *, quando questa raggiunge un valore impostato e modificabile da PLC la macchina si aziona (Esempio differenza di 30 cm, il PLC logicamente fa le conversioni milliampere/centimetri).
Come detto a inizo forum le sonde che possiedo sono delle sonde con un elemento sensibile ceramico non adatto ad acqua di fiume, e quindi oltre ad avere un elevato costo non sono adatte allo scopo, ho anche provato a coprire l'elemento ceramico con una membrana protettiva, accessorio delle sonde ma anche la membrana si irrigidisce appena si crea velo di calcare.
Mi capita spesso di eseguire manutenzioni su questi macchinari, e in uno di questi si poteva eliminare la sonda di monte perché il livello di monte in quel caso rimaneva sempre a quella quota (ma solo in un macchinario dei tanti manutenzionati negli altri casi la quota di monte varia spesso), allora visto che la sonda si danneggiava spesso decisi di eseguire la seguente modifica (su un forum si parlava di come generare un segnale 4/20 milliampere con pochi strumenti ) modificai il tutto in questo modo:
Non potevo eseguire modifiche al software del PLC, non mi chiedete perché prendetelo per buono.
Così impostai grazie al resistore variabile (presi un potenziometro da 5K e lasciai un piede vuoto) una corrente di qualche milliampere in modo da trovare il giusto livello di monte (in quel caso il livello di monte non cambiava), il resistore da 1200 Ohm era per evitare che qualcuno agisse sul potenziometro danneggiando la porta facendo circolare una corrente superiore ai 20 milliampere.
L'applicazione è ancora li che funziona da 2 anni e non si è danneggiato niente.
Unici contro è che la tensione non è 24 volt precisi (si può ovviare con un integrato o diodo zener) e il resistore con il caldo cambia un pochino la resistenza; ma il tutto rimaneva accettabile.
Navigando per il web mi sono imbattuto in un galleggiante come quello del primo post, che viene utilizzato in nautica collegato a un indicatore di livello analogico da qui il nome al post "SONDA DI LIVELLO PER SERBATOIO".
Unico problema era che la differenza di resistenza era minima e quindi mi risulta inaccettabile per il calcolo del differenziale, ossia diciamo che ho poca risoluzione in un escursione di 50 cm, logicamente solo per l'applicazione che riguarda me e per come volevo implementare il tutto.
Volevo collegare la sonda come descritto sopra per fissare il giusto livello di monte, al posto del resitore variabile inserire il mio galleggiante, anche se non ottengo un segnale 4/20 milliampere credo sarei riuscito comunque a sistemare il tutto giocando con le altezze avendo però un più ampio range di resistenza variabile.
Vi ricordo che non posso riparametrizzare la porta.
Allora armato di tanta pazienza giro per il web cercando invano le sonde come quelle suggeritemi poi da
badilant.
Quello che vorrei ricreare io è lo stesso schema che ho creato per il livello di monte, sostituendo la sonda al resitore variabile e togliendo tutte le sonde di pressione con le più economiche sonde a galleggiante.
Solo dopo aver risposto a
badilant mi sono accorto che in serie al cursore della sonda c'è una resistenza da un 1K ,prima non avevo visto l'indicazione che riportava la nota avevo solo notato l'escursione del potenziometro 500/2000 Ohm chiedo perdono per questo.
Quindi utilizzando il potenziometro come resistore variabile avrei una resistenza che varia da 1500/3000 ohm quindi un segnale 16/8 milliampere.
Altrimenti potrei utilizzare la soluzione proposta da
g.schgor, la stimo profondamente perché riesce sempre a trovare una soluzione elementare "old style" a tutto
.
Ora avrei una domanda per
badilant che magari le ha già utilizzate come varia la resistenza, 500 ohm sono nel punto più basso e 2000 nel punto più alto ?
Grazie delle risposte e scusate il ritardo nel rispondere, fatemi sapere che ne pensate.
Ringrazio anche
Allora ho trovato un ritaglio di tempo e vorrei spiegare il mio problema a 360° in modo che possa servire anche ad altri.
Inizierei con il descrivere il macchinario di cui vorrei eseguire la modifica.
Il macchinario in questione è uno sgrigliatore, ossia è un macchinario automatico che si trova nel campo dell'idroelettrico la cui funzione è quella di togliere dall'acqua dei canali di derivazione e dighe, materiale organico come foglie, rame ecc.... prima che l'acqua venga turbinata.
Allego un immagine per far capire il macchinario nel suo insieme.
Potete figurarvi questo macchinario come un enorme rastrello che scorre su di una griglia, l'acqua attraversando la griglia lascia il materiale attaccato su di essa, il macchinario in modo automatico si aziona e fa scorrere il pettine sulla griglia che poi scarica il tutto su un nastro trasportatore.
In linea di principio il macchinario è fatto nel seguente modo:
All'interno del canale generalmente infilate in dei tubi (per evitare oscillamenti continui) ci sono 2 sonde totalmente sommerse, che sono situate a monte e valle della griglia, il verso dell'acqua stabilisce monte e valle.
Nel mio caso sono sonde di pressione che misurano la colonna d'acqua che hanno al di sopra, fornendo un segnale proporzionale 4/20 milliampere.
Il principio di funzionamento è molto semplice, vi posto uno schema:
Quando il materiale organico tipo foglie, rami ecc... va ad intasare la griglia si crea un dislivello tra monte e valle (livello monte > livello valle), le due sonde collegate al PLC (S7-200) fornendo un segnale proporzionale alla colonna d'acqua sopra di esse fanno si che il software riesca a capire l'intasamento e fa partire il pettine che pulisce tutta la griglia; fino al ripristino dei 2 livelli monte valle (non è detto che un ciclo basti).
Tramite pannellino del PLC si può impostare il differenziale ossia la differenza fra * livello monte - livello valle *, quando questa raggiunge un valore impostato e modificabile da PLC la macchina si aziona (Esempio differenza di 30 cm, il PLC logicamente fa le conversioni milliampere/centimetri).
Come detto a inizo forum le sonde che possiedo sono delle sonde con un elemento sensibile ceramico non adatto ad acqua di fiume, e quindi oltre ad avere un elevato costo non sono adatte allo scopo, ho anche provato a coprire l'elemento ceramico con una membrana protettiva, accessorio delle sonde ma anche la membrana si irrigidisce appena si crea velo di calcare.
Mi capita spesso di eseguire manutenzioni su questi macchinari, e in uno di questi si poteva eliminare la sonda di monte perché il livello di monte in quel caso rimaneva sempre a quella quota (ma solo in un macchinario dei tanti manutenzionati negli altri casi la quota di monte varia spesso), allora visto che la sonda si danneggiava spesso decisi di eseguire la seguente modifica (su un forum si parlava di come generare un segnale 4/20 milliampere con pochi strumenti ) modificai il tutto in questo modo:
Non potevo eseguire modifiche al software del PLC, non mi chiedete perché prendetelo per buono.
Così impostai grazie al resistore variabile (presi un potenziometro da 5K e lasciai un piede vuoto) una corrente di qualche milliampere in modo da trovare il giusto livello di monte (in quel caso il livello di monte non cambiava), il resistore da 1200 Ohm era per evitare che qualcuno agisse sul potenziometro danneggiando la porta facendo circolare una corrente superiore ai 20 milliampere.
L'applicazione è ancora li che funziona da 2 anni e non si è danneggiato niente.
Unici contro è che la tensione non è 24 volt precisi (si può ovviare con un integrato o diodo zener) e il resistore con il caldo cambia un pochino la resistenza; ma il tutto rimaneva accettabile.
Navigando per il web mi sono imbattuto in un galleggiante come quello del primo post, che viene utilizzato in nautica collegato a un indicatore di livello analogico da qui il nome al post "SONDA DI LIVELLO PER SERBATOIO".
Unico problema era che la differenza di resistenza era minima e quindi mi risulta inaccettabile per il calcolo del differenziale, ossia diciamo che ho poca risoluzione in un escursione di 50 cm, logicamente solo per l'applicazione che riguarda me e per come volevo implementare il tutto.
Volevo collegare la sonda come descritto sopra per fissare il giusto livello di monte, al posto del resitore variabile inserire il mio galleggiante, anche se non ottengo un segnale 4/20 milliampere credo sarei riuscito comunque a sistemare il tutto giocando con le altezze avendo però un più ampio range di resistenza variabile.
Vi ricordo che non posso riparametrizzare la porta.
Allora armato di tanta pazienza giro per il web cercando invano le sonde come quelle suggeritemi poi da
Quello che vorrei ricreare io è lo stesso schema che ho creato per il livello di monte, sostituendo la sonda al resitore variabile e togliendo tutte le sonde di pressione con le più economiche sonde a galleggiante.
Solo dopo aver risposto a
Quindi utilizzando il potenziometro come resistore variabile avrei una resistenza che varia da 1500/3000 ohm quindi un segnale 16/8 milliampere.
Altrimenti potrei utilizzare la soluzione proposta da
.Ora avrei una domanda per
Grazie delle risposte e scusate il ritardo nel rispondere, fatemi sapere che ne pensate.
0
voti
Ora avrei una domanda per badilant che magari le ha già utilizzate come varia la resistenza, 500 ohm sono nel punto più basso e 2000 nel punto più alto ?
Ho detto una sciocchezza basta invertire i fili
Ho detto una sciocchezza basta invertire i fili
13 messaggi
• Pagina 2 di 2 • 1, 2
Torna a Automazione industriale ed azionamenti
Chi c’è in linea
Visitano il forum: Nessuno e 11 ospiti

Elettrotecnica e non solo (admin)
Un gatto tra gli elettroni (IsidoroKZ)
Esperienza e simulazioni (g.schgor)
Moleskine di un idraulico (RenzoDF)
Il Blog di ElectroYou (webmaster)
Idee microcontrollate (TardoFreak)
PICcoli grandi PICMicro (Paolino)
Il blog elettrico di carloc (carloc)
DirtEYblooog (dirtydeeds)
Di tutto... un po' (jordan20)
AK47 (lillo)
Esperienze elettroniche (marco438)
Telecomunicazioni musicali (clavicordo)
Automazione ed Elettronica (gustavo)
Direttive per la sicurezza (ErnestoCappelletti)
EYnfo dall'Alaska (mir)
Apriamo il quadro! (attilio)
H7-25 (asdf)
Passione Elettrica (massimob)
Elettroni a spasso (guidob)
Bloguerra (guerra)






