grazie a tutti in anticipo.
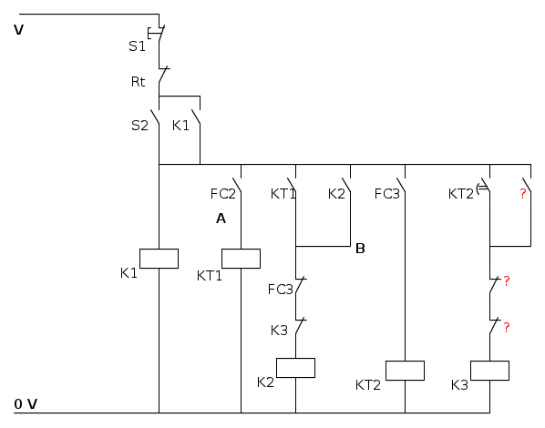
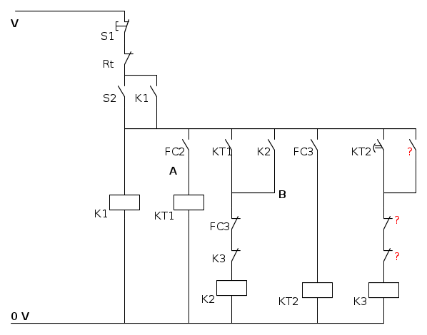
Allora: il nastro deve percorrere una distanza da A a B, poi lo riporta in A
effettua una sosta di 1 minuto in A e 2 minuti in B
Con il tasto S1 si avvia quando il contenitore trasportato è in A,
con il tasto S2 Avviene l'arresto dell'impianto
ci sono 2 finecorsa che consentono le soste in A e B
disegnare anche le lampade di SEGNALAZIONE.


Elettrotecnica e non solo (admin)
Un gatto tra gli elettroni (IsidoroKZ)
Esperienza e simulazioni (g.schgor)
Moleskine di un idraulico (RenzoDF)
Il Blog di ElectroYou (webmaster)
Idee microcontrollate (TardoFreak)
PICcoli grandi PICMicro (Paolino)
Il blog elettrico di carloc (carloc)
DirtEYblooog (dirtydeeds)
Di tutto... un po' (jordan20)
AK47 (lillo)
Esperienze elettroniche (marco438)
Telecomunicazioni musicali (clavicordo)
Automazione ed Elettronica (gustavo)
Direttive per la sicurezza (ErnestoCappelletti)
EYnfo dall'Alaska (mir)
Apriamo il quadro! (attilio)
H7-25 (asdf)
Passione Elettrica (massimob)
Elettroni a spasso (guidob)
Bloguerra (guerra)



non mi piace l'espressione,





