Cos'è ElectroYou | Login Iscriviti

ElectroYou - la comunità dei professionisti del mondo elettrico

Disturbi alimentatore switching su commutatore telefonico

Elettronica lineare e digitale: didattica ed applicazioni

Moderatori: Foto Utentecarloc, Foto Utenteg.schgor, Foto UtenteBrunoValente, Foto UtenteIsidoroKZ

0
voti

[11] Re: Disturbi trasformatore switching su commutatore telefoni

Messaggioda Foto Utentemarco438 » 4 mag 2014, 14:05

Allora non ti resta che provare con un alimentatore lineare o un altro switching di qualita' migliore.
Naturalmente la preferenza e' per il primo; non hai nessuno che possa prestartene uno per fare una prova?
Se poi, come dice Foto UtenteFedericoSibona, si trattasse di disturbi irradiati, la cosa diverrebbe ancora piu' complicata.
marco
Avatar utente
Foto Utentemarco438
37,1k 7 11 13
-EY Legend-
-EY Legend-
 
Messaggi: 16323
Iscritto il: 24 mar 2010, 15:09
Località: Versilia

0
voti

[12] Re: Disturbi trasformatore switching su commutatore telefoni

Messaggioda Foto UtenteDifio » 4 mag 2014, 15:14

Giusto per escludere definitivamente che fosse un problema di alimentatore, invece di un difetto circuitale della centralina, avendo in casa delle batterie da 12V ho provato a collegarne una al posto dell'alimentatore per vedere se il disturbo continuasse ad esserci...come immaginavo, in questo caso nonostante la centralina rilevasse l'alimentazione esterna (fornita dalla batteria in questo caso, ovviamente) il disturbo non c'era più.

Quindi sì, la strada è prendere un buon alimentatore lineare.

Grazie per l'aiuto che mi avete dato :D!
Avatar utente
Foto UtenteDifio
5 2
 
Messaggi: 29
Iscritto il: 7 mar 2014, 14:18

0
voti

[13] Re: Disturbi trasformatore switching su commutatore telefoni

Messaggioda Foto UtenteANDREA2013 » 4 mag 2014, 19:50

Difio ha scritto:ho fatto come consigliato da Foto UtenteANDREA2013 ... non solo non si è risolto nulla, ma nemmeno c'è stato un piccolo cambiamento nel disturbo :(

:( oibò, proprio nessun beneficio? mi sembra un po' strano...
comunque prova col lineare e magari facci sapere com'è andata :-)
O_/
Avatar utente
Foto UtenteANDREA2013
887 3 6
Utente disattivato per decisione dell'amministrazione proprietaria del sito
 
Messaggi: 710
Iscritto il: 16 lug 2013, 21:30

0
voti

[14] Re: Disturbi trasformatore switching su commutatore telefoni

Messaggioda Foto UtenteGuidoB » 5 mag 2014, 1:07

Se non hai ancora provato, inserisci l'alimentatore nella presa scambiando gli spinotti che entrano nei fori. Cioè, inseriscilo girato di 180 gradi, scambiando la fase col neutro.

È un sistema semplice che a volte funziona.
Big fan of ƎlectroYou!       Ausili per disabili e anziani su ƎlectroYou
Caratteri utili: À È É Ì Ò Ó Ù α β γ δ ε η θ λ μ π ρ σ τ φ ω Ω º ª ² ³ √ ∛ ∜ ₀ ₁ ₂ ₃ ₄ ₅ ₆ ∃ ∄ ∆ ∈ ∉ ± ∓ ∾ ≃ ≈ ≠ ≤ ≥
Avatar utente
Foto UtenteGuidoB
17,8k 7 12 13
G.Master EY
G.Master EY
 
Messaggi: 2809
Iscritto il: 3 mar 2011, 16:48
Località: Madrid

0
voti

[15] Re: Disturbi alimentatore switching su commutatore telefonic

Messaggioda Foto UtenteDifio » 18 mag 2014, 22:20

Scusatemi se rispondo ora, ma in queste due settimane ho avuto parecchio da fare e non ho avuto tempo da dedicare a questo problema.

Ciao Foto UtenteANDREA2013, mi è sembrato stranissimo anche a me che non sia cambiato di una virgola il disturbo...per disperazione ho provato sia un condensatore da 1000uF sia da 2200uF...nulla...

Non so quali schifezze generasse quell'alimentatore. Tuttavia oggi per puro caso ho trovato a casa di un amico un alimentatore di un vecchio router che dal peso ho intuito non essere switching. Me lo sono fatto prestare e l'ho provato ed effettivamente il disturbo non si manifestava. Il fatto è che questo alimentatore, seppur nell'etichetta avesse scritto 12V 1A non era stabilizzato. Con il carico della centralina la tensione che misuravo era poco meno di 15V (la centralina non aveva problemi, credo abbiano tolleranze abbastanza ampie come tensioni di ingresso...o magari sono stato fortunato che non si è fulminato, mah!).

Comunque poi una volta fatta questa prova mi sono messo a rovistare meglio tra tutta la roba elettronica che via via mi mettevo da parte, fino a trovare un alimentatore da 12V 800ma AC...l'ho aperto e infatti all'interno c'era solo il trasformatore, niente diodi o elettrolitici per raddrizzare.

Ho pensato di realizzare un alimentatore stabilizzato lineare partendo da questo. Diodi (per fare il ponte) e condensatori ne ho a volontà di tutti i tipi, ma sulla parte della stabilizzatore vorrei un consiglio da parte vostra. Avete qualche schema semplice? Ho visto cercando che si consiglia un integrato, LM 7805, ma vorrei conferme!

PS:Foto UtenteGuidoB no, non c'era alcun miglioramento nemmeno in questo modo!
Avatar utente
Foto UtenteDifio
5 2
 
Messaggi: 29
Iscritto il: 7 mar 2014, 14:18

0
voti

[16] Re: Disturbi alimentatore switching su commutatore telefonic

Messaggioda Foto UtenteMavKtr » 19 mag 2014, 2:11

Difio ha scritto:...fino a trovare un alimentatore da 12 V 800ma AC...Ho pensato di realizzare un alimentatore stabilizzato lineare partendo da questo.

Ciao, partendo da quel trasformatore puoi certamente assemblare un alimentatore lineare, ma puoi ottenere massimo 9-10 volt in continua (stabilizzati)... quindi, se a te servono 12 volt, allora non va bene.

Comunque dovresti usare un 7812 e non un 7805 che in uscita da 5 volt, ma avresti sempre bisogno di almeno 14-15 volt AC in uscita dal trasformatore.
Avatar utente
Foto UtenteMavKtr
855 1 4 6
Expert
Expert
 
Messaggi: 734
Iscritto il: 3 mar 2012, 7:23

1
voti

[17] Re: Disturbi alimentatore switching su commutatore telefonic

Messaggioda Foto Utenteclaudiocedrone » 19 mag 2014, 2:52

Scusa Foto UtenteMavKtr, perché ? A quanto pare scrivere a tarda ora non confonde le idee solo a me... se dal trasformatore ha 12 V in alternata una volta raddrizzati e livellati ne ha quasi 15 (a vuoto) di volt in continua da dare in pasto al regolatore o no ? Se l'utilizzatore non assorbe "troppo" (cosa che aumenterebbe la caduta sui diodi del ponte che ho stimato in 2 V) dovrebbe farcela :-) O_/
"Non farei mai parte di un club che accettasse la mia iscrizione" (G. Marx)
Avatar utente
Foto Utenteclaudiocedrone
21,3k 4 7 9
Master EY
Master EY
 
Messaggi: 15302
Iscritto il: 18 gen 2012, 13:36

1
voti

[18] Re: Disturbi alimentatore switching su commutatore telefonic

Messaggioda Foto UtenteMavKtr » 19 mag 2014, 3:01

Eh si Foto Utenteclaudiocedrone... :-) ho acquisito una discreta abilità a scrivere con "un occhio aperto e uno chiuso", ma non sempre funziona... #-o

E pensare che l'ho anche scritto "12 volt", ma nella mia testa avevo più che altro un 15. :D
Avatar utente
Foto UtenteMavKtr
855 1 4 6
Expert
Expert
 
Messaggi: 734
Iscritto il: 3 mar 2012, 7:23

0
voti

[19] Re: Disturbi alimentatore switching su commutatore telefonic

Messaggioda Foto UtenteMavKtr » 19 mag 2014, 3:46

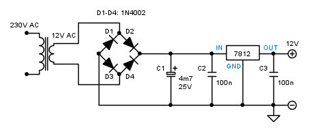
A questo punto, considerato che l'assorbimento in stand-by è di 50mA, l'assorbimento in funzione è ignoto ma comunque inferiore a 500mA, e il ripple che è preferibile rimanga basso, una possibile soluzione per Foto UtenteDifio potrebbe essere la seguente:

Se comunque il carico non richiede più di 250mA, C1 si può tranquillamente portare a 2200 µF. C2 e C3 devono stare vicini ai piedini del 7812.
Avatar utente
Foto UtenteMavKtr
855 1 4 6
Expert
Expert
 
Messaggi: 734
Iscritto il: 3 mar 2012, 7:23

0
voti

[20] Re: Disturbi alimentatore switching su commutatore telefonic

Messaggioda Foto Utenteclaudiocedrone » 19 mag 2014, 3:53

:-) Bene, allora, lo switching originario era da 500 mA se non ricordo male quindi il commutatore assorbe secondo me al massimo 400 mA o anche meno, il trasformatore dell'OP ne dichiara 800 quindi direi che ci stiamo molto bene; ok... mmmmh non vedo l'utilità del poliestere a monte del regolatore può essere più dannoso che utile :roll: beh ci aggiungerei un fusibiletto di sicurezza in serie al primario e la raccomandazione di twistare il "doppino" che collega l'alimentatore al commutatore perché è sempre buona cosa mettersi al riparo dalle induttanze parassite anche in corrente continua. O_/
"Non farei mai parte di un club che accettasse la mia iscrizione" (G. Marx)
Avatar utente
Foto Utenteclaudiocedrone
21,3k 4 7 9
Master EY
Master EY
 
Messaggi: 15302
Iscritto il: 18 gen 2012, 13:36

PrecedenteProssimo

Torna a Elettronica generale

Chi c’è in linea

Visitano il forum: Google [Bot], Google Adsense [Bot] e 38 ospiti