Cos'è ElectroYou | Login Iscriviti

ElectroYou - la comunità dei professionisti del mondo elettrico

Dimmer per lampada con PIC

Elettronica lineare e digitale: didattica ed applicazioni

Moderatori: Foto Utentecarloc, Foto Utenteg.schgor, Foto UtenteBrunoValente, Foto UtenteIsidoroKZ

0
voti

[51] Re: Dimmer per lampada con PIC

Messaggioda Foto Utentericello9 » 21 mag 2014, 22:59

Io prenderei come riferimento il centro della sommità del trapezio (o il vertice del triangolo, a seconda di cosa ho).
Infatti la tensione di uscita del fotoaccoppiatore comincia a salire prima di arrivare allo zero crossing (perché la sinusoide di rete sta scendendo ma non è ancora arrivata a zero, e la tensione ai capi del LED comincia a diventare insufficiente per tenerlo acceso) , poi resta ad un massimo per un po' di tempo (tutto il tempo durante il quale la tensione di rete è insufficiente ad accendere il LED) ed infine scende, perché la tensione di rete ha attraversato lo zero ed è diventata nuovamente sufficiente ad accendere il LED.
Quindi lo zero crossing si ha al centro del trapezio.
Dovendo fare una misura precisa (8% era solo una stima) io misurerei il ritardo minimo e quello massimo partendo dallo zero crossing reale, cioè appunto dal centro del trapezio.
Per la lampada e il triac è l'unico dato che risulta essere importante.


Ottima spiegazione, ad ogni post imparo qualcosa di nuovo.

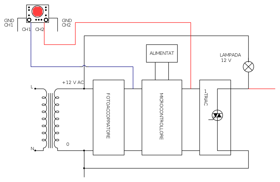
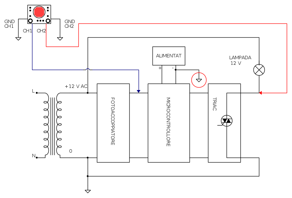
Questa sera ho provato a fare le misure coma da schema :


ma c'è qualcosa che non va.
Secondo me il riferimento non può essere comune per entrambe le sonde, infatti il comune del segnale dell'optoisolatore è generato dal 7805 che nello schema è siglato come alimentatore; mentre quello della lampada e lo zero volt del trafo.
Il risultato della misura è questo:
NewFile4.jpg
NewFile4.jpg (36.47 KiB) Osservato 7119 volte
Avatar utente
Foto Utentericello9
195 1 3 7
Stabilizzato
Stabilizzato
 
Messaggi: 360
Iscritto il: 16 mar 2009, 0:13

3
voti

[52] Re: Dimmer per lampada con PIC

Messaggioda Foto UtentePietroBaima » 21 mag 2014, 23:10

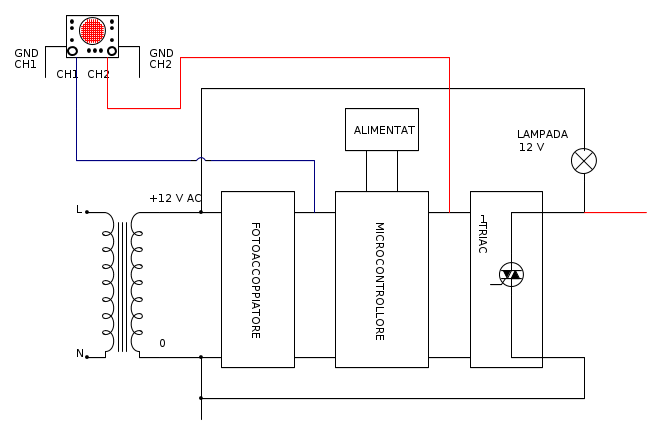
Sì, mi sono dimenticato di dirti di collegare insieme i riferimenti (solo quando usi il trasformatore, eh!) #-o

Scusami, alcune volte certe cose mi sembrano automatiche, ma in realtà non lo sono affatto.

Trovi il collegamento da fare circolettato in rosso.

AH, naturalmente devi usare un alimentatore separato, non usare il trasformatore per ricavare la 5V del micro.

Ciao,
Pietro.

Generatore codice per articoli:
nomi
Sul forum:
[pigreco]=π
[ohm]=Ω
[quadrato]=²
[cubo]=³
Avatar utente
Foto UtentePietroBaima
90,7k 7 12 13
G.Master EY
G.Master EY
 
Messaggi: 12206
Iscritto il: 12 ago 2012, 1:20
Località: Londra

0
voti

[53] Re: Dimmer per lampada con PIC

Messaggioda Foto Utentericello9 » 23 mag 2014, 10:38

Finalmento sono riuscito a fare qualche misura, tra lavoro e famiglia trovare del tempo libero è come vincere alla lotteria.
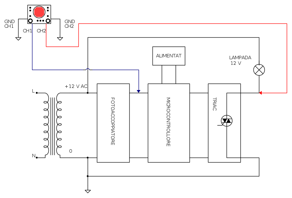
Tornando a noi ho modificiato lo schema come suggerito da PietroBaima e questo è il risultato:
scan.jpg


scan1.jpg


Cosa ne dite?
E' accettabile come ritardo?

Grazie
Marcello
Avatar utente
Foto Utentericello9
195 1 3 7
Stabilizzato
Stabilizzato
 
Messaggi: 360
Iscritto il: 16 mar 2009, 0:13

0
voti

[54] Re: Dimmer per lampada con PIC

Messaggioda Foto Utentericello9 » 23 mag 2014, 11:45

Ho rivisto il software e in questo caso accendo il MOC appena il micro sente il segnale di zero crossing e lo mantengo acceso per 500 uS.
scan.jpg


Sembra che il ritardo introdotto dall'elettronica sia all'incirca di 100 Us.
Giusto?
Avatar utente
Foto Utentericello9
195 1 3 7
Stabilizzato
Stabilizzato
 
Messaggi: 360
Iscritto il: 16 mar 2009, 0:13

1
voti

[55] Re: Dimmer per lampada con PIC

Messaggioda Foto UtentePietroBaima » 23 mag 2014, 11:53

Direi che tu abbia fatto un lavoro egregio.
Il ritardo è accettabilissimo, dovrebbe funzionare tutto a dovere.

Insomma, direi che hai il tuo dimmer :ok: :ok: :ok:
Generatore codice per articoli:
nomi
Sul forum:
[pigreco]=π
[ohm]=Ω
[quadrato]=²
[cubo]=³
Avatar utente
Foto UtentePietroBaima
90,7k 7 12 13
G.Master EY
G.Master EY
 
Messaggi: 12206
Iscritto il: 12 ago 2012, 1:20
Località: Londra

1
voti

[56] Re: Dimmer per lampada con PIC

Messaggioda Foto UtentePietroBaima » 23 mag 2014, 11:58

Ah sì, però dimenticavo invece del problema dello sfarfallio!

Porta il ritardo al massimo che ritieni corretto (dovrebbe essere 9ms, massimo 9.5ms).
La lampada dovrebbe essere praticamente spenta o quasi.

Fai qualche foto all'oscilloscopio e ripostale.

Finora funziona alla grande.
Generatore codice per articoli:
nomi
Sul forum:
[pigreco]=π
[ohm]=Ω
[quadrato]=²
[cubo]=³
Avatar utente
Foto UtentePietroBaima
90,7k 7 12 13
G.Master EY
G.Master EY
 
Messaggi: 12206
Iscritto il: 12 ago 2012, 1:20
Località: Londra

0
voti

[57] Re: Dimmer per lampada con PIC

Messaggioda Foto Utentericello9 » 24 mag 2014, 15:32

Ah sì, però dimenticavo invece del problema dello sfarfallio!

Oggi ho fatto qualche prova e ho ancora dei dubbi;
Per diminuire l'intesità della lampada fin quasi a spegnerla devo portarmi su ritardi nell'ordine dei 16-17mS, quasi il doppio rispetto a quelli calcolati.

Spostando la sonda del canale due sul pin 1 del MOC

ho notato che a volte il fotoaccoppiatore genera dei falsi segnali che il micro rileva come fronte di discesa e presumo che questo mi crei lo sfarfallio alla lampada.
Posto un'immagine della misura :
falsotr2.jpg
falsotr2.jpg (33.29 KiB) Osservato 7072 volte

Quest'altra immagine catturata mostra il ritardo impostato a circa 7mS.
delay12.jpg
delay12.jpg (39.25 KiB) Osservato 7072 volte

come vedi non c'è una regolarità nella forma d'onda sulla lampada.
da cosa possono essere causati questi falsi segnali?
L'unico modo per ovviare a questo inconveniente è inserire nel software la condizione che se l'uscita del micro, che comanda il gate del triac, è a livello logico 1 l'interrupt sul fronte di discesa non viene preso in considerazione.
Codice: Seleziona tutto
   if(INTCONbits.INT0IF==1)    //interrupt generato da RB0
   {
      if(GATE==0)
          trigger=1;
      INTCONbits.INT0IF =0; //reset del flag dell'interrupt
   }

   while(1)
   {
      if(trigger==1)
      {
         delay_ms(17);
         GATE=1;
         trigger=0;
      }

      if(GATE==1)
      {
         delay_ms(1);
         GATE=0;
      }
   }



Grazie
Marcello
Avatar utente
Foto Utentericello9
195 1 3 7
Stabilizzato
Stabilizzato
 
Messaggi: 360
Iscritto il: 16 mar 2009, 0:13

2
voti

[58] Re: Dimmer per lampada con PIC

Messaggioda Foto UtentePietroBaima » 24 mag 2014, 22:20

dunque dunque, come prima cosa leviamoci dai piedi quegli inneschi spuri.
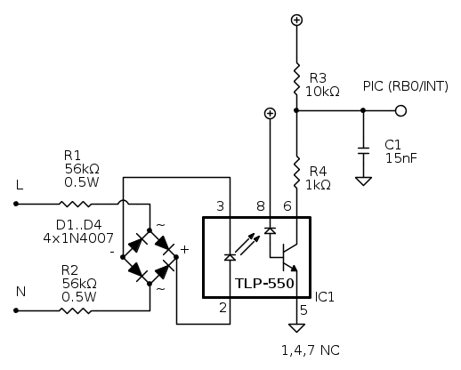
Modifica il circuito di Zero Crossing Detection in questo modo (devi aggiungere una resistenza ed un condensatore):



Rifacciamo le misure poi (se ci sono ancora dei problemi) riguardiamo il software di innesco del TRIAC.

Ciao,
Pietro.

EDIT: avevo sbagliato il valore di R4, copiandolo da R3 è rimasto a 10k\Omega, va portato a 1k\Omega. Ho corretto lo schema.
Generatore codice per articoli:
nomi
Sul forum:
[pigreco]=π
[ohm]=Ω
[quadrato]=²
[cubo]=³
Avatar utente
Foto UtentePietroBaima
90,7k 7 12 13
G.Master EY
G.Master EY
 
Messaggi: 12206
Iscritto il: 12 ago 2012, 1:20
Località: Londra

0
voti

[59] Re: Dimmer per lampada con PIC

Messaggioda Foto Utentericello9 » 25 mag 2014, 16:17

Ho modifica il circuito con questi valori di resitenze e condensatori perché in casa dispongo solo di questi, comunque domani al lavoro dovrei avere tutto il necessario.
R3 30k
R4 3K
e due condensatori in parallelo da 6,7 nF. Possono avere delle consuguenze le mie modifiche?
Se ho capito bene la resistenza R4 e il condensatore svolgono la funzione di filtro per tagliare i segnali ad alta frequenza. Giusto?

Con le modifiche apportate al circuito ho notato che lo sfarfallio è sparito e per portare la lampada dal massimo al minimo della luminosità devo inserire ritardi fino a 7mS.
Quindi si può dire che ci siamo quasi.
Adesso ti posto alcune catture delle misure fatte:
Ritardo 7mS =luce spenta (CH1 pin 1 del moc, CH2 uscita dall'optoisolatore)
Delay7ms(spenta.jpg
Delay7ms(spenta.jpg (35.38 KiB) Osservato 7044 volte


Ritardo 2mS luce quasi al massimo della luminosità (CH1 pin 1 del moc, CH2 uscita dall'optoisolatore)
Delay 2ms.jpg
Delay 2ms.jpg (37.49 KiB) Osservato 7044 volte


Come vedi i segnali di disturbo sono quasi del tutto spariti e i tempi di ritardo coincidono con i calcoli fatti.
Il ritardo massimo che riesco ad impostare è 7 mS, perché se inserisco 8 mS la lampada si accende con la massima luminosità.(CH1 pin 1 del moc, CH2 lampada)
Delay8m(max luce).jpg
Delay8m(max luce).jpg (34.99 KiB) Osservato 7044 volte
Avatar utente
Foto Utentericello9
195 1 3 7
Stabilizzato
Stabilizzato
 
Messaggi: 360
Iscritto il: 16 mar 2009, 0:13

1
voti

[60] Re: Dimmer per lampada con PIC

Messaggioda Foto UtentePietroBaima » 25 mag 2014, 16:22

Direi che abbiamo risolto tutto e abbiamo finito.
I valori usati vanno bene.
Riesci a regolare la lampada con fluidità, cambiando i ritardi?

Se poi vuoi mi era venuta una ideuzza. ;-)
Generatore codice per articoli:
nomi
Sul forum:
[pigreco]=π
[ohm]=Ω
[quadrato]=²
[cubo]=³
Avatar utente
Foto UtentePietroBaima
90,7k 7 12 13
G.Master EY
G.Master EY
 
Messaggi: 12206
Iscritto il: 12 ago 2012, 1:20
Località: Londra

PrecedenteProssimo

Torna a Elettronica generale

Chi c’è in linea

Visitano il forum: Nessuno e 43 ospiti