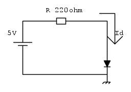
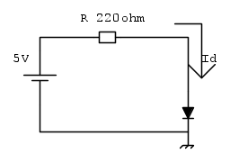
Sto cercando di misurare la corrente Id nel circuito con il tester. Ho provato in vari modi ma non riesco a misurarla. Come devo mettere il tester? Il circuito è questo:
Misura di corrente
Moderatori:
carloc,
g.schgor,
BrunoValente,
IsidoroKZ
0
voti
nel disegno mancano le parentesi quadre prima e dopo fcd
Ultima modifica di
Electro il 31 mag 2014, 18:00, modificato 2 volte in totale.
Motivazione: Ho corretto il messaggio sopra, lo schema non serve più in questo
Motivazione: Ho corretto il messaggio sopra, lo schema non serve più in questo
Almeno l'itagliano sallo...
0
voti
nei tentativi che hai fatto finora come hai fatto?
io direi che comunque è semplice, devi interrompere in qualche punto il collegamento tra la resistenza ed il diodo per mettere in serie il tester
io direi che comunque è semplice, devi interrompere in qualche punto il collegamento tra la resistenza ed il diodo per mettere in serie il tester
Almeno l'itagliano sallo...
0
voti
Dovresti fare qualcosa del genere.
Il disegno dello strumento è di
mir , mi permetto di prenderlo in prestito.
Il disegno dello strumento è di
"La progettazione, il primo presidio della sicurezza" [Michele Guetta]
0
voti
gddvll6 ha scritto:se apro la maglia non vi scorre corrente
esatto, a maglia aperta corrisponde circuito aperto quindi corrente nulla, e diodo led spento;
gddvll6 ha scritto:quindi come faccio a misurarla?
semplicemente come ti ha indicato
ovviamente il multimetro andrà impostato in portata mA prossima al valore di misura, e sarà importante rispettare le polarità di collegamento.
Electro ha scritto:strumento è dimir, mi permetto di prenderlo in prestito.
d'accordo
0
voti
Ragazzi ho riprovato nuovamente più volte ma niente. Ho controllato se c'è un problema di contatti e se il multimetro funziona. Entrambe le cose mi hanno soddisfatto, come posso fare ora?
PS: per la cronaca è un diodo, non un diodo led.
PS: per la cronaca è un diodo, non un diodo led.
0
voti
-che tipo di multimetro stai utilizzando, analogico o digitale, e quale portata stai utilizzando ?
-i valori indicati nello schema sono quelli reali dei componenti che stai utilizzando ?
-che tipo di diodo stai utilizzando ?
-i 5 V sono di un alimentatore?
-i valori indicati nello schema sono quelli reali dei componenti che stai utilizzando ?
-che tipo di diodo stai utilizzando ?
-i 5 V sono di un alimentatore?
Chi c’è in linea
Visitano il forum: Nessuno e 134 ospiti

Elettrotecnica e non solo (admin)
Un gatto tra gli elettroni (IsidoroKZ)
Esperienza e simulazioni (g.schgor)
Moleskine di un idraulico (RenzoDF)
Il Blog di ElectroYou (webmaster)
Idee microcontrollate (TardoFreak)
PICcoli grandi PICMicro (Paolino)
Il blog elettrico di carloc (carloc)
DirtEYblooog (dirtydeeds)
Di tutto... un po' (jordan20)
AK47 (lillo)
Esperienze elettroniche (marco438)
Telecomunicazioni musicali (clavicordo)
Automazione ed Elettronica (gustavo)
Direttive per la sicurezza (ErnestoCappelletti)
EYnfo dall'Alaska (mir)
Apriamo il quadro! (attilio)
H7-25 (asdf)
Passione Elettrica (massimob)
Elettroni a spasso (guidob)
Bloguerra (guerra)









