Quando si alimenta un condensatore elettrolitico a tensione inversa è difficile dire cosa succede internamente. Certamente non si fa buono, anzi... Perché scalda deve essere verificato, bisogna controllare quanto asimmetrica è la corrente nelle due semionde, le varie c.d.t., ecc.
Metti due poliestere da 680 nF in parallelo e pace.
Condensatore che scalda
Moderatori:
carloc,
g.schgor,
BrunoValente,
IsidoroKZ
37 messaggi
• Pagina 3 di 4 • 1, 2, 3, 4
0
voti
posta10100 ha scritto: Quello che non riesco proprio a capire è il motivo per cui solo uno dei due scalda.
Risposta da praticone, prova a scambiare i due condensatori e vedi squale dei due scalda di più.
Può essere che siano sufficienti le tolleranze di produzione o la diversa anzianità a farne scaldare uno più dell'altro
-

FedericoSibona
5.022 3 5 8 - Master

- Messaggi: 3951
- Iscritto il: 19 mar 2013, 11:43
1
voti
Condivido pienamente quanto sopra indicato.
Relativamente alla misura dell'esr dei condensatori elettrolitici
quello che non si misura
non si controlla
Relativamente alla misura dell'esr dei condensatori elettrolitici
quello che non si misura
non si controlla
Technology has the shelf life of a banana
0
voti
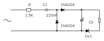
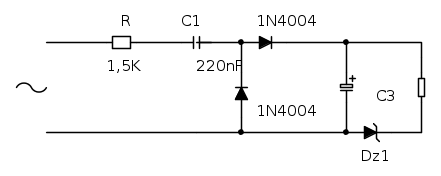
stefanob70 ha scritto:Ad esempio con questo schema puoi utilizzare anche uno zener per stabilizzare la tensione
di uscita.
Sì ma lo zener va al posto del primo diodo da sinistra, e deve essere da 1W o più.
0
voti
segnalo questo interessante tutorial sull'argomento:
Analisi e progetto di un alimentatore senza trasformatore
Analisi e progetto di un alimentatore senza trasformatore
2
voti
-

PietroBaima
90,7k 7 12 13 - G.Master EY

- Messaggi: 12206
- Iscritto il: 12 ago 2012, 1:20
- Località: Londra
0
voti
http://millefori.altervista.org
Tool gratuito per chi sviluppa su millefori.
Tutti sanno che una cosa è impossibile da realizzare, finché arriva uno sprovveduto che non lo sa e la inventa. (A. Einstein)
Se non c'e` un 555 non e` un buon progetto (IsidoroKZ)
Strumento per formule
Tool gratuito per chi sviluppa su millefori.
Tutti sanno che una cosa è impossibile da realizzare, finché arriva uno sprovveduto che non lo sa e la inventa. (A. Einstein)
Se non c'e` un 555 non e` un buon progetto (IsidoroKZ)
Strumento per formule
-

posta10100
5.550 4 10 13 - Master EY

- Messaggi: 4832
- Iscritto il: 5 nov 2006, 0:09
0
voti
penso di sì. 
-

PietroBaima
90,7k 7 12 13 - G.Master EY

- Messaggi: 12206
- Iscritto il: 12 ago 2012, 1:20
- Località: Londra
37 messaggi
• Pagina 3 di 4 • 1, 2, 3, 4
Chi c’è in linea
Visitano il forum: Nessuno e 34 ospiti

Elettrotecnica e non solo (admin)
Un gatto tra gli elettroni (IsidoroKZ)
Esperienza e simulazioni (g.schgor)
Moleskine di un idraulico (RenzoDF)
Il Blog di ElectroYou (webmaster)
Idee microcontrollate (TardoFreak)
PICcoli grandi PICMicro (Paolino)
Il blog elettrico di carloc (carloc)
DirtEYblooog (dirtydeeds)
Di tutto... un po' (jordan20)
AK47 (lillo)
Esperienze elettroniche (marco438)
Telecomunicazioni musicali (clavicordo)
Automazione ed Elettronica (gustavo)
Direttive per la sicurezza (ErnestoCappelletti)
EYnfo dall'Alaska (mir)
Apriamo il quadro! (attilio)
H7-25 (asdf)
Passione Elettrica (massimob)
Elettroni a spasso (guidob)
Bloguerra (guerra)








pigreco]=π