dopo aver bruciato un convertitore dc-dc switching cinese ho deciso di costruirmi un regolatore lineare bastato su LM317 con ogni tipo ( o quasi) di protezione
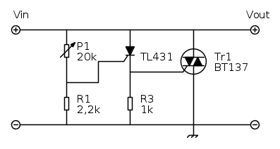
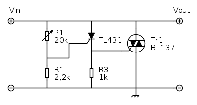
Ho già simulato il circuito per i corti e funziona, però ora ho il problema per le sovratensioni; volevo fare un crowbar con il TL431 solo che non c'è verso di farlo funzionare, il circuito è quello suggerito dal datasheet, solo che il triac (o scr) non va mai in conduzione, come posso fare?
Oltre all'inversione di corrente e inversione della polarità di alimentazione cosa posso mettere?

Elettrotecnica e non solo (admin)
Un gatto tra gli elettroni (IsidoroKZ)
Esperienza e simulazioni (g.schgor)
Moleskine di un idraulico (RenzoDF)
Il Blog di ElectroYou (webmaster)
Idee microcontrollate (TardoFreak)
PICcoli grandi PICMicro (Paolino)
Il blog elettrico di carloc (carloc)
DirtEYblooog (dirtydeeds)
Di tutto... un po' (jordan20)
AK47 (lillo)
Esperienze elettroniche (marco438)
Telecomunicazioni musicali (clavicordo)
Automazione ed Elettronica (gustavo)
Direttive per la sicurezza (ErnestoCappelletti)
EYnfo dall'Alaska (mir)
Apriamo il quadro! (attilio)
H7-25 (asdf)
Passione Elettrica (massimob)
Elettroni a spasso (guidob)
Bloguerra (guerra)






pigreco]=π


