Per esempio, sei sicuro che quei lampioncini siano a LED?
Pilotare Led ad alta luminosità con transistor
0
voti
Ma quelli sono lampioncini per modellismo ferroviario!
Bubino, continui a proporre domande su oggetti senza sapere, o senza darci, un minimo di caratteristiche tecniche, così non è possibile procedere!
Per esempio, sei sicuro che quei lampioncini siano a LED?
Per esempio, sei sicuro che quei lampioncini siano a LED?
Ultima modifica di
FedericoSibona il 16 giu 2014, 14:16, modificato 1 volta in totale.
-

FedericoSibona
5.022 3 5 8 - Master

- Messaggi: 3951
- Iscritto il: 19 mar 2013, 11:43
0
voti
Ha, non sapevo che fossero per fermodellismo; pensavo alla casa dei Puffi.
Si la tensione l'ha detta (19V) ma, cosa ci sia dentro e' ignoto ai piu'.
Si la tensione l'ha detta (19V) ma, cosa ci sia dentro e' ignoto ai piu'.
marco
0
voti
Scusa Marco, ho riletto il thread ed ho cancellato la parte riguardo alla tensione 
-

FedericoSibona
5.022 3 5 8 - Master

- Messaggi: 3951
- Iscritto il: 19 mar 2013, 11:43
0
voti
marco438 ha scritto:Se si chiede uno schema in Fidocadj e' perche' lo schema puo' essere modificato e corretto da altri senza doverlo ridisegnare; se lo posti come immagine non e' possibile.
Ah credevo ti servisse sapere solo quale fosse lo schema utilizzato
Comunque se li collego direttamente ai 12 funzionano, quindi vanno bene. Appena torno a casa e mi metto al PC lo faccio con fidocadj
Edit: Non credevo fosse indispensabile sapere che tipo di lampioncini sono (per modellismo ferroviario).
Comunque no, non sono a led e se avessi le caratteristiche ve le direi, ma non c'è nulla. Sul sito non c'è scritto neanche la tensione, mentre è scritta solo sulla bustina e nient'altro...
1
voti
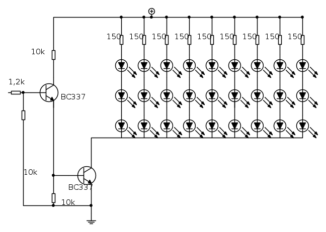
Ecco a voi lo schema.
Ripeto: Oltre ai semplici led, dovrei inserire anche quei due lampioni (12V) tramite lo stesso funzionamento (oscurata la fotoresistenza, si accendono i led + i lampioni). È possibile?
Ripeto: Oltre ai semplici led, dovrei inserire anche quei due lampioni (12V) tramite lo stesso funzionamento (oscurata la fotoresistenza, si accendono i led + i lampioni). È possibile?

0
voti
E secondo te dovrei saperlo io? Sei tu che li hai comprati; potevi informarti prima dell'acquisto.
Se disponi di un alimentatore (meglio se variabile) e di un tester almeno la corrente possiamo misurarla.
Se disponi di un alimentatore (meglio se variabile) e di un tester almeno la corrente possiamo misurarla.
marco
Chi c’è in linea
Visitano il forum: Nessuno e 5 ospiti

Elettrotecnica e non solo (admin)
Un gatto tra gli elettroni (IsidoroKZ)
Esperienza e simulazioni (g.schgor)
Moleskine di un idraulico (RenzoDF)
Il Blog di ElectroYou (webmaster)
Idee microcontrollate (TardoFreak)
PICcoli grandi PICMicro (Paolino)
Il blog elettrico di carloc (carloc)
DirtEYblooog (dirtydeeds)
Di tutto... un po' (jordan20)
AK47 (lillo)
Esperienze elettroniche (marco438)
Telecomunicazioni musicali (clavicordo)
Automazione ed Elettronica (gustavo)
Direttive per la sicurezza (ErnestoCappelletti)
EYnfo dall'Alaska (mir)
Apriamo il quadro! (attilio)
H7-25 (asdf)
Passione Elettrica (massimob)
Elettroni a spasso (guidob)
Bloguerra (guerra)



