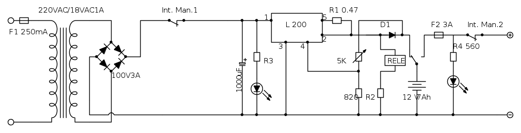
Enermax ha scritto:Provo a pasticciare un po il circuito
Cerca di non pasticciare troppo e quando lo pubblichi, segui le istruzioni; prima lo hai postato come immagine e questo non permette agli altri di apportare modifiche.
Moderatori:
carloc,
g.schgor,
BrunoValente,
IsidoroKZ
Enermax ha scritto:Provo a pasticciare un po il circuito
Enermax ha scritto:Grazie per lo schema, forse ho risolto tutto con uno schema solo![]()
Indicativamente quando costa il trasformatore? Posso sotituirlo con un alimentatore switching?
Enermax ha scritto:Mentre per il timer che dicevo, secondo voi è utile? Dico questo perché da me capita che manca corrente per 30 secondi poi ritorna per 20 sec e così via, magari va avanti anche mezzora così..
Enermax ha scritto:Sarebbe utile anche aggiungere un orologio giornaliero, che impedisca al circuito di intervenire dalla 10:00 alle 16:00, visto che c'è la luce naturale.


Enermax ha scritto:Dici che il timer non è utile, intendo per non avere il lampeggio della lampadina normale e subito dopo la riaccensione dei LED.
Mentre l'orologio che dici interviene su tutto il circuito, interrompendo anche la carica della batteria. Può portare anche dei vantaggi alla batteria stessa? opterò per un orologio giornaliero din


Enermax ha scritto:..... mentre il secondo, Int. Man.2 mi serve se eventualmente voglio disabilitare i LED anche se manca corrente.
Enermax ha scritto:Inolte varierei R1 così da limitare la corrente a 1/20C della batteria, in caso di 7Ah, con una resistenza da 1,2ohm.


Visitano il forum: Nessuno e 152 ospiti