Buongiorno a tutti ragazzi,
ho un grosso problema che mi sta facendo impazzire da giorni ed ormai, giunto il momento della consegna, sono ancora in alto mare. Chiedo scusa in anticipo per la domanda probabilmente banale ma in elettronica sono un po’ arrugginito e sono sicuro che per voi sia un gioco da ragazzi.
- Ho un azionamento di un motore che mi da in uscita un segnale analogico in continua nell’intervallo [-10; +10] volt proporzionali alla coppia del motore.
- Io devo prelevare questo segnale e lo devo portare in ingresso a una scheda A/D che accetta solo valori nell’intervallo [0 ; +5] volt.
Mi sapete per cortesia aiutare a creare un blocco di condizionamento che mi permetta di convertire [-10; +10] volt in [0; +5] volt ?
Io ho adottato l'approccio seguente ma ovviamente senza ottenere risultati:
Mi sono ricavato la formula che deve descrivere il mio blocco di condizionamento:
Vout = 0.25 * (Vin + 10)
Ho provato a ricavarmi i parametri per fare il blocco tramite un Amplificatore operazionale non invertente ma mi risulta:
Vout = A * (Vin + Voff) dove A = amplificazione
ma essendo per l'amplificatore Operazionale in configurazione non invertente
A = 0.5 * (1 + Rf/R1) Dove:
Rf = Resistenza tra il morsetto ‘–‘ dell’operazionale e l’uscita dell’operazionale
R1 = Resistenza tra il morsetto ‘–‘ dell’operazionale e massa.
dovrei dimensionare le resistenze in modo che
0.5 * (1 + Rf/R1) = 0.25 cosa ovviamente IMPOSSIBILE.
Io mi sono fermato qui. Qualcuno può per cortesia darmi un consiglio. PLEASEEEEEEEEE!
Grazie mille in anticipo per l'aiuto
Buona giornata
Convertire un intervallo di tensione in un altro.
Moderatori:
carloc,
g.schgor,
BrunoValente,
IsidoroKZ
16 messaggi
• Pagina 1 di 2 • 1, 2
0
voti
Ciao
Uncledrive.
Per evitare fraintendimenti e per una maggiore chiarezza, ti consiglio, di usare, per la scrittura delle formule matematiche LATEX, al seguente link trovi una piccola guida all' uso:
http://www.electroyou.it/mrc/wiki/intro ... o-di-latex
Inoltre ti consiglio, per facilitare le risposte, di allegare ad un post lo schema elettrico del circuito, da te usato, utilizzando FIDOCADJ, ai seguenti link trovi le guide all' uso:
http://www.electroyou.it/elettrodomus/w ... -per-tonni
http://www.electroyou.it/darwinne/wiki/fidocadj
Per evitare fraintendimenti e per una maggiore chiarezza, ti consiglio, di usare, per la scrittura delle formule matematiche LATEX, al seguente link trovi una piccola guida all' uso:
http://www.electroyou.it/mrc/wiki/intro ... o-di-latex
Inoltre ti consiglio, per facilitare le risposte, di allegare ad un post lo schema elettrico del circuito, da te usato, utilizzando FIDOCADJ, ai seguenti link trovi le guide all' uso:
http://www.electroyou.it/elettrodomus/w ... -per-tonni
http://www.electroyou.it/darwinne/wiki/fidocadj
1
voti
Volendo inserire un buffer in uscita per portare il segnale a bassa impedenza, si può aggiungere un operazionale e (se necessario) una resistenza per cancellare l'effetto della corrente di bias:

Big fan of ⋮ƎlectroYou! Ausili per disabili e anziani su ⋮ƎlectroYou
Caratteri utili: À È É Ì Ò Ó Ù α β γ δ ε η θ λ μ π ρ σ τ φ ω Ω º ª ² ³ √ ∛ ∜ ₀ ₁ ₂ ₃ ₄ ₅ ₆ ∃ ∄ ∆ ∈ ∉ ± ∓ ∾ ≃ ≈ ≠ ≤ ≥
Caratteri utili: À È É Ì Ò Ó Ù α β γ δ ε η θ λ μ π ρ σ τ φ ω Ω º ª ² ³ √ ∛ ∜ ₀ ₁ ₂ ₃ ₄ ₅ ₆ ∃ ∄ ∆ ∈ ∉ ± ∓ ∾ ≃ ≈ ≠ ≤ ≥
1
voti
Grazie mille per la celere risposta:
@dean95:
Si ci avevo pensato ma purtroppo non ho a disposizione l'alimentazione duale per l'Amplificatore Operazionale. E mi sembra che per la configurazione invertente sia necessaria (o sbaglio?)
@GuidoB:
Questo circuito è molto semplice ed immediato (quindi mi piace un sacco
). Solo due domande:
- Per il problema sopra citato posso usare un Amplicatore Operazionale a singola alimentazione ?
- Immagino di dover mettere resistenze dell'ordine del Mega per non avere consumo elevato tra il +5 e 0 è corretto?
Grazie ancora.
@dean95:
Si ci avevo pensato ma purtroppo non ho a disposizione l'alimentazione duale per l'Amplificatore Operazionale. E mi sembra che per la configurazione invertente sia necessaria (o sbaglio?)
@GuidoB:
Questo circuito è molto semplice ed immediato (quindi mi piace un sacco
- Per il problema sopra citato posso usare un Amplicatore Operazionale a singola alimentazione ?
- Immagino di dover mettere resistenze dell'ordine del Mega per non avere consumo elevato tra il +5 e 0 è corretto?
Grazie ancora.
-

Uncledrive
10 3 - Messaggi: 9
- Iscritto il: 29 giu 2014, 11:16
0
voti
@GuidoB:
Ancora una cosa ora faccio una domanda stupida quindi chiedo scusa in anticipo:
Ma quando in ingresso ho -5 V essendo
la differenza di potenziale tra 5 e -5 = 10V e
la differenza di potenziale tra -5 e 0 = 5V
non mi entra corrente nell'azionamento del motore ?
Voglio solo essere sicuro di non creare danni all'azionamento (vi assicuro costa caro :P).
Grazie Ciao.
Ancora una cosa ora faccio una domanda stupida quindi chiedo scusa in anticipo:
Ma quando in ingresso ho -5 V essendo
la differenza di potenziale tra 5 e -5 = 10V e
la differenza di potenziale tra -5 e 0 = 5V
non mi entra corrente nell'azionamento del motore ?
Voglio solo essere sicuro di non creare danni all'azionamento (vi assicuro costa caro :P).
Grazie Ciao.
-

Uncledrive
10 3 - Messaggi: 9
- Iscritto il: 29 giu 2014, 11:16
3
voti
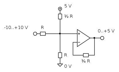
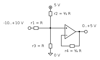
Spiegazione del funzionamento (prima ero un po' di fretta):
Innanzitutto ci servono due tensioni pari agli estremi dell'intervallo delle tensioni di uscita (0 V e 5 V).
L'intervallo delle tensioni d'uscita dovrà essere compreso all'interno dell'intervallo delle tensioni d'ingresso, e dovranno variare nello stesso senso (altrimenti risolveremo con un amplificatore, eventualmente invertente, in ingresso o in uscita dal circuito di condizionamento).
Con queste condizioni soddisfatte, andiamo a vedere che cosa succede quando in ingresso sono presenti 10 V. In questo caso in uscita vogliamo 5 V.
Quindi calcoliamo un partitore formato da r1 ed r3 che ci dia 5 V in uscita quando in ingresso sono presenti 10 V. Niente di più semplice: basta dimezzare la tensione d'ingresso utilizzando due resistenze uguali sul partitore, di valore pari ad R.
Quindi
ed
.
La resistenza r2 in questo caso non influisce sulla tensione d'uscita, infatti è collegata tra due nodi alla stessa tensione (5 V): nessuna corrente la attraverserà qualsiasi sia il suo valore.
Adesso andiamo invece a vedere che cosa succede quando in ingresso sono presenti -10 V. In questo caso in uscita vogliamo 0 V.
Quindi calcoliamo un partitore formato da r1 ed r2 che ci dia 0 V in uscita quando in ingresso sono presenti -10 V.
Questo si ottiene ponendo
.
Quindi
.
La resistenza r3 in questo caso non influisce sulla tensione d'uscita, infatti è collegata tra due nodi alla stessa tensione (0 V): nessuna corrente la attraverserà qualsiasi sia il suo valore.
Il circuito è lineare, quindi anche la tensione d'uscita varierà linearmente (cioè in modo direttamente propoprzionale) rispetto alle variazioni della tensione d'ingresso.
Qualora non fossero a disposizione le due tensioni di riferimento pari agli estremi dell'intervallo delle tensioni di uscita (0 V e 5 V), si può calcolare l'equivalente Thévenin del partitore formato da r2 e r3 collegato tra le tensioni di riferimento, e trovare un circuito equivalente che utilizzi tensioni di riferimento diverse. Ad esempio potrebbe andar bene un'unica tensione di 3,3333... V in serie ad una resistenza pari ad
.
La resistenza r4, collegata all'ingresso invertente, serve a compensare l'effetto della corrente di polarizzazione (bias) degli ingressi dell'operazionale, qualora questa sia significativa in relazione ai valori di resistenza usati. Il valore di r4 sarà uguale al parallelo delle resistenze collegate all'altro ingresso.
In principio sì.
Se lo alimenterai tra 0 V e 5 V, dovrà avere sia gli ingressi che l'uscita rail-to-rail (cioè gli ingressi capaci di ricevere e l'uscita capace di fornire tutti i valori tra le tensioni di alimentazione, inclusi gli estremi). Se invece lo alimenterai tra 0 V e (per esempio) 12 V, basterà che gli ingressi accettino 0 V e che la tensione in uscita possa scendere fino a 0 V.
Ma io prima cercherei qual è l'impedenza del tuo ingresso analogico 0-5 V, o meglio ancora qual è il suo circuito equivalente d'ingresso. È possibile che non serva inserire nessun amplificatore operazionale.
Che tu possa usare resistenze così alte dipende dall'impedenza d'ingresso dell'operazionale che userai. Poi, ha senso tenere il consumo del partitore al minimo se anche il resto del circuito lo fa, altrimenti è inutile. Io così a naso per R non andrei oltre i 100 kΩ, comunque dipende caso per caso. Sentiamo se
brabus può darti maggiori delucidazioni.
Tutte le volte che la tensione è minore di 3,3333... V (tensione data dall'equivalente Thévenin della rete) entra corrente, e tutte le volte che è superiore esce.
Ora, un driver di tensione dovrebbe essere pronto, come minimo, a fornire corrente tutte le volte che la tensione in uscita è maggiore di 0 V, e riceverla tutte le volte che la tensione in uscita è minore di 0 V. Se l'uscita è quella di un amplificatore operazionale, dovrebbe essere in grado di fornirla o riceverla con ogni tensione (ovviamente fino a un certo limite).
Se hai a disposizione una tensione di riferimento minore di 0 V, si può inserire una resistenza di carico affinché non entri mai corrente per tensioni superiori a 0 V. Ma non dovrebbe essere necessario. Per scrupolo controlla che cosa dice la documentazione di quell'uscita -10..+10 V. Per R = 100 kΩ comunque la corrente non supera mai 0,1 mA.
Sentiamo anche se
Candy,
carlomariamanenti o
WALTERmwp, esperti di PLC, hanno qualche consiglio da dare.
Prego!
Innanzitutto ci servono due tensioni pari agli estremi dell'intervallo delle tensioni di uscita (0 V e 5 V).
L'intervallo delle tensioni d'uscita dovrà essere compreso all'interno dell'intervallo delle tensioni d'ingresso, e dovranno variare nello stesso senso (altrimenti risolveremo con un amplificatore, eventualmente invertente, in ingresso o in uscita dal circuito di condizionamento).
Con queste condizioni soddisfatte, andiamo a vedere che cosa succede quando in ingresso sono presenti 10 V. In questo caso in uscita vogliamo 5 V.
Quindi calcoliamo un partitore formato da r1 ed r3 che ci dia 5 V in uscita quando in ingresso sono presenti 10 V. Niente di più semplice: basta dimezzare la tensione d'ingresso utilizzando due resistenze uguali sul partitore, di valore pari ad R.
Quindi
ed
.La resistenza r2 in questo caso non influisce sulla tensione d'uscita, infatti è collegata tra due nodi alla stessa tensione (5 V): nessuna corrente la attraverserà qualsiasi sia il suo valore.
Adesso andiamo invece a vedere che cosa succede quando in ingresso sono presenti -10 V. In questo caso in uscita vogliamo 0 V.
Quindi calcoliamo un partitore formato da r1 ed r2 che ci dia 0 V in uscita quando in ingresso sono presenti -10 V.
Questo si ottiene ponendo
.Quindi
.La resistenza r3 in questo caso non influisce sulla tensione d'uscita, infatti è collegata tra due nodi alla stessa tensione (0 V): nessuna corrente la attraverserà qualsiasi sia il suo valore.
Il circuito è lineare, quindi anche la tensione d'uscita varierà linearmente (cioè in modo direttamente propoprzionale) rispetto alle variazioni della tensione d'ingresso.
Qualora non fossero a disposizione le due tensioni di riferimento pari agli estremi dell'intervallo delle tensioni di uscita (0 V e 5 V), si può calcolare l'equivalente Thévenin del partitore formato da r2 e r3 collegato tra le tensioni di riferimento, e trovare un circuito equivalente che utilizzi tensioni di riferimento diverse. Ad esempio potrebbe andar bene un'unica tensione di 3,3333... V in serie ad una resistenza pari ad
.La resistenza r4, collegata all'ingresso invertente, serve a compensare l'effetto della corrente di polarizzazione (bias) degli ingressi dell'operazionale, qualora questa sia significativa in relazione ai valori di resistenza usati. Il valore di r4 sarà uguale al parallelo delle resistenze collegate all'altro ingresso.
Uncledrive ha scritto: - Per il problema sopra citato posso usare un Amplicatore Operazionale a singola alimentazione ?
In principio sì.
Se lo alimenterai tra 0 V e 5 V, dovrà avere sia gli ingressi che l'uscita rail-to-rail (cioè gli ingressi capaci di ricevere e l'uscita capace di fornire tutti i valori tra le tensioni di alimentazione, inclusi gli estremi). Se invece lo alimenterai tra 0 V e (per esempio) 12 V, basterà che gli ingressi accettino 0 V e che la tensione in uscita possa scendere fino a 0 V.
Ma io prima cercherei qual è l'impedenza del tuo ingresso analogico 0-5 V, o meglio ancora qual è il suo circuito equivalente d'ingresso. È possibile che non serva inserire nessun amplificatore operazionale.
Uncledrive ha scritto: - Immagino di dover mettere resistenze dell'ordine del Mega per non avere consumo elevato tra il +5 e 0 è corretto?
Che tu possa usare resistenze così alte dipende dall'impedenza d'ingresso dell'operazionale che userai. Poi, ha senso tenere il consumo del partitore al minimo se anche il resto del circuito lo fa, altrimenti è inutile. Io così a naso per R non andrei oltre i 100 kΩ, comunque dipende caso per caso. Sentiamo se
Uncledrive ha scritto:Ma quando in ingresso ho -5 V essendo
la differenza di potenziale tra 5 e -5 = 10V e
la differenza di potenziale tra -5 e 0 = 5 V
non mi entra corrente nell'azionamento del motore ?
Tutte le volte che la tensione è minore di 3,3333... V (tensione data dall'equivalente Thévenin della rete) entra corrente, e tutte le volte che è superiore esce.
Ora, un driver di tensione dovrebbe essere pronto, come minimo, a fornire corrente tutte le volte che la tensione in uscita è maggiore di 0 V, e riceverla tutte le volte che la tensione in uscita è minore di 0 V. Se l'uscita è quella di un amplificatore operazionale, dovrebbe essere in grado di fornirla o riceverla con ogni tensione (ovviamente fino a un certo limite).
Se hai a disposizione una tensione di riferimento minore di 0 V, si può inserire una resistenza di carico affinché non entri mai corrente per tensioni superiori a 0 V. Ma non dovrebbe essere necessario. Per scrupolo controlla che cosa dice la documentazione di quell'uscita -10..+10 V. Per R = 100 kΩ comunque la corrente non supera mai 0,1 mA.
Sentiamo anche se
Uncledrive ha scritto:Grazie ancora.
Prego!
Big fan of ⋮ƎlectroYou! Ausili per disabili e anziani su ⋮ƎlectroYou
Caratteri utili: À È É Ì Ò Ó Ù α β γ δ ε η θ λ μ π ρ σ τ φ ω Ω º ª ² ³ √ ∛ ∜ ₀ ₁ ₂ ₃ ₄ ₅ ₆ ∃ ∄ ∆ ∈ ∉ ± ∓ ∾ ≃ ≈ ≠ ≤ ≥
Caratteri utili: À È É Ì Ò Ó Ù α β γ δ ε η θ λ μ π ρ σ τ φ ω Ω º ª ² ³ √ ∛ ∜ ₀ ₁ ₂ ₃ ₄ ₅ ₆ ∃ ∄ ∆ ∈ ∉ ± ∓ ∾ ≃ ≈ ≠ ≤ ≥
1
voti
Ho seguito poco il thread, ma mi pare che il problema sia al di fuori del mondo dell'automazione industriale. tuttavia, aggiungo alla soluzione di Guido B, che bisogna prestare anche attenzione all'operazionale usato ed alla sua alimentazione. Le conversioni con operazionali introducono degli offset sovente fastidiosi.
Lo schema proposto al post precedente è il punto di partenza, non di arrivo.
Lo schema proposto al post precedente è il punto di partenza, non di arrivo.
-

Candy
32,5k 7 10 13 - CRU - Account cancellato su Richiesta utente
- Messaggi: 10123
- Iscritto il: 14 giu 2010, 22:54
1
voti
Ciao
GuidoB, lusingato per la citazione ma a prescindere credo che la questione sia propria della sezione nella quale e' stata inserita.
Inoltre hai fornito un supporto "didattico" ampiamente esaustivo del quale ne possiamo beneficiare, complimenti.
Saluti
p.s.
Se poi
Uncledrive, una volta definita l'interfaccia e "provato" il suo funzionamento, ci restituisse un "feed-back" in merito (magari anche arricchito con uno schema in FidoCad, come suggerito da
mrc) penso farebbe cosa buona e giusta.
Inoltre hai fornito un supporto "didattico" ampiamente esaustivo del quale ne possiamo beneficiare, complimenti.
Saluti
p.s.
Se poi
W - U.H.F.
-

WALTERmwp
30,2k 4 8 13 - G.Master EY

- Messaggi: 8986
- Iscritto il: 17 lug 2010, 18:42
- Località: le 4 del mattino
0
voti
Bene Ora è chiaro.
In realtà si queste due tensioni di riferimento le ho (ho a disposizione +12; +24 ; +5;)
Il circuito A/D che utilizzo è una scheda della ELEXOL (https://www.elexol.com/IO24Accessories/Analog_To_Digital_IO_Board.php) che utilizza il processore MCP4922
Il datasheet di quest'ultimo (http://ww1.microchip.com/downloads/en/DeviceDoc/22250A.pdf) pagina 4 se nn ho letto male AFFERMA CHE :
Input Impedance = 165 kohm
Mi permetto di fare ancora una domanda. Se sono OT ditemelo senza problemi che apro un altro thread.
Tenute buone le premesse precedenti:
se dovessi fare una cosa simile:
Quando l'ingresso è positivo (0;+10) lo riduco a (0;5) e lo invio ad un canale A/D della scheda.
Quando l'ingresso è negativo (-10;0) lo inverto, lo riduco (0;5) e lo invio ad un altro canale A/D della stessa scheda!
E' fattibile far discriminare al circuito?
@WALTERmwp
Provvedrò sicuramente

GuidoB ha scritto:Qualora non fossero a disposizione le due tensioni di riferimento pari agli estremi dell'intervallo delle tensioni di uscita (0 V e 5 V)
In realtà si queste due tensioni di riferimento le ho (ho a disposizione +12; +24 ; +5;)
GuidoB ha scritto:Ma io prima cercherei qual è l'impedenza del tuo ingresso analogico 0-5 V, o meglio ancora qual è il suo circuito equivalente d'ingresso. È possibile che non serva inserire nessun amplificatore operazionale.
Il circuito A/D che utilizzo è una scheda della ELEXOL (https://www.elexol.com/IO24Accessories/Analog_To_Digital_IO_Board.php) che utilizza il processore MCP4922
Il datasheet di quest'ultimo (http://ww1.microchip.com/downloads/en/DeviceDoc/22250A.pdf) pagina 4 se nn ho letto male AFFERMA CHE :
Input Impedance = 165 kohm
Mi permetto di fare ancora una domanda. Se sono OT ditemelo senza problemi che apro un altro thread.
Tenute buone le premesse precedenti:
se dovessi fare una cosa simile:
Quando l'ingresso è positivo (0;+10) lo riduco a (0;5) e lo invio ad un canale A/D della scheda.
Quando l'ingresso è negativo (-10;0) lo inverto, lo riduco (0;5) e lo invio ad un altro canale A/D della stessa scheda!
E' fattibile far discriminare al circuito?
@WALTERmwp
Provvedrò sicuramente

-

Uncledrive
10 3 - Messaggi: 9
- Iscritto il: 29 giu 2014, 11:16
16 messaggi
• Pagina 1 di 2 • 1, 2
Chi c’è in linea
Visitano il forum: Nessuno e 37 ospiti

Elettrotecnica e non solo (admin)
Un gatto tra gli elettroni (IsidoroKZ)
Esperienza e simulazioni (g.schgor)
Moleskine di un idraulico (RenzoDF)
Il Blog di ElectroYou (webmaster)
Idee microcontrollate (TardoFreak)
PICcoli grandi PICMicro (Paolino)
Il blog elettrico di carloc (carloc)
DirtEYblooog (dirtydeeds)
Di tutto... un po' (jordan20)
AK47 (lillo)
Esperienze elettroniche (marco438)
Telecomunicazioni musicali (clavicordo)
Automazione ed Elettronica (gustavo)
Direttive per la sicurezza (ErnestoCappelletti)
EYnfo dall'Alaska (mir)
Apriamo il quadro! (attilio)
H7-25 (asdf)
Passione Elettrica (massimob)
Elettroni a spasso (guidob)
Bloguerra (guerra)






