Cos'è ElectroYou | Login Iscriviti

ElectroYou - la comunità dei professionisti del mondo elettrico

Dinamica in ingresso per LM1036

Elettronica lineare e digitale: didattica ed applicazioni

Moderatori: Foto Utentecarloc, Foto Utenteg.schgor, Foto UtenteBrunoValente, Foto UtenteIsidoroKZ

0
voti

[1] Dinamica in ingresso per LM1036

Messaggioda Foto UtenteStefDrums » 19 ago 2014, 10:10

Buongiorno a tutti.
Sto realizzando un riproduttore di musica, e vorrei fare le cose per bene.
Vorrei utilizzare l'LM1036 come preamplificatore e controllo volume + bassi e alti.
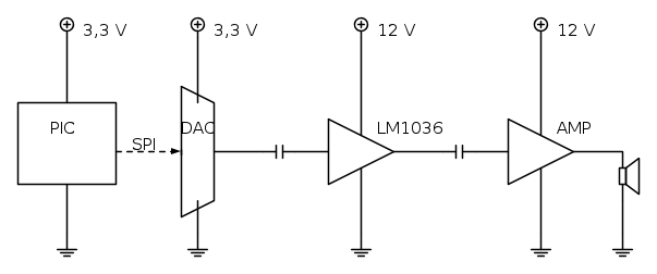
A grandi linee lo schema è il seguente:


Sto calcolando la dinamica del segnale in uscita dal DAC. Sul Datasheet del LM1036 ho letto che la massima dinamica in ingresso accettata è di 1,6 V_{rms}. Dal grafico 13 noto però che la distorsione cresce molto già superando i 1,0 V_{rms}.
A questo punto sono un po' confuso, e non riesco a capire che dinamica deve avere il segnale in ingresso al LM1036 perche non saturi l'ingresso e non risulti distorto.

Non sto cercando di progettare un sistema ad altissima fedeltà, ma vorrei che la qualità del suono fosse più che accettabile.

Grazie per l'aiuto!
Avatar utente
Foto UtenteStefDrums
240 1 6 9
Stabilizzato
Stabilizzato
 
Messaggi: 367
Iscritto il: 20 feb 2013, 14:15

0
voti

[2] Re: Dinamica in ingresso per LM1036

Messaggioda Foto Utenteclaudiocedrone » 19 ago 2014, 13:35

:-) Beh, non sono esperto ma dovrebbe funzionare che sei tu, basandoti proprio su quel grafico, a scegliere il valore di distorsione per te accettabile e conseguentemente a stabilire la dinamica. O_/
"Non farei mai parte di un club che accettasse la mia iscrizione" (G. Marx)
Avatar utente
Foto Utenteclaudiocedrone
21,3k 4 7 9
Master EY
Master EY
 
Messaggi: 15302
Iscritto il: 18 gen 2012, 13:36

0
voti

[3] Re: Dinamica in ingresso per LM1036

Messaggioda Foto UtenteStefDrums » 19 ago 2014, 14:02

claudiocedrone ha scritto::-) Beh, non sono esperto ma dovrebbe funzionare che sei tu, basandoti proprio su quel grafico, a scegliere il valore di distorsione per te accettabile e conseguentemente a stabilire la dinamica. O_/


ok, il mio dubbio è però: se ho poca dinamica in uscita dal DAC, potrei avere disturbi.
esempio (dei conti che ho fatto io):

- ho 1 V_{rms} quindi la dinamica sarà di 1 V_{rms} * \sqrt{2} = 1,42 V_{pp}
- se uso un DAC a 12 bit, l' LSB sarà di 1,42 V_{pp} / 2^{12} = 347 \mu V
- 347 \mu V come potenziale non rischia di essere coperto dal rumore?
Avatar utente
Foto UtenteStefDrums
240 1 6 9
Stabilizzato
Stabilizzato
 
Messaggi: 367
Iscritto il: 20 feb 2013, 14:15

1
voti

[4] Re: Dinamica in ingresso per LM1036

Messaggioda Foto Utentesimo85 » 19 ago 2014, 14:37

Metti un filtro ricostruttore dopo il DAC.
Avatar utente
Foto Utentesimo85
30,9k 7 12 13
Disattivato su sua richiesta
 
Messaggi: 9927
Iscritto il: 30 ago 2010, 4:59

1
voti

[5] Re: Dinamica in ingresso per LM1036

Messaggioda Foto UtenteStefDrums » 19 ago 2014, 14:44

simo85 ha scritto:Metti un filtro ricostruttore dopo il DAC.


giusto! Ho dimenticato di inserirlo nello schema a blocchi.



grazie per la correzione.
Avatar utente
Foto UtenteStefDrums
240 1 6 9
Stabilizzato
Stabilizzato
 
Messaggi: 367
Iscritto il: 20 feb 2013, 14:15

1
voti

[6] Re: Dinamica in ingresso per LM1036

Messaggioda Foto UtenteDoeM » 19 ago 2014, 15:42

StefDrums ha scritto:Sto calcolando la dinamica del segnale in uscita dal DAC. Sul Datasheet del LM1036 ho letto che la massima dinamica in ingresso accettata è di 1,6 V_{rms}. Dal grafico 13 noto però che la distorsione cresce molto già superando i 1,0 V_{rms}.
A questo punto sono un po' confuso, e non riesco a capire che dinamica deve avere il segnale in ingresso al LM1036 perche non saturi l'ingresso e non risulti distorto.


Attenzione, hai dimenticato di considerare tra i constraint (vincoli) la massima tensione in uscita (che è il limite che vedi più propriamente come saturazione dell'uscita). Secondo il datasheet, è attorno a 0.8\mbox{ V} (RMS), il che implica che, al gain massimo di 0 \mbox{ dB}, non puoi accettare in input segnali maggiori di 0.8\mbox{ V} (RMS).
Sarebbe utile che indicassi anche a che frequenza lavorerà il DAC (il cui simbolo elettronico è diverso da quello da te riportato), e quale sarà la tensione di alimentazione.
Avatar utente
Foto UtenteDoeM
580 2 6
Expert
Expert
 
Messaggi: 182
Iscritto il: 11 lug 2011, 1:09

1
voti

[7] Re: Dinamica in ingresso per LM1036

Messaggioda Foto UtenteStefDrums » 19 ago 2014, 16:25

DoeM ha scritto:Attenzione, hai dimenticato di considerare tra i constraint la massima tensione in uscita (che è il limite che vedi più propriamente come saturazione dell'uscita). Secondo il datasheet, è attorno a 0.8\mbox{ V} (RMS), il che implica che, al gain massimo di 0 \mbox{ dB}, non puoi accettare in input segnali maggiori di 0.8\mbox{ V} (RMS).
Sarebbe utile che indicassi anche a che frequenza lavorerà il DAC (il cui simbolo elettronico è diverso da quello da te riportato), e quale sarà la tensione di alimentazione.


Hai ragione non ho tenuto conto dell'uscita, anche se non ho ben capito se quel 0.8 V_{rms} è il limite massimo (oltre il quale satura l'output) o il limite entro il quale si ha THD maggiore.

ho corretto lo schema, indicando anche V_{ref} de DAC, che devo appunto fornire al DAC, in funzione della dinamica desiderata in uscita.

Avatar utente
Foto UtenteStefDrums
240 1 6 9
Stabilizzato
Stabilizzato
 
Messaggi: 367
Iscritto il: 20 feb 2013, 14:15

0
voti

[8] Re: Dinamica in ingresso per LM1036

Messaggioda Foto Utentesimo85 » 19 ago 2014, 20:34

Quale PIC usi ?

Quale DAC ? Sicuro che non puoi limitare la tensione di uscita con Vref ?

Quale operazionale usi sull'uscita ?

PS: Oggi sono stato a casa di un amico che si è montato un piccolo equalizzatore con l'LM1036. Mi è venuto in mente proprio questo thread in quel momento. Mi ha ache fatto piacere ascoltare "Learning to Fly" su vinile, usando il suo circuito, durante il caffé. :-)
Avatar utente
Foto Utentesimo85
30,9k 7 12 13
Disattivato su sua richiesta
 
Messaggi: 9927
Iscritto il: 30 ago 2010, 4:59

0
voti

[9] Re: Dinamica in ingresso per LM1036

Messaggioda Foto UtenteStefDrums » 19 ago 2014, 21:27

simo85 ha scritto:Quale PIC usi ?


il PIC che utilizzerò è il PIC32MZ2048ECM100, connessione tramite SPI (queste sono 2 requirements).

simo85 ha scritto:Quale DAC ? Sicuro che non puoi limitare la tensione di uscita con Vref ?


sto ancora scegliendo il DAC definitivo, sto scegliendo tra diversi, in base a velocità, num. bit, INL, DNL, package, ecc...

Certamente limiterò la tensione di uscita con Vref, è proprio per quello che ho bisogno della dinamica del segnale.

simo85 ha scritto:Quale operazionale usi sull'uscita ?


sto ancora progettando il filtro, probabilmente userò un filtro LPF Bessel con cella MFB

simo85 ha scritto:PS: Oggi sono stato a casa di un amico che si è montato un piccolo equalizzatore con l'LM1036. Mi è venuto in mente proprio questo thread in quel momento. Mi ha ache fatto piacere ascoltare "Learning to Fly" su vinile, usando il suo circuito, durante il caffé. :-)


beh, direi proprio che hai tutta la mia stima!


PS: una volta finito il progetto (di cui la riproduzione di musica è una piccola parte), sarà il mio primo articolo qui su ElectroYou, promesso!
Avatar utente
Foto UtenteStefDrums
240 1 6 9
Stabilizzato
Stabilizzato
 
Messaggi: 367
Iscritto il: 20 feb 2013, 14:15


Torna a Elettronica generale

Chi c’è in linea

Visitano il forum: Nessuno e 53 ospiti