Io ed un mio amico stiamo costruendo un simulatore dinamico...stiamo utilizzando un'alimentatore da 24 v e 100A
un circuito che pilota i segnali provenienti dal gioco,che attraverso un h-bridge pilota un motore da 24 v 350w 15 A..( vedi schema semplificativo)
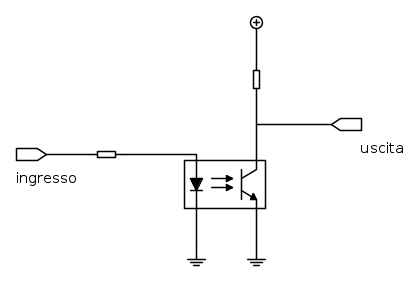
Ogni tanto ( ...spesso)...capita che il circuito con il display(..quello che in pratica arrivano i dati dal gioco)...va in crash...Da qui il dubbio che in qualche modo ci siano dei problemi..Alcuni mi hanno parlato di opto isolatore da interfacciare ( vedi freccia nel disegno) ....potrebbe essere la soluzione ?---se si c'e' qualche circuito semplice da fare ?...spero di essere stato chiaro..grazie
Problema con interfacciamento schede
Moderatori:
carloc,
g.schgor,
BrunoValente,
IsidoroKZ
21 messaggi
• Pagina 1 di 3 • 1, 2, 3
0
voti
Ciao
thecure.
Ho eliminato le tue immagini perché le hai inserite utilizzando server esterni il cui uso non è consentito.
Leggi le regole del forum.
Le immagini vanno allegate direttamente ai post con una dimensione massima di 640X480.
Gli schemi elettrici vanno inseriti nei post utilizzando FIDOCADJ, ai seguenti link trovi le istruzioni all' uso:
http://www.electroyou.it/elettrodomus/w ... -per-tonni
http://www.electroyou.it/darwinne/wiki/fidocadj
Ho eliminato le tue immagini perché le hai inserite utilizzando server esterni il cui uso non è consentito.
Leggi le regole del forum.
Le immagini vanno allegate direttamente ai post con una dimensione massima di 640X480.
Gli schemi elettrici vanno inseriti nei post utilizzando FIDOCADJ, ai seguenti link trovi le istruzioni all' uso:
http://www.electroyou.it/elettrodomus/w ... -per-tonni
http://www.electroyou.it/darwinne/wiki/fidocadj
0
voti
Volevo capire il funzionamento dell'opto isolatore......Sto facendo delle prove volanti,sto usando il componente siglato pc817.In pratica se applico un segnale in ingresso "alto",mi trovo in uscita "basso"---e' corretto ?---Perche' mi serviva che l'uscita non cambiasse stato
-1
voti
2
voti
Quando ha scritto ...
Non si può sapere di tutto ma, credo di poterti scrivere che un optoisolatore, sappiamo come si rappresenta e come funziona.
thecure, non sei stato chiaro nell'apertura del thread e col seguito.
Chiedendo un supporto devi renderti conto che è importante mettere a disposizione più informazioni esponendo la questione in modo trasparente ma, se non vuoi o non puoi il discorso cambia.
E' quanto mi permetto di scrivere perché, così, dal mio punto di vista, si può dire men che poco.
Saluti
... non penso che intendesse quello che hai inserito nel Post [5].StefDrums ha scritto:per favore, posta qualche schema, così possiamo aiutarti.
Grazie!
Non si può sapere di tutto ma, credo di poterti scrivere che un optoisolatore, sappiamo come si rappresenta e come funziona.
Chiedendo un supporto devi renderti conto che è importante mettere a disposizione più informazioni esponendo la questione in modo trasparente ma, se non vuoi o non puoi il discorso cambia.
E' quanto mi permetto di scrivere perché, così, dal mio punto di vista, si può dire men che poco.
Saluti
W - U.H.F.
-

WALTERmwp
30,2k 4 8 13 - G.Master EY

- Messaggi: 8986
- Iscritto il: 17 lug 2010, 18:42
- Località: le 4 del mattino
0
voti
........mi serve sapere solo se c'e' modo di invertire lo stato in uscita ( tralasciando tutto quello che e' stato scritto nel mio primo post )
0
voti
thecure ha scritto:........mi serve sapere solo se c'e' modo di invertire lo stato in uscita ( tralasciando tutto quello che e' stato scritto nel mio primo post )
sì, con la configurazione del BJT come emitter follower (o collettore comune):
0
voti
ok il circuito funziona,..pero' ho un altro problema di natura diversa (.....io scrivo qui,se mai i moderatori mi segnaleranno di metterlo come altro "topic ")
in pratica ho un circuito che attraverso il PWM mi pilota un h-bridge che fa funzionare un motore in corrente continua
Allora caratteristiche del h-bridge sono alimentazione a 24 V con corrente supportata 23A,mentre il motore e 24 V 14,4 A e 350w.
Il problema e' che sembrano fuzionare ,ma dopo un po' bruciano (....ho notato che quando cambia il senso di marcia ,mi assorbono talmente tanto che bruciano)
Da qui il dubbio che sia sottodimesionato....
Spero di essere stato chiaro.Se avete bisogno di caratteristiche piu' precise sono qui ...grazie
in pratica ho un circuito che attraverso il PWM mi pilota un h-bridge che fa funzionare un motore in corrente continua
Allora caratteristiche del h-bridge sono alimentazione a 24 V con corrente supportata 23A,mentre il motore e 24 V 14,4 A e 350w.
Il problema e' che sembrano fuzionare ,ma dopo un po' bruciano (....ho notato che quando cambia il senso di marcia ,mi assorbono talmente tanto che bruciano)
Da qui il dubbio che sia sottodimesionato....
Spero di essere stato chiaro.Se avete bisogno di caratteristiche piu' precise sono qui ...grazie
21 messaggi
• Pagina 1 di 3 • 1, 2, 3
Chi c’è in linea
Visitano il forum: Nessuno e 39 ospiti

Elettrotecnica e non solo (admin)
Un gatto tra gli elettroni (IsidoroKZ)
Esperienza e simulazioni (g.schgor)
Moleskine di un idraulico (RenzoDF)
Il Blog di ElectroYou (webmaster)
Idee microcontrollate (TardoFreak)
PICcoli grandi PICMicro (Paolino)
Il blog elettrico di carloc (carloc)
DirtEYblooog (dirtydeeds)
Di tutto... un po' (jordan20)
AK47 (lillo)
Esperienze elettroniche (marco438)
Telecomunicazioni musicali (clavicordo)
Automazione ed Elettronica (gustavo)
Direttive per la sicurezza (ErnestoCappelletti)
EYnfo dall'Alaska (mir)
Apriamo il quadro! (attilio)
H7-25 (asdf)
Passione Elettrica (massimob)
Elettroni a spasso (guidob)
Bloguerra (guerra)





