Cos'è ElectroYou | Login Iscriviti

ElectroYou - la comunità dei professionisti del mondo elettrico

Miscelare segnali

Elettronica lineare e digitale: didattica ed applicazioni

Moderatori: Foto Utentecarloc, Foto Utenteg.schgor, Foto UtenteBrunoValente, Foto UtenteIsidoroKZ

1
voti

[1] Miscelare segnali

Messaggioda Foto UtenteAndy85 » 3 set 2014, 9:03

Buongiorno ragazzi O_/
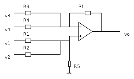
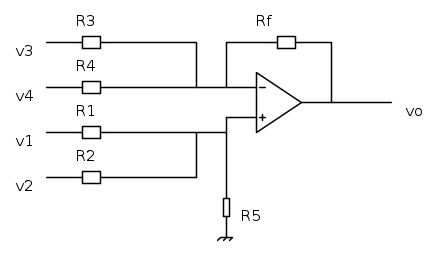
Sto risolvendo un esercizio che mi chiede di progettare con un amplificatore operazionale ideale, un circuito che misceli 4 segnali. Inoltre questo circuito deve avere una resistenza in ingresso maggiore di 10 kohm e in uscita un segnale pari a v_o=2v_1+4v_2-3v_3-0.5v_4

Ho dimensionato le resistenze partendo dal valore di tensione in uscita teorica di un sommatore invertente. Ho ottenuto questo circuito:

Vorrei sapere:
1- secondo voi va bene in questo modo?
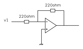
2- per poter invertire il segnale in ingresso per v1 e v2, posso applicare un semplice amplificatore invertente (figura di sotto) con guadagno unitario? o c'è un metodo migliore?

Grazie
Avatar utente
Foto UtenteAndy85
15 4
 
Messaggi: 36
Iscritto il: 8 ago 2014, 19:00

0
voti

[2] Re: Miscelare segnali

Messaggioda Foto UtenteSediciAmpere » 3 set 2014, 9:31

puoi fare così (ma usando valori >10kOhm) , ma puoi fare tutto usando un operazionale solo: v1 e v2 devono entrare dall'ingresso non invertente e ricalcolare le resistenze con la formula Vo=1+(Rf/R)
Avatar utente
Foto UtenteSediciAmpere
4.187 5 5 8
Master
Master
 
Messaggi: 4847
Iscritto il: 31 ott 2013, 15:00

0
voti

[3] Re: Miscelare segnali

Messaggioda Foto UtenteSediciAmpere » 3 set 2014, 9:35

le sorgenti v1, v2, v3 e v4 hanno resistenza d'uscita nulla?
Avatar utente
Foto UtenteSediciAmpere
4.187 5 5 8
Master
Master
 
Messaggi: 4847
Iscritto il: 31 ott 2013, 15:00

0
voti

[4] Re: Miscelare segnali

Messaggioda Foto Utenteemacar » 3 set 2014, 9:51

SediciAmpere ha scritto:v1 e v2 devono entrare dall'ingresso non invertente e ricalcolare le resistenze con la formula Vo=1+(Rf/R)

Mi sa che nella formula c'è qualcosa che non va... Il risultato è adimensionale da quello che hai scritto, mentre V0 è una tensione. Se intendevi il guadagno di tensione è in ogni caso sbagliata A_v =- \frac {R_2} {R_1}
Avatar utente
Foto Utenteemacar
156 6
Frequentatore
Frequentatore
 
Messaggi: 145
Iscritto il: 3 dic 2013, 11:02

0
voti

[5] Re: Miscelare segnali

Messaggioda Foto UtenteAndy85 » 3 set 2014, 9:54

Si le sorgenti hanno resistenze di uscita nulle.
Quindi dovrei risolvere questo circuito?
Avatar utente
Foto UtenteAndy85
15 4
 
Messaggi: 36
Iscritto il: 8 ago 2014, 19:00

0
voti

[6] Re: Miscelare segnali

Messaggioda Foto Utenteemacar » 3 set 2014, 10:03

Secondo me il primo circuito va benissimo. Per analizzarlo puoi applicare il principio di sovrapposizione degli effetti (correggetemi se sbaglio), applicando un solo ingresso alla volta. La resistenza d'ingresso è uguale alla resistenza di retroazione per cui basta che essa sia maggiore di 10kohm.
Emanuele
Avatar utente
Foto Utenteemacar
156 6
Frequentatore
Frequentatore
 
Messaggi: 145
Iscritto il: 3 dic 2013, 11:02

0
voti

[7] Re: Miscelare segnali

Messaggioda Foto Utenteemacar » 3 set 2014, 10:06

Andy85 ha scritto:2- per poter invertire il segnale in ingresso per v1 e v2, posso applicare un semplice amplificatore invertente (figura di sotto) con guadagno unitario? o c'è un metodo migliore?

Se usi un amplificatore invertente con guadagno unitario inverti i segnali in ingresso ma non ottieni il fattore moltiplicativo che ti richiede l'esercizio.
Avatar utente
Foto Utenteemacar
156 6
Frequentatore
Frequentatore
 
Messaggi: 145
Iscritto il: 3 dic 2013, 11:02

0
voti

[8] Re: Miscelare segnali

Messaggioda Foto UtenteAndy85 » 3 set 2014, 10:16

emacar ha scritto:Se usi un amplificatore invertente con guadagno unitario inverti i segnali in ingresso ma non ottieni il fattore moltiplicativo che ti richiede l'esercizio.

Si infatti un sommatore invertente mi somma gli ingressi (con un fattore moltiplicativo Rf/Rn) ma li inverte. L'uscita però prevede che v1 e v4 vengano sommate, per questo avevo inserito un amplificatore invertente con un guadagno unitario. Mettendolo a monte mi permette di invertire semplicemente i segnali e ottenere l'effetto voluto.

Vorrei provare, però, ad utilizzare un solo amplificatore operazionale come nello schema successivamente postato.. (così si risparmiano anche componenti)
Avatar utente
Foto UtenteAndy85
15 4
 
Messaggi: 36
Iscritto il: 8 ago 2014, 19:00

0
voti

[9] Re: Miscelare segnali

Messaggioda Foto Utenteemacar » 3 set 2014, 10:25

Andy85 ha scritto:L'uscita però prevede che v1 e v4 vengano sommate, per questo avevo inserito un amplificatore invertente con un guadagno unitario. Mettendolo a monte mi permette di invertire semplicemente i segnali e ottenere l'effetto voluto.

L'amplificatore somma sempre i segnali che ha in ingresso e li amplifica secondo il rapporto tra le resistenze. Visto che comunque, oltre a trovare la soluzione, devi capire come funziona, ti consiglio di analizzare il circuito postando il ragionamento ed i passaggi che segui in modo da arrivare insieme alla soluzione ed eventualmente capire cosa non è chiaro.
Emanuele
Avatar utente
Foto Utenteemacar
156 6
Frequentatore
Frequentatore
 
Messaggi: 145
Iscritto il: 3 dic 2013, 11:02

0
voti

[10] Re: Miscelare segnali

Messaggioda Foto UtenteAndy85 » 3 set 2014, 10:49

Il circuito come detto è il seguente:

Applico il principio di sovrapposizione degli effetti (considero un ingresso alla volta e calcolo l'uscita)
Ho ottenuto v_o=(R_5/R_1)v_1+(R_5/R_2)v_2-(R_f/R_3)v_3-(R_f/R_4)v_4
Confronto la v_o ottenuta con quella desiderata (v_o=2v_1+4v_2-3v_3-0.5v_4) e implemento un sistema.
Nel sistema dovrei imporre anche la condizione R_i>10Kohm.
Così dovrei avere 5 equazioni in 6 incognite (tutte resistenze). A questo punto fisserei una resistenza (Rf o R5) per ottenere i risultati.

Vorrei che mi aiutaste a trovare la resistenza di ingresso del circuito, ed eventualmente fermarmi se il mio ragionamento che sto seguendo non va bene.
Avatar utente
Foto UtenteAndy85
15 4
 
Messaggi: 36
Iscritto il: 8 ago 2014, 19:00

Prossimo

Torna a Elettronica generale

Chi c’è in linea

Visitano il forum: Nessuno e 148 ospiti