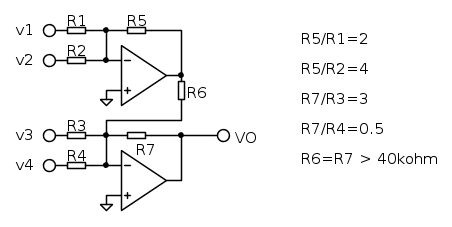
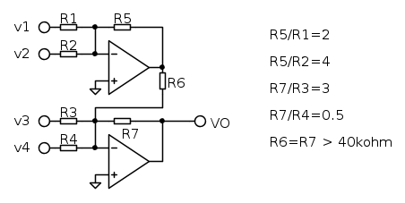
Dal punto di vista teorico sono corretti entrambi mentre dal punto di vista pratico il circuito nel post [1] potrebbe essere molto peggio del circuito nel post [5]. Il puro sommatore del post [1] potrebbe essere molto peggio perché richiede l'utilizzo di ben 3 operazionali e soffre di una banda passante tremendamente ridotta rispetto al circuito del post [5]. Il circuito [5] può però avere problemi di precisione ed esaltare problemi di offset.
Quindi, direi che se abbiamo bisogo di spremere banda ma allo stesso tempo utilizzare meno OpAmp a discapito della precisione e degli offset, il circuito [5] è da preferire.
Chiaramente se la banda passante non è un parametro che preoccupa, ma si vuole utilizzare meno OpAmp e ridurre, per quanto possibile i problemi di precisione e offset, il circuito [1] si può "riarrangiare" come segue:
pagando però con l'aggiunta di 4 resistori. Chiaramente, rilasciando il constraints sul numero di Opamp si può allargare la banda...
Miscelare segnali
Moderatori:
carloc,
g.schgor,
BrunoValente,
IsidoroKZ
32 messaggi
• Pagina 2 di 4 • 1, 2, 3, 4
0
voti
Andy85 ha scritto:Il ragionamento e lo schema che ho postato nel post[10] vanno bene?
Mi dispiace, direi proprio di no
Mi spieghi come hai applicato la sovrapposizione degli effetti per trovare l'espressione del guadagno?
-

EnChamade
6.498 2 8 12 - G.Master EY

- Messaggi: 588
- Iscritto il: 18 giu 2009, 12:00
- Località: Padova - Feltre
0
voti
Ho imposto prima v2=v3=v4=0
e quindi 
lo stesso per
imponendo v1=v3=v4=0
Poi, imponendo v1=v2=v4=0

lo stesso per
imponendo v1=v2=v3=0
e quindi 
lo stesso per
imponendo v1=v3=v4=0Poi, imponendo v1=v2=v4=0

lo stesso per
imponendo v1=v2=v3=00
voti
Vorrei sottolineare che a prescindere dalla configurazione, nel primo post alcune tensioni d'ingresso sono negative, mentre successivamente diventano positive. Cosa dice esattamente il testo? Ovviamente a seconda del segno cambia la configurazione!
0
voti
EnChamade ha scritto: Il puro sommatore del post [1] potrebbe essere molto peggio perché richiede l'utilizzo di ben 3 operazionali
Come mai servono 3 operazionali? Magari a questo punto sbaglio ma, per risolvere l'esercizio, lo schema del post 1 è completo e funzionante.
0
voti
Andy85 ha scritto:e quindi
No! Ti trovi davanti ad una configurazione non invertente ed il suo guadagno non è quello. perché usi
e
nel guadagno? Non sarebbe forse il caso di considerare
,
e
nei calcoli di questo guadagno?Per non incasinarti nei conti, cosa che succede spesso con questo tipo di circuiti, forse, dovresti riconsiderare il circuito del mio post [11]...
emacar ha scritto:Come mai servono 3 operazionali?
Per ottenere la versione "negativa" (io userei il termine invertita) delle tensioni
e
dato che, da come è stato posto il problema, si presume di avere disponibile solo la versione non invertita. Questo fatto deve essere tenuto in conto considerando che il circuito di somma utilizzato é invertente.-

EnChamade
6.498 2 8 12 - G.Master EY

- Messaggi: 588
- Iscritto il: 18 giu 2009, 12:00
- Località: Padova - Feltre
0
voti
EnChamade ha scritto:da come è stato posto il problema, si presume di avere disponibile solo la versione non invertita.
Dal primo post non sembra...
0
voti
In alternativa proporrei questo
Ha lo svantaggio di utilizzare due operazionali ma ha il vantaggio di avere i guadagni dei singoli rami non dipendenti dalla presenza o meno degli altri generatori ed inoltre non c'è modo comune
Ha lo svantaggio di utilizzare due operazionali ma ha il vantaggio di avere i guadagni dei singoli rami non dipendenti dalla presenza o meno degli altri generatori ed inoltre non c'è modo comune
-

BrunoValente
39,6k 7 11 13 - G.Master EY

- Messaggi: 7796
- Iscritto il: 8 mag 2007, 14:48
0
voti
Per precisare meglio: in ingresso dovrei mettere i segnali non invertiti v1,v2,v3,v4.
Dato che in uscita ho delle somme e differenze, per forza devo inserire un'inversione di segno.
quindi, considerando il tuo circuito, devo utilizzare
??
mentre per l'ingresso invertente presumo sia giusto quanto scritto prima..
E la resistenza di ingresso come la calcolo???
BrunoValente l'esercizio richiede un solo operazionale..
Dato che in uscita ho delle somme e differenze, per forza devo inserire un'inversione di segno.
EnChamade ha scritto:No! Ti trovi davanti ad una configurazione non invertente ed il suo guadagno non è quello.
quindi, considerando il tuo circuito, devo utilizzare
??mentre per l'ingresso invertente presumo sia giusto quanto scritto prima..
E la resistenza di ingresso come la calcolo???
32 messaggi
• Pagina 2 di 4 • 1, 2, 3, 4
Chi c’è in linea
Visitano il forum: Nessuno e 80 ospiti

Elettrotecnica e non solo (admin)
Un gatto tra gli elettroni (IsidoroKZ)
Esperienza e simulazioni (g.schgor)
Moleskine di un idraulico (RenzoDF)
Il Blog di ElectroYou (webmaster)
Idee microcontrollate (TardoFreak)
PICcoli grandi PICMicro (Paolino)
Il blog elettrico di carloc (carloc)
DirtEYblooog (dirtydeeds)
Di tutto... un po' (jordan20)
AK47 (lillo)
Esperienze elettroniche (marco438)
Telecomunicazioni musicali (clavicordo)
Automazione ed Elettronica (gustavo)
Direttive per la sicurezza (ErnestoCappelletti)
EYnfo dall'Alaska (mir)
Apriamo il quadro! (attilio)
H7-25 (asdf)
Passione Elettrica (massimob)
Elettroni a spasso (guidob)
Bloguerra (guerra)



