Buonasera a tutti!
Sto lavorando ad un semplice generatore a onda quadra, costituito da un inverter a trigger di Smith (come ad esempio l'integrato 74hc14). Non ho avuto problemi per la variazione del duty cicle; il mio problema riguarda l'aggiunta di offset: ho un segnale con V_low= 0V e V_high= 5V, come posso fare in modo che diventi V_low= -2,5V e V_high= 2,5V ?
Grazie a tutti per l'attenzione e buona domenica!
Offset per generatore ad onda quadra
Moderatori:
carloc,
g.schgor,
BrunoValente,
IsidoroKZ
11 messaggi
• Pagina 1 di 2 • 1, 2
0
voti
1
voti

"Non farei mai parte di un club che accettasse la mia iscrizione" (G. Marx)
-

claudiocedrone
21,3k 4 7 9 - Master EY

- Messaggi: 15302
- Iscritto il: 18 gen 2012, 13:36
0
voti
ciao
claudiocedrone
Anch'io avevo pensato a questa soluzione ma mi ero posto il problema: dove lo trovo o come lo faccio un alimentatore cosi?
Anch'io avevo pensato a questa soluzione ma mi ero posto il problema: dove lo trovo o come lo faccio un alimentatore cosi?
0
voti
"Non farei mai parte di un club che accettasse la mia iscrizione" (G. Marx)
-

claudiocedrone
21,3k 4 7 9 - Master EY

- Messaggi: 15302
- Iscritto il: 18 gen 2012, 13:36
0
voti
Infatti
Quando risponderà ai tre punti che avevo fissato sarà tutto più chiaro
Quando risponderà ai tre punti che avevo fissato sarà tutto più chiaro

0
voti
Ciao a tutti!
Allora, il tutto dovrebbe servirmi per pilotare degli switch. Non ho ancora deciso come alimentarlo, stavo facendo delle simulazioni preventive con microcap!
Allora, il tutto dovrebbe servirmi per pilotare degli switch. Non ho ancora deciso come alimentarlo, stavo facendo delle simulazioni preventive con microcap!
1
voti
swangel ha scritto:Non ho ancora deciso come alimentarlo
Puoi fare una classica fonte duale con le tensioni suggerite. Una fonte lineare con un piccolo trasformatore, un LM317 ed un LM337 dovrebbero andar bene. Altrimenti se la trovi, commutata. Ormai te le tirano dietro.
0
voti
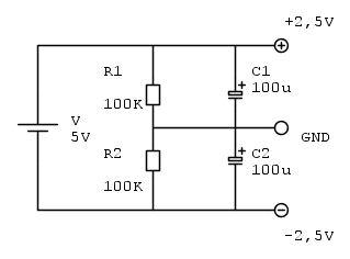
Se ti può essere utile:
se cerchi rail splitter su google trovi tanti schemi, questo è il più semplice ma allo stesso tempo il più "schifoso"
Se vuoi puoi mettere un operazionale configurato come inseguitore di tensione per la linea di massa, così non la carichi troppo.
Nelle versioni più evolute usano anche transistor

se cerchi rail splitter su google trovi tanti schemi, questo è il più semplice ma allo stesso tempo il più "schifoso"
Se vuoi puoi mettere un operazionale configurato come inseguitore di tensione per la linea di massa, così non la carichi troppo.
Nelle versioni più evolute usano anche transistor
11 messaggi
• Pagina 1 di 2 • 1, 2
Chi c’è in linea
Visitano il forum: Google Adsense [Bot] e 41 ospiti

Elettrotecnica e non solo (admin)
Un gatto tra gli elettroni (IsidoroKZ)
Esperienza e simulazioni (g.schgor)
Moleskine di un idraulico (RenzoDF)
Il Blog di ElectroYou (webmaster)
Idee microcontrollate (TardoFreak)
PICcoli grandi PICMicro (Paolino)
Il blog elettrico di carloc (carloc)
DirtEYblooog (dirtydeeds)
Di tutto... un po' (jordan20)
AK47 (lillo)
Esperienze elettroniche (marco438)
Telecomunicazioni musicali (clavicordo)
Automazione ed Elettronica (gustavo)
Direttive per la sicurezza (ErnestoCappelletti)
EYnfo dall'Alaska (mir)
Apriamo il quadro! (attilio)
H7-25 (asdf)
Passione Elettrica (massimob)
Elettroni a spasso (guidob)
Bloguerra (guerra)





