OT: in un forum come questo ogni schema elettrico potenzialmente pericoloso ai non esperti sarebbe da rimuovere immediatamente
doppio led alternato
Moderatori:
carloc,
g.schgor,
BrunoValente,
IsidoroKZ
31 messaggi
• Pagina 3 di 4 • 1, 2, 3, 4
0
voti
quello schema è meglio rimuoverlo subito, prima che qualcun altro si faccia male.
OT: in un forum come questo ogni schema elettrico potenzialmente pericoloso ai non esperti sarebbe da rimuovere immediatamente
OT: in un forum come questo ogni schema elettrico potenzialmente pericoloso ai non esperti sarebbe da rimuovere immediatamente
0
voti
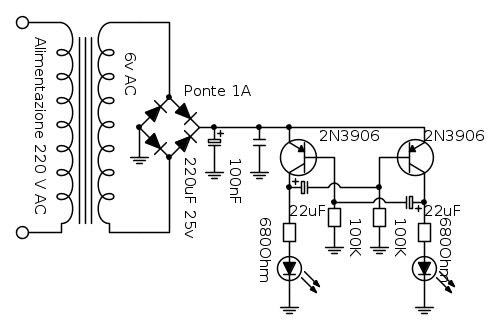
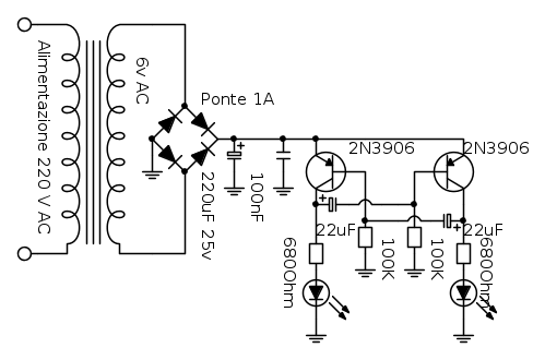
Sinceramente non me la sentirei di consigliarti uno schema senza trasformatore: Con questo schema puoi raggiungere un ottimo risultato senza rischiare di lasciarci la pelle
Come trasformatore non è necessario un besione da 1A ! se ne trovi uno da 100mah andrà più che bene
-

SuperEDO99
-2 2 - Messaggi: 49
- Iscritto il: 7 set 2014, 8:55
1
voti

"Non farei mai parte di un club che accettasse la mia iscrizione" (G. Marx)
-

claudiocedrone
21,3k 4 7 9 - Master EY

- Messaggi: 15302
- Iscritto il: 18 gen 2012, 13:36
0
voti
Salve,
sono arrivato a uno schema mi potreste dire se c'è qualcosa di sbagliato?
sono arrivato a uno schema mi potreste dire se c'è qualcosa di sbagliato?
0
voti
Si si
beh non ci sono errori
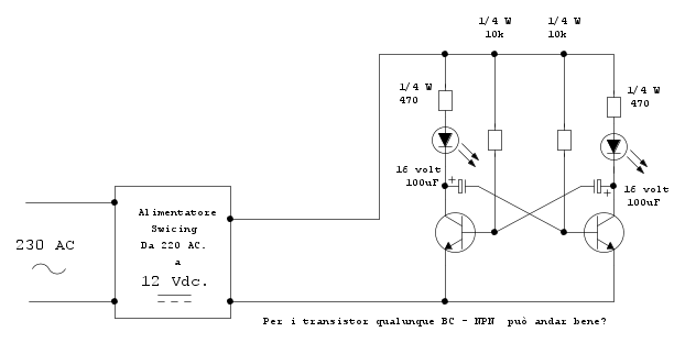
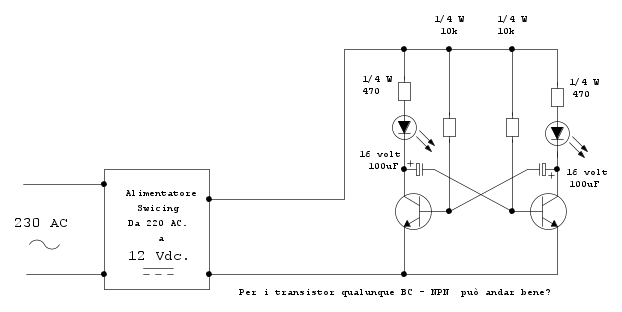
come transistor va bene qualsiasi NPN per piccoli segnali come il BC337 o il 2N2222 
claudiocedrone io in casa miamisuro 219,7v V in corrente alternata.
beh non ci sono errori 
-

SuperEDO99
-2 2 - Messaggi: 49
- Iscritto il: 7 set 2014, 8:55
0
voti
SuperEDO99 ha scritto:claudiocedrone io in casa miamisuro 219,7v in corrente alternata.
Cio' non toglie che la misura standard ufficiale sia quella di 230VAC.
marco
0
voti
l'energia elettrica per uso civile è distribuita con una tensione di rete del valore nominale di 230 Vac +/- 10% !
0
voti
In ogni caso per 10vV di corrente alternata in più non sono un problema per nessun apparecchio elettrico 
-

SuperEDO99
-2 2 - Messaggi: 49
- Iscritto il: 7 set 2014, 8:55
1
voti
SuperEDO99 ha scritto:In ogni caso per 10vV di corrente alternata in più non sono un problema per nessun apparecchio elettrico
dipende da quanto stabilito dal costruttore di quell'apparecchio.
31 messaggi
• Pagina 3 di 4 • 1, 2, 3, 4
Chi c’è in linea
Visitano il forum: Nessuno e 49 ospiti

Elettrotecnica e non solo (admin)
Un gatto tra gli elettroni (IsidoroKZ)
Esperienza e simulazioni (g.schgor)
Moleskine di un idraulico (RenzoDF)
Il Blog di ElectroYou (webmaster)
Idee microcontrollate (TardoFreak)
PICcoli grandi PICMicro (Paolino)
Il blog elettrico di carloc (carloc)
DirtEYblooog (dirtydeeds)
Di tutto... un po' (jordan20)
AK47 (lillo)
Esperienze elettroniche (marco438)
Telecomunicazioni musicali (clavicordo)
Automazione ed Elettronica (gustavo)
Direttive per la sicurezza (ErnestoCappelletti)
EYnfo dall'Alaska (mir)
Apriamo il quadro! (attilio)
H7-25 (asdf)
Passione Elettrica (massimob)
Elettroni a spasso (guidob)
Bloguerra (guerra)









