Salve a tutti,
avendo la necessità di risolvere temporaneamente un problema legato ad un sistema TVCC, riporto qui una mia idea votata all'economicità più spicciola e cruda.
Ho un sistema di videosorveglianza di 8 telecamere (NTSC) collegato ad un DVR encoder MPG-4 8 canali, interfacciato con un server e dei software di gestione vari. Ho un problema al DVR non risolvibile nell'immediato e la concomitante necessità di visionare le telecamere.
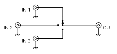
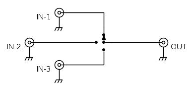
Considerando la capacità di spesa ridotta all'osso, per non dire zero, avevo pensato di tamponare alla rottura del DVr realizzando un commutatore manuale (nel vero senso della parola) degli 8 canali e porre l'uscita come ingresso RCA di un TV LCD che dirotterei allo scopo.
Vi posto qui lo schema (l'ho fatto solo per 3 canali.. come esempio) della banalità che avevo pensato:
Credete che possa funzionare una cosa del genere?
Preciso che le telecamere sono di sorveglianza di alcuni macchinari, e non si necessita di monitorarli tutti contemporaneamente.
Purtroppo essendo di estrazione più "meccanica", non ho tanta esperienza in campo di sengali video ecc...
Commutatore video manuale
Moderatori:
carloc,
g.schgor,
BrunoValente,
IsidoroKZ
20 messaggi
• Pagina 1 di 2 • 1, 2
0
voti
premesso che si trovano in commercio degli switch audio-video con ingressi in RCA,la realizzazione di uno switch video con un semplice commutatore è senz'altro fattibile il punto è che trattare un segnale video senza le giuste accortezze potrebbero esserci dei problemi sullo stesso segnale in uscita, ma in tal senso passerei la parola agli esperti. 
0
voti
Ci sono degli integrati che al loro interno hanno 4 switch e vengono usati da molto nei televisori appunto per questo uso e ora non mi ricordo la sigla, ma sicuramente qualche altro utente se la ricorderà, ma anch'io ho due telecamere a casa e da anni faccio lo scambio con un comunissimo deviatorino e va benissimo quindi penso che anche il tuo a tre posizioni possa andare altretanto bene, bye
0
voti
Vi ringrazio per le risposte...
So che in giro ci sono degli switch belli e fatti, ma purtroppo avendo 0€ di disponibilità (userei solo componenti di risulta che mi trovo tra casa e lavoro) non ho molte strade e nel frattempo che la mia azienda trova le risorse per riparare il DVR (tra l'altro un VideoJet della Bosh non proprio economico...) vorrei adottare questa soluzione.
Pensate che mettere il negativo a massa comune e deviare soltanto il positivo mi crei qualche problema di disturbi indotti?
So che in giro ci sono degli switch belli e fatti, ma purtroppo avendo 0€ di disponibilità (userei solo componenti di risulta che mi trovo tra casa e lavoro) non ho molte strade e nel frattempo che la mia azienda trova le risorse per riparare il DVR (tra l'altro un VideoJet della Bosh non proprio economico...) vorrei adottare questa soluzione.
Pensate che mettere il negativo a massa comune e deviare soltanto il positivo mi crei qualche problema di disturbi indotti?
0
voti
MatteoCMP ha scritto:Pensate che mettere il negativo a massa comune e deviare soltanto il positivo mi crei qualche problema di disturbi indotti?
non credo se utilizzi un box metallico,però tengo a precisare che non sono un esperto in RF pertanto si potrebbe attendere unintervento più autorevole, anche se visto che come dici utilizzi componenti di recupero, se altrettanto per un piccolo box metallico, potresti nel frattempo tentare ...
io intanto tento a citare alcuni degli esperti del calibro di
1
voti
Le frequenze in gioco non sono alte al punto da creare problemi, funzionerà senz'altro.
Comunque converrà fare prima qualche prova montando un deviatore al volo per vedere come va e poi costruire una scatolina metallica collegata alle calze di tutti i cavi.
Comunque converrà fare prima qualche prova montando un deviatore al volo per vedere come va e poi costruire una scatolina metallica collegata alle calze di tutti i cavi.
-

BrunoValente
39,6k 7 11 13 - G.Master EY

- Messaggi: 7796
- Iscritto il: 8 mag 2007, 14:48
0
voti
grazie!!
ora mi metto all'opera e vi farò sapere se funziona e come...
ora mi metto all'opera e vi farò sapere se funziona e come...
0
voti
Eccomi ancora....
girovagando per il forum ho trovato un vecchio topic su un problema simile (http://www.electroyou.it/forum/viewtopic.php?t=31316) si trattava di un commutatore audio/video...
La soluzione era alquanto elaborata rispetto a quello che adotterò per il lavoro, però ovviamente da tecnico la curiosità di costruirsi qualcosa da soli e pretendere che funzioni vince su tutto....
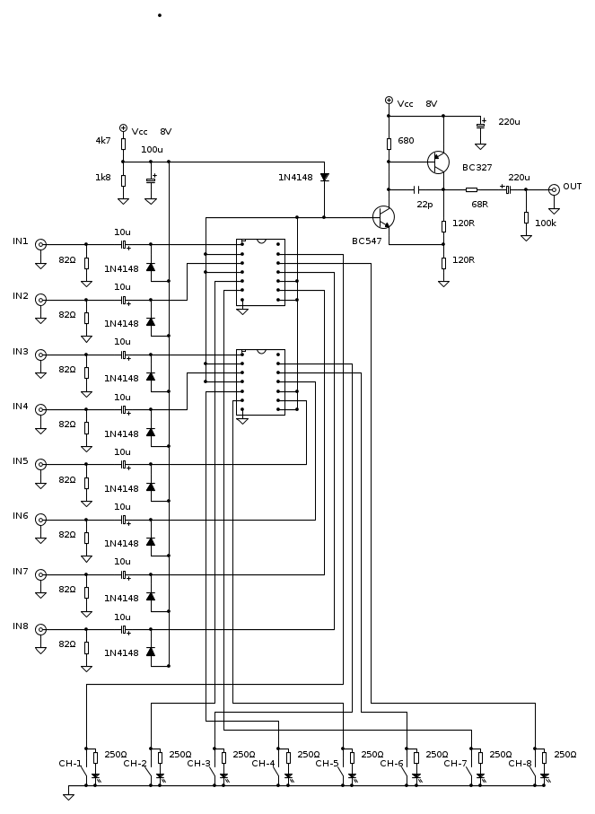
Si proponeva di usare un CD4066 per le commutazioni, ovviamente essendo nel mio caso 8 canali dovrei usarne 2.
Giocando su fidocadj, riprendendo quanto proposto da
carloc, ho buttato giù uno schemino...
credete funzioni così?
(non mi picchiate se non si capisce molto... a parte qualche rudimento di macchine elettriche ed elettrotecnica spicciola, di elettronica so praticamente 0)
1. sul pin 14 del IC cosa ci va?
2. dal momento che il controllo delle commutazioni viene fatto con un pulsante (messi su un pannellino frontale con led indicatori del canale selezionato...almeno così vorrei realizzarlo), quando lo rilascio la commutazione sul canale resta chiusa?
Vi ringrazio per tutte le correzioni, e credo siano tante, vogliate farmi...
girovagando per il forum ho trovato un vecchio topic su un problema simile (http://www.electroyou.it/forum/viewtopic.php?t=31316) si trattava di un commutatore audio/video...
La soluzione era alquanto elaborata rispetto a quello che adotterò per il lavoro, però ovviamente da tecnico la curiosità di costruirsi qualcosa da soli e pretendere che funzioni vince su tutto....
Si proponeva di usare un CD4066 per le commutazioni, ovviamente essendo nel mio caso 8 canali dovrei usarne 2.
Giocando su fidocadj, riprendendo quanto proposto da
credete funzioni così?
(non mi picchiate se non si capisce molto... a parte qualche rudimento di macchine elettriche ed elettrotecnica spicciola, di elettronica so praticamente 0)
1. sul pin 14 del IC cosa ci va?
2. dal momento che il controllo delle commutazioni viene fatto con un pulsante (messi su un pannellino frontale con led indicatori del canale selezionato...almeno così vorrei realizzarlo), quando lo rilascio la commutazione sul canale resta chiusa?
Vi ringrazio per tutte le correzioni, e credo siano tante, vogliate farmi...
0
voti
1. Non credi che gli integrati debbano essere alimentati?
2. Non ho capito bene cosa vuoi fare; cerca di essere piu' chiaro.
Hai letto bene il datasheet dell'integrato?
2. Non ho capito bene cosa vuoi fare; cerca di essere piu' chiaro.
Hai letto bene il datasheet dell'integrato?
marco
20 messaggi
• Pagina 1 di 2 • 1, 2
Chi c’è in linea
Visitano il forum: Nessuno e 100 ospiti

Elettrotecnica e non solo (admin)
Un gatto tra gli elettroni (IsidoroKZ)
Esperienza e simulazioni (g.schgor)
Moleskine di un idraulico (RenzoDF)
Il Blog di ElectroYou (webmaster)
Idee microcontrollate (TardoFreak)
PICcoli grandi PICMicro (Paolino)
Il blog elettrico di carloc (carloc)
DirtEYblooog (dirtydeeds)
Di tutto... un po' (jordan20)
AK47 (lillo)
Esperienze elettroniche (marco438)
Telecomunicazioni musicali (clavicordo)
Automazione ed Elettronica (gustavo)
Direttive per la sicurezza (ErnestoCappelletti)
EYnfo dall'Alaska (mir)
Apriamo il quadro! (attilio)
H7-25 (asdf)
Passione Elettrica (massimob)
Elettroni a spasso (guidob)
Bloguerra (guerra)





