Cos'è ElectroYou | Login Iscriviti

ElectroYou - la comunità dei professionisti del mondo elettrico

Barra lampeggiante polizia e ambulanza a LED

Elettronica lineare e digitale: didattica ed applicazioni

Moderatori: Foto Utentecarloc, Foto Utenteg.schgor, Foto UtenteBrunoValente, Foto UtenteIsidoroKZ

0
voti

[1] Barra lampeggiante polizia e ambulanza a LED

Messaggioda Foto UtenteMacelettronic » 4 ott 2014, 19:35

Ciao a tutti, volevo creare costruire un circuito per far lampeggiare due led, però questi dovrebbero lampeggiare in modo casuale o comunque non tutti e due insieme.
Se poi fosse possibile sarebbe bello avere un effetto tipo lampeggianti ambulanza, che non hanno un lampeggio "on-off", ma un lampeggio tipo questo:



Se poi ci riesco voglio provare a fare anche qualcosa del genere



Insomma avete capito, voglio riprodurre questi mezzi in un mio diorama :D

Mi aiutate?

Ho provato a fare uno schema ma non so se va bene, ma soprattutto se funziona ,credo che faccia un lampeggio semplice e non uno come quello dei video, magari va bene per i led gialli della polizia, ma per quelli blu?
Ovviamente per i led gialli farei uno schema e per i blu un secondo, oppure posso usare un unico ne555 per tutto?

Dimenticavo userei per alimentare il circuito un trasformatore quindi fino a 12V vado tranquillo :D



[i]edit Foto Utentemir : gli schemi realizzati con fidocadj si allegano al topic utilizzando il tag fcd,copiando ed incollando il codice fcd fra i due tag.
Ultima modifica di Foto UtenteOspite il 5 ott 2014, 12:13, modificato 6 volte in totale.
Avatar utente
Foto UtenteMacelettronic
55 2 6
Frequentatore
Frequentatore
 
Messaggi: 212
Iscritto il: 1 feb 2012, 11:08

0
voti

[2] Re: Lampeggiatore polizia e ambulanza a LED

Messaggioda Foto Utentemarco438 » 4 ott 2014, 20:04

Lo schema che hai postato (e che presenta alcuni errori) serve ad accendere due led in contemporanea alla frequenza imposta da R1/R2/C1.
Se vuoi delle "Police Light" , qui, trovi alcuni schemi con il NE555.
marco
Avatar utente
Foto Utentemarco438
37,1k 7 11 13
-EY Legend-
-EY Legend-
 
Messaggi: 16323
Iscritto il: 24 mar 2010, 15:09
Località: Versilia

0
voti

[3] Re: Lampeggiatore polizia e ambulanza a LED

Messaggioda Foto UtenteRussell » 4 ott 2014, 20:29

Per l'effetto lampeggio, certo, la via piu' semplice è usare un 555 in configurazione astabile
http://it.wikipedia.org/wiki/NE555#Astabile
Tarandolo su una frequenza la intorno ai 2-3Hz

Ma a quel punto tutte le luci si accendono insieme.

Se vuoi avere piu' zone che si accendono alternativamente allora il circuito si complica:
oltre al 555 dovresti prevedere un contatore (ma te ne basta probabilmente anche uno a 4 bit), e a quel punto basta solo un po' di fantasia per creare le combinazioni dei piedini di uscita (degli AND implementati con dei banali diodi) per avere un risultato analogo a quello del video
Attenzione in questo caso che il contatore non puo' erogare grandi correnti, quindi o prevedi uno stadio di amplificazione, o fai attenzione a non accendere insieme piu' rami di LED, verificando anche che ciascun ramo non superi l'assorbimento massimo specificato del datasheet.
Avatar utente
Foto UtenteRussell
3.373 3 5 9
Master
Master
 
Messaggi: 2193
Iscritto il: 4 ott 2009, 10:25

1
voti

[4] Re: Lampeggiatore polizia e ambulanza a LED

Messaggioda Foto UtenteMacelettronic » 5 ott 2014, 11:27

Grazie per le rispote vado in ordine:
Foto Utentemir scusa per l'errore, non capivo come si postava un file fidocadj, ora ho capito :-)

Foto Utentemarco438 visto che sono alle prime armi con gli schemi e con l'elettronica, mi dici dove ho sbagliato, almeno capisco gli errori che faccio? le resistenze da 120Ω le ho messe pensando di lavorare su 6v che ho dimenticato di segnare, ma credo che l'errore non sia solo questo.

Foto UtenteRussell questo schema l'ho disegnato ispirandomi a quello che mi avevi disegnato tu, per creare un crepuscolare ricordi? Unica cosa che ho capito leggendo un articolo sul ne555 trovato nel forum è che la differenza tra il tuo schema e questo è che dovendo io scaricare un condensatore, dovevo usare il piedino 7, che nel caso del crepuscolare era lasciato libero. Mi dici cosa è questo contatore 4 bit che dici tu?
volevo usare ne555 o cose simili per evitare i PIC, solo perché non avendo il programmatore non vorrei spendere soldi per comprarlo ed usarlo solo una volta.

Intanto cercando sul forum ho trovato questo, ma lo schema è per funzionare in auto e con 12 led a me led che lampeggiano ne servono meno :-)
http://www.electroyou.it/forum/viewtopic.php?f=1&t=20360&start=10
Anche perché pensavo che per l'auto della polizia i led gialli potrebbero avere un loro schema ed i blu un altro, mentre per i fari della vettura non dovendo lampeggiare possono essere anche loro indipendenti.
Avatar utente
Foto UtenteMacelettronic
55 2 6
Frequentatore
Frequentatore
 
Messaggi: 212
Iscritto il: 1 feb 2012, 11:08

0
voti

[5] Re: Lampeggiatore polizia e ambulanza a LED

Messaggioda Foto Utentemarco438 » 5 ott 2014, 11:49

Macelettronic ha scritto:Foto Utentemarco438 visto che sono alle prime armi con gli schemi e con l'elettronica, mi dici dove ho sbagliato.......


In uno schema elettrico occorre tenere presente che, quando due linee (connessioni) si incontrano, non si considerano collegate tra di loro se non esiste punto di connessione.
Nel tuo caso specifico, ne hai dimenticati due :D
Inoltre il potenziometro e' stato collegato erroneamente.
Questo per quanto riguarda lo schema postato; per il resto, il mio consiglio e' quello di concentrarti su un unico progetto e portarlo a termine.
Fare troppe cose insieme non porta a grandi risultati e serve solo a confondere le idee.
Quindi scegli cosa vuoi fare e portalo a compimento; in seguito potrai svolgere un altro progetto e/o modificare quello fatto.
Nell'altro thread ti ho invitato alla lettura di un articolo riguardante l'integrato NE555 che, viste le tue "tendenze", ti consiglio vivamente di leggere; se non si conoscono i componenti e' difficile capire come farli funzionare e, copiare uno schema gia' fatto, non aumenta le proprie conoscenze.
Ho visto lo schema che hai citato di IsidoroKZ; e' interessante e si presta ad usi molteplici, sempre che tu te la senta di realizzarlo. :D
marco
Avatar utente
Foto Utentemarco438
37,1k 7 11 13
-EY Legend-
-EY Legend-
 
Messaggi: 16323
Iscritto il: 24 mar 2010, 15:09
Località: Versilia

0
voti

[6] Re: Lampeggiatore polizia e ambulanza a LED

Messaggioda Foto Utentemir » 5 ott 2014, 15:36

Macelettronic ha scritto:mir scusa per l'errore, non capivo come si postava un file fidocadj, ora ho capito :-)

nulla di cui scusarti,riguardo a fidocadj puoi trovare tutte le info alla voce Help del menu a tendina in alto. ;-)
Avatar utente
Foto Utentemir
66,0k 9 12 13
G.Master EY
G.Master EY
 
Messaggi: 21870
Iscritto il: 19 ago 2004, 21:10

0
voti

[7] Re: Lampeggiatore polizia e ambulanza a LED

Messaggioda Foto UtenteMacelettronic » 5 ott 2014, 17:56

Marco438, il fatto di essere su due progetti contemporaneamente è solo per una questione tecnica, in città da me, non trovo tutta la componentistica che cerco, ad esempio non si trovano led da 1,8mm ad alta luminosità, trovi solo quelli bianchi da 5mm; quindi devo ordinare online la merce e vorrei fare un unico ordine, in modo da risparmiare almeno nella spedizione, ovviamente una volta che mi arriva la merce prima farò un progetto (sia per la parte elettronica che di modellismo), successivamente inizierò l'altro.

tornando allo schema di isidoroKz, ho visto quei componenti all'uscita del 555, che credo di aver capito essere "l'esploso" del cd4001, giusto?
Riguardo alla "tendenza" ad usare il 555, lo uso solo perché è il primo circuito integrato che ho usato, ne ho ancora qualcuno in casa tutto qui, sono disposto anche a cambiare, ho visto che si possono fare lavori simili ed anche migliori forse, con i PIC, ma non vorrei comprare un programmatore di chip per usarlo solo poche volte.
Avatar utente
Foto UtenteMacelettronic
55 2 6
Frequentatore
Frequentatore
 
Messaggi: 212
Iscritto il: 1 feb 2012, 11:08

0
voti

[8] Re: Lampeggiatore polizia e ambulanza a LED

Messaggioda Foto Utentemarco438 » 5 ott 2014, 19:07

Ok. Fai come credi meglio.
Si; il 4001 in effetti e' un integrato a 14 pin cosi' rappresentato per comodita' di disegno.
cd4001.gif
cd4001.gif (5.3 KiB) Osservato 14746 volte
marco
Avatar utente
Foto Utentemarco438
37,1k 7 11 13
-EY Legend-
-EY Legend-
 
Messaggi: 16323
Iscritto il: 24 mar 2010, 15:09
Località: Versilia

1
voti

[9] Re: Lampeggiatore polizia e ambulanza a LED

Messaggioda Foto UtenteRussell » 6 ott 2014, 10:50

Macelettronic ha scritto:Mi dici cosa è questo contatore 4 bit che dici tu?


Si certo
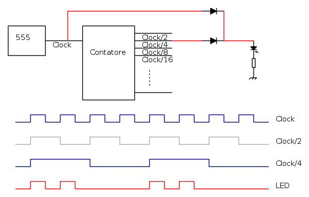
Lo faccio a scopo informativo, poi vedi tu se ti interessa questo approccio o preferisci qualcosa di piu' semplice.
In generale pensa di avere un clock, nel tuo caso il 555 che oscilla.
il contatore è un integrato che letteralmente conta quanti cicli il tuo clock sta' facendo.
L'informazione, numerica, è tradotta in bit, che sono quelli di uscita che puoi usare, ad es 4, ma anche 14 bit per es (come il 4020, http://pdf.datasheetcatalog.com/datashe ... o3y1ky.pdf)
E' chiaro che con 4 bit, il massimo numero rappresentabile è 16, dopodiche' il contatore ricomincia da 0, nel caso di contatore a 14bit il reset ce l'hai a 2^14=16000.
Detto cosi' sembra un componente inutile, ma in pratica, per una comodoa proprietà dei numeri binari, è un economico modo per avere contemporamente tanti clock a frequenze proporzionali a quella del tuo clock base.
Se ad es il tuo clock base (quello del 555) oscilla a 4Hz, il primo piedino di uscita del contatore ha freq 2Hz, il secondo ad 1Hz, il terzo piedino 0.5Hz... ecc.

Adesso prendi in considerazione una porta AND.
Se mandi a tale porta sia il clock base (4Hz), che il clock diviso per 8(0.5Hz), in uscita avrai un lampeggio a 4Hz che si attiva un secondo si e uno no.... esattamente quello che magari fa' un gruppo di LED in uno dei tuoi video.
Se ad un'altra porta AND porti sia il clock base (4Hz) che il clock diviso per 16(0.25Hz), in uscita hai un lampeggio che si attiva ogni 2 secondi, e resta acceso per 2 secondi
Se ad una terza porta AND (tripla) mandi sia il clock base (4Hz) che il clock diviso per 8 (0.5Hz), oltre anche al clock diviso per 4(0.25Hz) in uscita hai che il tuo lampeggio dura un secondo, ma sta' spento 3 secondi [fatti 2 conti].

Concludo con un'altra comoda informazione: la porta AND in questo caso la implemeti con dei banali diodi, vedi l'esempio in figura.
Hai totale liberta' sui piedini del contatore da usare, e puoi prenderne 2 alla volta, o 3 o piu' (a seconda dell'effetto che vuoi ottenere)

Avatar utente
Foto UtenteRussell
3.373 3 5 9
Master
Master
 
Messaggi: 2193
Iscritto il: 4 ott 2009, 10:25

0
voti

[10] Re: Lampeggiatore polizia e ambulanza a LED

Messaggioda Foto UtenteRussell » 6 ott 2014, 15:35

Correggo il post precedente segnalando che le porte AND non possono essere implementate con dei diodi come ho illustrato. In pratica ho fatto confusione con le OR, che in effetti possono essere gestite in quel modo.
Per le AND è necessario fare ricorso all'integrato probabilmente. In questo caso, dato che potrebbero servirne piu' di una, puo' far comodo un integrato che le contiene 2 o 4, andando a risparmiare spazio e soldi (a parte che con 1-2 euro qui si fa' tutto)
Avatar utente
Foto UtenteRussell
3.373 3 5 9
Master
Master
 
Messaggi: 2193
Iscritto il: 4 ott 2009, 10:25

Prossimo

Torna a Elettronica generale

Chi c’è in linea

Visitano il forum: Nessuno e 54 ospiti