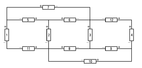
ciao a tutti, vorrei un chiarimento su questo esercizio di elettrotecnica... nel circuito che ho allegato conosco le tensioni: V1=10v,V2=5v,V4=-3v,V6=2v,V7=-3v,V12=8v. devo determinare le tensioni icognite... io ho applicate la LKV ai 5 anelli presenti nel grafo, ma ottengo un sistema di 5 equazioni in 6 incognite... come potrei procedere?
Risolvere circuito tramite numero minimo di equazioni
Moderatori:
g.schgor,
IsidoroKZ
6 messaggi
• Pagina 1 di 1
0
voti
Ciao
marauder10.
Per facilitare le risposte al tuo problema dovresti allegare ad un post lo schema elettrico del circuito utilizzando FIDOCADJ, ai seguenti link trovi le guide all' uso:
http://www.electroyou.it/elettrodomus/w ... -per-tonni
http://www.electroyou.it/darwinne/wiki/fidocadj
Ti consiglio di illustrare il procedimento che hai adottato, in questo modo rendi nota la tua preparazione su questo argomento.
Se devi usare delle funzioni matematiche utilizza LATEX, al seguente link trovi una piccola guida all' uso:
http://www.electroyou.it/mrc/wiki/intro ... o-di-latex
Per facilitare le risposte al tuo problema dovresti allegare ad un post lo schema elettrico del circuito utilizzando FIDOCADJ, ai seguenti link trovi le guide all' uso:
http://www.electroyou.it/elettrodomus/w ... -per-tonni
http://www.electroyou.it/darwinne/wiki/fidocadj
marauder10 ha scritto:....io ho applicate la LKV ai 5 anelli presenti nel grafo, ma ottengo un sistema di 5 equazioni in 6 incognite...
Ti consiglio di illustrare il procedimento che hai adottato, in questo modo rendi nota la tua preparazione su questo argomento.
Se devi usare delle funzioni matematiche utilizza LATEX, al seguente link trovi una piccola guida all' uso:
http://www.electroyou.it/mrc/wiki/intro ... o-di-latex
1
voti
A quale convenzione grafica bisogna riferirsi per capire dove sono i nodi?
Visto che hai postato una scansione, (a scanso di equivoci), io potrei mettere i nodi dove voglio e risolvere come voglio. O no?
Visto che hai postato una scansione, (a scanso di equivoci), io potrei mettere i nodi dove voglio e risolvere come voglio. O no?
-

Candy
32,5k 7 10 13 - CRU - Account cancellato su Richiesta utente
- Messaggi: 10123
- Iscritto il: 14 giu 2010, 22:54
0
voti
sì,credo di sì. Calcola che sono all'inizio nei miei studi di elettrotecnica e devo svolgere esercizi come questo per prendere dimistichezza con le leggi di Kirchhoff. Adesso provvedo a disegnare il circuito con fidojcad
-

marauder10
25 3 - Messaggi: 45
- Iscritto il: 29 giu 2013, 21:25
0
voti
marauder10 ha scritto:ottengo un sistema di 5 equazioni in 6 incognite
In effetti è possibile che il problema non abbia una soluzione esatta per tutte le tensione chieste
In pratica hai 5 anelli (quindi 5 equazioni), 12 parametri, di cui solo 6 noti, quindi 6 incognite.
Il sistema, messo cosi', è sottodimensionato.
Alcune variabili sono facilmente determinabili:
Ad es la V5 grazie alla V6 e V7
Poi con la V5, V1 e V2 puoi trovare la V11
Ma quando guardi gli anelli in basso a destra ti trovi le restanti 3 equazioni, con le restanti 4 incognite.
Non mi sono messo a fare i calcoli, ma è possibile che te ne rimanga 1 libera, da cui dipendano le altre 3.
vediamo...
0
voti
Infatti pensavo di aver sbagliato dato che non potevo trovare tutte le incognite... grazie russel 
-

marauder10
25 3 - Messaggi: 45
- Iscritto il: 29 giu 2013, 21:25
6 messaggi
• Pagina 1 di 1
Torna a Elettrotecnica generale
Chi c’è in linea
Visitano il forum: Nessuno e 21 ospiti

Elettrotecnica e non solo (admin)
Un gatto tra gli elettroni (IsidoroKZ)
Esperienza e simulazioni (g.schgor)
Moleskine di un idraulico (RenzoDF)
Il Blog di ElectroYou (webmaster)
Idee microcontrollate (TardoFreak)
PICcoli grandi PICMicro (Paolino)
Il blog elettrico di carloc (carloc)
DirtEYblooog (dirtydeeds)
Di tutto... un po' (jordan20)
AK47 (lillo)
Esperienze elettroniche (marco438)
Telecomunicazioni musicali (clavicordo)
Automazione ed Elettronica (gustavo)
Direttive per la sicurezza (ErnestoCappelletti)
EYnfo dall'Alaska (mir)
Apriamo il quadro! (attilio)
H7-25 (asdf)
Passione Elettrica (massimob)
Elettroni a spasso (guidob)
Bloguerra (guerra)


