Progettazione PCB
30 messaggi
• Pagina 1 di 3 • 1, 2, 3
0
voti
Come mi consigliate procedere? ho già uno schema pronto (in mente) di quello che devo fare, ma non so da dove iniziare
ho acquistato mentre ero a londra due basette di rame belle grandi (così ce ne escono parecchi di circuiti)... sono con una facciata sola di rame, e non ho chissa quali necessità. qualche componente SMD lo devo mettere, per esempio diodi e transistor, ma del resto sono tutti normali... da dove mi consigliate di iniziare?
-

daniele1996
610 3 8 11 - Sostenitore

- Messaggi: 1554
- Iscritto il: 29 ago 2011, 11:29
1
voti
Con Fidocad. Tieni presente che un buon circuito stampato deve essere:
1) il più ridotto possibile.
2) Non avere, o avere pochi ponticelli.
L'uso di componenti SMD, al contario dei componenti classici non ti permette di far passare una pista sotto si essi, e questo un po' penalizza.
Posta il circuito elettrico poi vedremo insieme.
1) il più ridotto possibile.
2) Non avere, o avere pochi ponticelli.
L'uso di componenti SMD, al contario dei componenti classici non ti permette di far passare una pista sotto si essi, e questo un po' penalizza.
Posta il circuito elettrico poi vedremo insieme.
-

NinoAL
813 1 8 - Utente disattivato per decisione dell'amministrazione proprietaria del sito
- Messaggi: 128
- Iscritto il: 20 lug 2012, 19:09
0
voti
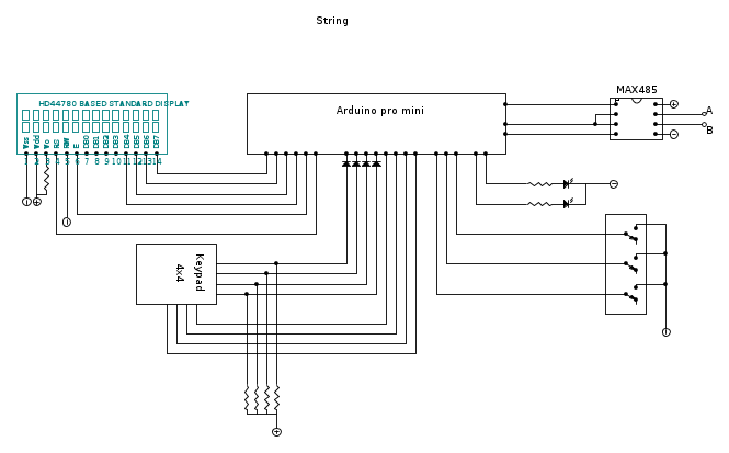
perfetto! faccio lo schema e lo posto premetto che ho implementato una board arduino... come diodi che devo mettere ho preso questi, perché per quello che devo fare io ne ho da buttare... comunque, faccio lo schema e lo posto... thank you very much 
-

daniele1996
610 3 8 11 - Sostenitore

- Messaggi: 1554
- Iscritto il: 29 ago 2011, 11:29
1
voti
daniele1996 ha scritto:perché sotto un componente non possono passare piste?
Sotto un componente SMD non c'è lo spazio necessario per farvi passare una pista.
0
voti
rieccomi qui dopo un po di tempo, siccome ho intenzione di realizzare questo PCB (perché mi serve) riapro il topic... mi sono arrivati i diodi, i transistor SMD e tutto (Dalla cina ovviamente
)come potrei proseguire?
ho gia delle basette pretagliate (10x7 cm) e credo che possano andare bene come spazio per quello che vorrei realizzare... come posso proseguire?
ho gia delle basette pretagliate (10x7 cm) e credo che possano andare bene come spazio per quello che vorrei realizzare... come posso proseguire?
-

daniele1996
610 3 8 11 - Sostenitore

- Messaggi: 1554
- Iscritto il: 29 ago 2011, 11:29
1
voti
Per proseguire devi convertire lo schema elettrico in disegno del PCB; puoi farlo con FidoCadJ.
Una volta disegnato, lo pubblichi e lo rivediamo sia per eventuali errori che per il layout.
Poi puoi proseguire con una delle numerose tecniche di stampa della basetta.
Una volta disegnato, lo pubblichi e lo rivediamo sia per eventuali errori che per il layout.
Poi puoi proseguire con una delle numerose tecniche di stampa della basetta.
marco
30 messaggi
• Pagina 1 di 3 • 1, 2, 3
Torna a Costruzione, riparazione, riutilizzo
Chi c’è in linea
Visitano il forum: Nessuno e 6 ospiti

Elettrotecnica e non solo (admin)
Un gatto tra gli elettroni (IsidoroKZ)
Esperienza e simulazioni (g.schgor)
Moleskine di un idraulico (RenzoDF)
Il Blog di ElectroYou (webmaster)
Idee microcontrollate (TardoFreak)
PICcoli grandi PICMicro (Paolino)
Il blog elettrico di carloc (carloc)
DirtEYblooog (dirtydeeds)
Di tutto... un po' (jordan20)
AK47 (lillo)
Esperienze elettroniche (marco438)
Telecomunicazioni musicali (clavicordo)
Automazione ed Elettronica (gustavo)
Direttive per la sicurezza (ErnestoCappelletti)
EYnfo dall'Alaska (mir)
Apriamo il quadro! (attilio)
H7-25 (asdf)
Passione Elettrica (massimob)
Elettroni a spasso (guidob)
Bloguerra (guerra)





