Cos'è ElectroYou | Login Iscriviti

ElectroYou - la comunità dei professionisti del mondo elettrico

Potenza attiva e reattiva

Circuiti, campi elettromagnetici e teoria delle linee di trasmissione e distribuzione dell’energia elettrica

Moderatori: Foto Utenteg.schgor, Foto UtenteIsidoroKZ

0
voti

[1] Potenza attiva e reattiva

Messaggioda Foto Utenteabj79 » 28 ott 2014, 19:44

Salve,
mi aiutate a calcolare la potenza attiva P e reattiva Q di ciascun generatore dell'esercizio che segue?
Grazie!!!

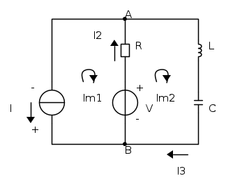
TESTO:
V=150 V (eff.)
I=3 A (eff.)
R=4 Ohm
\omega L=18 Ohm
\[\frac{1}{ \omega C}\]=12 Ohm



Ecco le correnti di ramo trovate con il metodo delle correnti di maglia:

I=3 A
I2=13.61-15.92j A
I3=10.61-15.92j A

Mi insegnate a calcolare P e Q?
Alcuni leggono "Guerra e pace", e pensano che sia solamente un libro d'avventure; altri, leggendo gli ingredienti su una cartina del chewing-gum, scoprono i segreti dell'universo.
Avatar utente
Foto Utenteabj79
155 6
Frequentatore
Frequentatore
 
Messaggi: 131
Iscritto il: 21 lug 2014, 0:13

2
voti

[2] Re: Potenza attiva e reattiva

Messaggioda Foto Utentelillo » 28 ott 2014, 20:01

avresti potuto usare Millman, in modo da avere immediatamente la tensione sul generatore di corrente.
comunque, calcola direttamente la potenza complessa di ogni generatore attraverso:

S_i=V_iI_i^*=P_i+\text{j}Q_i

dove I* è il coniugato complesso della corrente.
Avatar utente
Foto Utentelillo
20,5k 7 12 13
G.Master EY
G.Master EY
 
Messaggi: 4172
Iscritto il: 25 nov 2010, 11:30
Località: Nuovo Mondo

1
voti

[3] Re: Potenza attiva e reattiva

Messaggioda Foto Utenteabj79 » 28 ott 2014, 20:06

La tensione sul generatore di corrente però è anche Vab, no? Quindi per il generatore di corrente:
\[V_{i}=RI_{2}+V=204.44-i63.68\]
e \[I_{i}^{*}=I=3 \]
cioè la potenza complessa è, utilizzando la dicitura del mio libro:
\[\dot{P}=\dot{V}_{i} \check{I} = (204.44-i63.68)3= 613.32-j63.68 \ \ \ \ W\]

(mentre se il dato fosse stato, ad esempio, I=3+10j allora \[I_{i}^{*}= \check{I} =3-10j \] ? )

Ditemi tutto, vorrei imparare con questo esempio.
Alcuni leggono "Guerra e pace", e pensano che sia solamente un libro d'avventure; altri, leggendo gli ingredienti su una cartina del chewing-gum, scoprono i segreti dell'universo.
Avatar utente
Foto Utenteabj79
155 6
Frequentatore
Frequentatore
 
Messaggi: 131
Iscritto il: 21 lug 2014, 0:13

5
voti

[4] Re: Potenza attiva e reattiva

Messaggioda Foto UtenteRenzoDF » 28 ott 2014, 20:51

abj79 ha scritto:La tensione sul generatore di corrente però è anche Vab, no?

No, dai segni che vedo indicati, corretti per la convenzione dei generatori, la tensione sul GIC è VBA

abj79 ha scritto:\[V_{i}=RI_{2}+V=204.44-i63.68\]

No, occhio ai segni
\[V_{i}=V_{BA}=RI_{2}-V

per calcolarla impara a partire dal punto "basso" in questo caso A e "sali" fino al punto "alto", in questo caso B: se lungo il percorso trovi una salita di potenziale scrivi "+..." se trovi una discesa scrivi "-...".

abj79 ha scritto:e \[I_{i}^{*}=I=3 \]

Ok

abj79 ha scritto:...
(mentre se il dato fosse stato, ad esempio, I=3+10j allora \[I_{i}^{*}= \check{I} =3-10j \] ? )

Propirio così :ok: ... il fasore si "specchia" sull'asse reale.

BTW usate i valori efficaci? :?: :shock: ... incredibbile, dov'è che studi?
"Il circuito ha sempre ragione" (Luigi Malesani)
Avatar utente
Foto UtenteRenzoDF
55,9k 8 12 13
G.Master EY
G.Master EY
 
Messaggi: 13189
Iscritto il: 4 ott 2008, 9:55

1
voti

[5] Re: Potenza attiva e reattiva

Messaggioda Foto Utenteabj79 » 30 ott 2014, 16:34

Sì usiamo i valori efficaci.... in quale ateneo? Posso risponderti in PVT? :oops:

P.s.: Molto bene lo scritto all'esame, ma è tutto merito vostro, un grazie di cuore!!! ^_^
Ora si passa all'orale, tutto sulle macchine elettriche:
che pensavate di esservi già liberati di me??? :twisted: :twisted: :twisted:
Alcuni leggono "Guerra e pace", e pensano che sia solamente un libro d'avventure; altri, leggendo gli ingredienti su una cartina del chewing-gum, scoprono i segreti dell'universo.
Avatar utente
Foto Utenteabj79
155 6
Frequentatore
Frequentatore
 
Messaggi: 131
Iscritto il: 21 lug 2014, 0:13


Torna a Elettrotecnica generale

Chi c’è in linea

Visitano il forum: Nessuno e 68 ospiti