Gli schemi e meglio se li disegni con FidoCadJ e li posti secondo le regole del forum.
Quelli che hai messo verranno cancellati a breve.
Accensione e spegnimento fan coil
Moderatori:
sebago,
MASSIMO-G,
lillo,
Mike
17 messaggi
• Pagina 2 di 2 • 1, 2
1
voti
0
voti
grazie, Mir proverò a riprodurre lo schema con Fidocadj.
grazie.
grazie.
3
voti
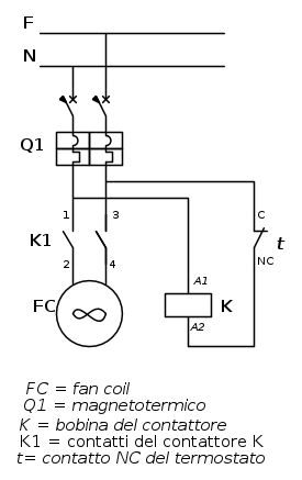
questo è lo schema che sono riuscito a fare :
2
voti
non ho inserito il commutatore, perché non mi è chiaro il collegamento e la sua funzione,da quel che ho capito è come se tagliasse la serie del contatto del termostato, ma se così fosse non mi spiego il perché di un commutatore sarebbe sufficiente un interruttore per quella funzione, ammesso che sia necessaria, prova ad illustrarne il funzionamento.
lo schema precedente in sintesi ha la bobina del contattore K comandata dal contatto NC del termostato, ovvero una volta alimentato con Q1 quanto t raggiunge la temperatura impostata apre il suo contatto NC e disalimenta K aprendo l'alimentazione del-dei fancoil.
0
voti
il commutatore serve per invertire l'azione del termostato in estate
Esato!, serve per il cambio stagione.

0
voti
chiaramente il tutto sarebbe fattibile con un termostato din da quadro con sonda esterna, ma costerebbe di più.
17 messaggi
• Pagina 2 di 2 • 1, 2
Torna a Impianti, sicurezza e quadristica
Chi c’è in linea
Visitano il forum: Nessuno e 47 ospiti

Elettrotecnica e non solo (admin)
Un gatto tra gli elettroni (IsidoroKZ)
Esperienza e simulazioni (g.schgor)
Moleskine di un idraulico (RenzoDF)
Il Blog di ElectroYou (webmaster)
Idee microcontrollate (TardoFreak)
PICcoli grandi PICMicro (Paolino)
Il blog elettrico di carloc (carloc)
DirtEYblooog (dirtydeeds)
Di tutto... un po' (jordan20)
AK47 (lillo)
Esperienze elettroniche (marco438)
Telecomunicazioni musicali (clavicordo)
Automazione ed Elettronica (gustavo)
Direttive per la sicurezza (ErnestoCappelletti)
EYnfo dall'Alaska (mir)
Apriamo il quadro! (attilio)
H7-25 (asdf)
Passione Elettrica (massimob)
Elettroni a spasso (guidob)
Bloguerra (guerra)




