Riassumo brevemente il problema. Vorrei
Ho
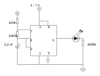
Ho usato un condensatore da 2,2 uF ed anche uno da 3,3 uF entrambi da 50V, ho provato anche con uno da 100 nF ceramico, ma nulla il led rimane fisso.
Ho fatto due calcoli usando le resistenze ed il condensatore del grafico, se non sbaglio dovrei avere un Ton di 16s e Toff di 15,18s giusto?
Ma nella realtà il led rimane accesso finché non tolgo l'alimentazione

Elettrotecnica e non solo (admin)
Un gatto tra gli elettroni (IsidoroKZ)
Esperienza e simulazioni (g.schgor)
Moleskine di un idraulico (RenzoDF)
Il Blog di ElectroYou (webmaster)
Idee microcontrollate (TardoFreak)
PICcoli grandi PICMicro (Paolino)
Il blog elettrico di carloc (carloc)
DirtEYblooog (dirtydeeds)
Di tutto... un po' (jordan20)
AK47 (lillo)
Esperienze elettroniche (marco438)
Telecomunicazioni musicali (clavicordo)
Automazione ed Elettronica (gustavo)
Direttive per la sicurezza (ErnestoCappelletti)
EYnfo dall'Alaska (mir)
Apriamo il quadro! (attilio)
H7-25 (asdf)
Passione Elettrica (massimob)
Elettroni a spasso (guidob)
Bloguerra (guerra)








pigreco]=π