
NE555 astabile
Moderatori:
carloc,
g.schgor,
BrunoValente,
IsidoroKZ
29 messaggi
• Pagina 2 di 3 • 1, 2, 3
-

PietroBaima
90,7k 7 12 13 - G.Master EY

- Messaggi: 12206
- Iscritto il: 12 ago 2012, 1:20
- Località: Londra
0
voti
[13] Re: NE555 astabile
Macelettronic ha scritto:Intanto sono senza alimentatore per provare, ieri ha deciso di guastarsi, quindi per adesso posso fare solo conti teorici
Puoi sempre servirti di una batteria da 9V; basta e avanza per quel circuito e per fare prove.
marco
0
voti
[14] Re: NE555 astabile
Scusate se non ho più risposto, ma non ho avuto tempo, oggi pomeriggio ho fatto uno schizzo con fidocadj, ma è rimasto solo sulla "carta", non ho provato su basetta, ma lo farò nel week end, almeno spero.
Credo di aver risolto il problema, con il link che mi ha indicato
g.schgor, secondo i valori che mi ha dato il link credo di ottenere un lampeggio che possa andare bene.
Nel week end spero di provarlo sulla basetta, pensavo però se metto un triere da 100k come R1, non ho più possibilità di modificare la frequenza?
Credo di aver risolto il problema, con il link che mi ha indicato
Nel week end spero di provarlo sulla basetta, pensavo però se metto un triere da 100k come R1, non ho più possibilità di modificare la frequenza?
-

Macelettronic
55 2 6 - Frequentatore

- Messaggi: 212
- Iscritto il: 1 feb 2012, 11:08
0
voti
[17] Re: NE555 astabile
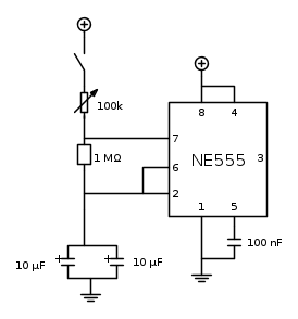
Ok schema modificato.
Volevo ottenere un frequenza sotto 1 Hz anche minore dello 0,5 Hz
So che il 555 necessita almeno di 4,5V minimi per il funzionamento, ma secondo voi se gli fornisco 3V ho una minima possibilità che funzioni?
Volevo ottenere un frequenza sotto 1 Hz anche minore dello 0,5 Hz
So che il 555 necessita almeno di 4,5V minimi per il funzionamento, ma secondo voi se gli fornisco 3V ho una minima possibilità che funzioni?
-

Macelettronic
55 2 6 - Frequentatore

- Messaggi: 212
- Iscritto il: 1 feb 2012, 11:08
0
voti
[18] Re: NE555 astabile
Allora prova cosi':
A quella tensione il NE555 normale non lavora; devi cercare la versione CMOS per tensioni inferiori.
A quella tensione il NE555 normale non lavora; devi cercare la versione CMOS per tensioni inferiori.
marco
0
voti
[19] Re: NE555 astabile
Soddisfatto del lampeggio, soprattutto se "accoppiato" con il 4017 (posto lo schema nell'altro post).
Se mi spieghi come fare (senza dovermi registrare su youtube o altri siti), posso postare un video dell'effetto ottenuto.
-

Macelettronic
55 2 6 - Frequentatore

- Messaggi: 212
- Iscritto il: 1 feb 2012, 11:08
0
voti
[20] Re: NE555 astabile
I circuiti non si costruiscono "per forza" e con quello di cui si dispone.
Se si vuole un risultato finale ottimale, e' necessario uno schema coerente ed i componenti adatti.
Con il tuo schema forse i led si accenderanno, anche se non so come ed in virtu' di cosa, ma non potrai decidere sulla precisa regolazione dei tempi e l'integrato lavorera' male fino a distruggersi.
Se guardi l'immagine che segue, in cui si vede la configurazione interna dell'integrato, ti renderai conto del
perche'.
Se si vuole un risultato finale ottimale, e' necessario uno schema coerente ed i componenti adatti.
Con il tuo schema forse i led si accenderanno, anche se non so come ed in virtu' di cosa, ma non potrai decidere sulla precisa regolazione dei tempi e l'integrato lavorera' male fino a distruggersi.
Se guardi l'immagine che segue, in cui si vede la configurazione interna dell'integrato, ti renderai conto del
perche'.
marco
29 messaggi
• Pagina 2 di 3 • 1, 2, 3
Chi c’è in linea
Visitano il forum: Nessuno e 326 ospiti

Elettrotecnica e non solo (admin)
Un gatto tra gli elettroni (IsidoroKZ)
Esperienza e simulazioni (g.schgor)
Moleskine di un idraulico (RenzoDF)
Il Blog di ElectroYou (webmaster)
Idee microcontrollate (TardoFreak)
PICcoli grandi PICMicro (Paolino)
Il blog elettrico di carloc (carloc)
DirtEYblooog (dirtydeeds)
Di tutto... un po' (jordan20)
AK47 (lillo)
Esperienze elettroniche (marco438)
Telecomunicazioni musicali (clavicordo)
Automazione ed Elettronica (gustavo)
Direttive per la sicurezza (ErnestoCappelletti)
EYnfo dall'Alaska (mir)
Apriamo il quadro! (attilio)
H7-25 (asdf)
Passione Elettrica (massimob)
Elettroni a spasso (guidob)
Bloguerra (guerra)
pigreco]=π




